GM Service Manual Online
For 1990-2009 cars only
Makes
🢒
Pontiac
🢒
2005
🢒
Grand Prix
🢒
Body
🢒
Wiring Systems
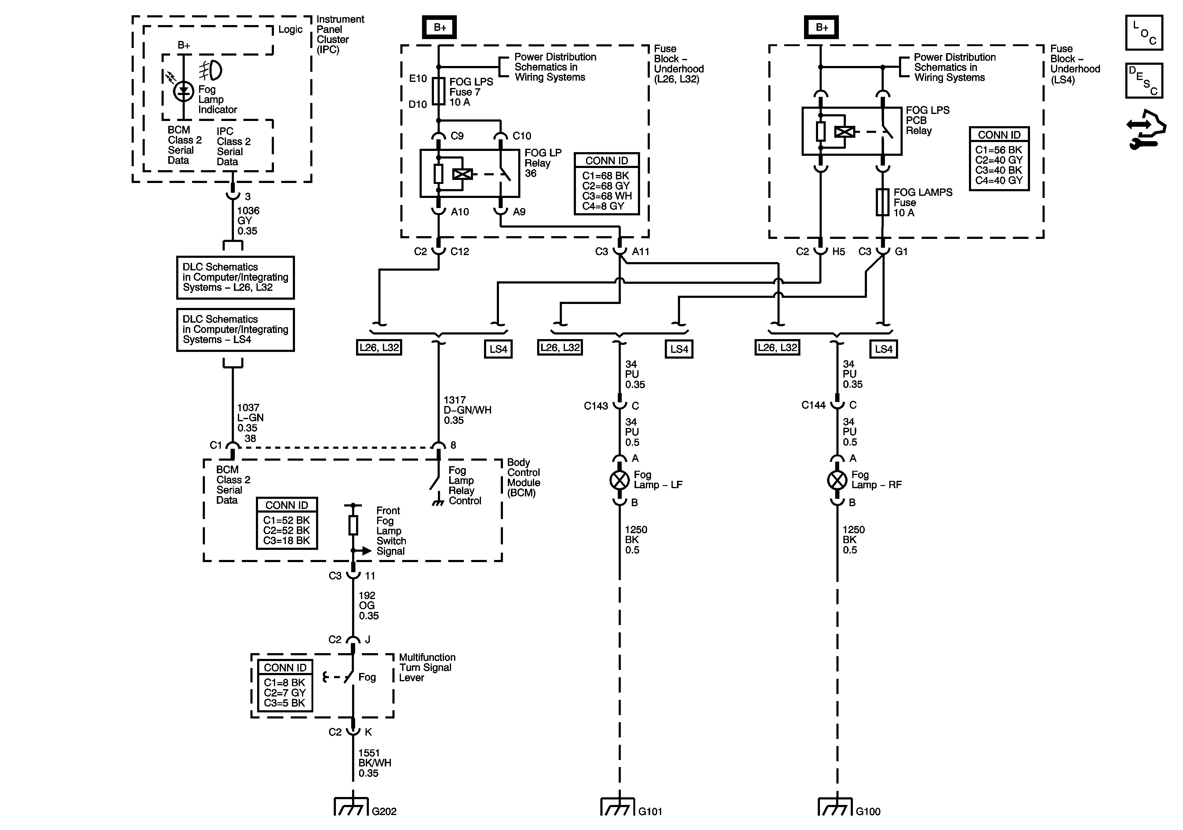
🢒 Fog Lights Schematics
Master Electrical Component List
Exterior Lighting Systems Description and Operation
Control Module References
Fuse Block Underhood Bussing
Fuse Block Underhood Bussing
Data Link Communication
G202
G101, G112 (L26/L32), and G113 (L26/L32)
G100
LS4
Fuse Block - Underhood Bussing
Fuse Block - Underhood Bussing