GM Service Manual Online
For 1990-2009 cars only

Air Conditioning Condenser Replacement L26 L32

Tools Required

J 39400-A Halogen Leak Detector

Removal Procedure

  1. Recover the refrigerant. Refer to Refrigerant Recovery and Recharging .
  2. Remove the radiator. Refer to Radiator Replacement in Engine Cooling.

  3. Object Number: 1204148  Size: SH
  4. Remove the A/C line coupling from the condenser tube to the receiver dehydrator tube. Refer to Air Conditioning Line/Tube Connector Removal/Replacement .

  5. Object Number: 1204150  Size: SH
  6. Remove the A/C compressor line nut from the condenser and position the A/C compressor line aside.
  7. Remove the condenser from the vehicle.
  8. Remove and discard the O-ring seals and seal washer.

Installation Procedure

  1. If replacing the condenser, add refrigerant oil to the condenser. Refer to Refrigerant System Capacities for system capacity information.
  2. Install the condenser to the vehicle.
  3. Install a new seal washer onto the A/C compressor hose. Refer to Sealing Washer Replacement .
  4. Install new O-ring seals onto the receiver dehydrator tube. Refer to O-Ring Replacement .

  5. Object Number: 1204148  Size: SH
  6. Install the receiver dehydrator tube to the condenser.
  7. Install the A/C line coupling to the receiver dehydrator tube and the condenser tube. Refer to Air Conditioning Line/Tube Connector Removal/Replacement .

  8. Object Number: 1204150  Size: SH
  9. Install the A/C compressor hose to the condenser.
  10. Notice: Use the correct fastener in the correct location. Replacement fasteners must be the correct part number for that application. Fasteners requiring replacement or fasteners requiring the use of thread locking compound or sealant are identified in the service procedure. Do not use paints, lubricants, or corrosion inhibitors on fasteners or fastener joint surfaces unless specified. These coatings affect fastener torque and joint clamping force and may damage the fastener. Use the correct tightening sequence and specifications when installing fasteners in order to avoid damage to parts and systems.

  11. Install the A/C compressor hose block fitting nut to the condenser.
  12. Tighten
    Tighten the nut to 17 N·m (13 lb ft).

  13. Install the radiator. Refer to Radiator Replacement in Engine Cooling.
  14. Evacuate and recharge the A/C system. Refer to Refrigerant Recovery and Recharging .
  15. Leak test the fittings of the component using J 39400-A .

Air Conditioning Condenser Replacement LS4

Tools Required

J 39400-A Halogen Leak Detector

Removal Procedure

  1. Recover the refrigerant. Refer to Refrigerant Recovery and Recharging .
  2. Remove the radiator. Refer to Radiator Replacement in Engine Cooling.
  3. Remove the A/C line coupling from the condenser tube to the evaporator tube. Refer to Air Conditioning Line/Tube Connector Removal/Replacement .

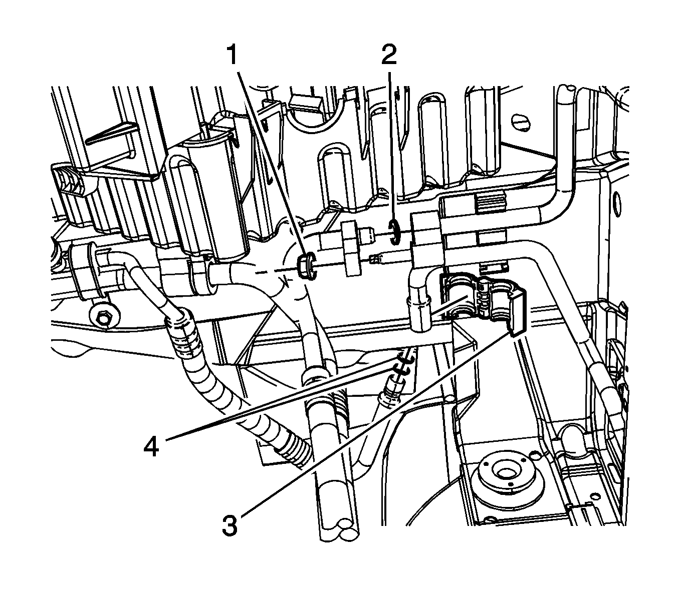
  4. Object Number: 1547411  Size: SH

    Important: The receiver dehydrator is integral to the condenser.

  5. Remove the evaporator tube from the condenser tube.
  6. Remove the A/C compressor line nut (1) from the condenser and position the A/C compressor line aside.
  7. Remove and discard the O-ring seals (4) and seal washer (2).
  8. Remove the condenser from the vehicle.

Installation Procedure

  1. If replacing the condenser, add refrigerant oil to the condenser. Refer to Refrigerant System Capacities for system capacity information.
  2. Install the condenser to the vehicle.

  3. Object Number: 1547411  Size: SH
  4. Install a new seal washer (2) onto the A/C compressor hose. Refer to Sealing Washer Replacement .
  5. Install new O-ring seals (4) onto the evaporator tube. Refer to O-Ring Replacement .
  6. Install the evaporator tube to the condenser
  7. Install the A/C line coupling to the evaporator tube and the condenser tube. Refer to Air Conditioning Line/Tube Connector Removal/Replacement .
  8. Notice: Refer to Fastener Notice in the Preface section.

  9. Install the A/C compressor hose to the condenser.
  10. Install the A/C compressor hose to condenser nut.
  11. Tighten
    Tighten the nut to 17 N·m (13 lb ft).

  12. Install the radiator. Refer to Radiator Replacement in Engine Cooling.
  13. Evacuate and recharge the A/C system. Refer to Refrigerant Recovery and Recharging .
  14. Leak test the fittings of the component using J 39400-A .