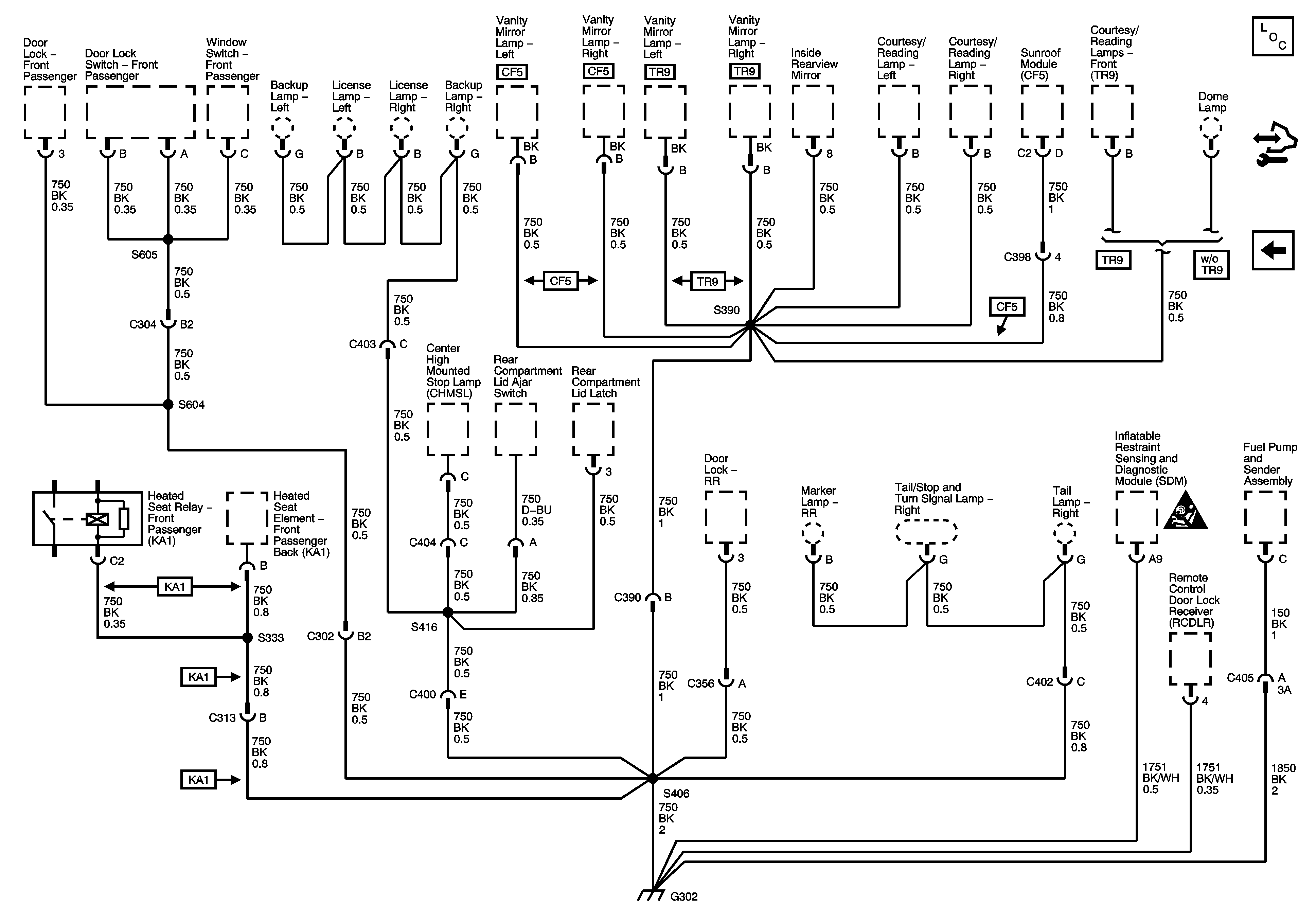
GM Service Manual Online
For 1990-2009 cars only
Makes
🢒
Pontiac
🢒
2005
🢒
Grand Prix
🢒 G302
G302
G302
Master Electrical Component List
Control Module References
G301
Power and Grounding Schematic Icons