GM Service Manual Online
For 1990-2009 cars only
Makes
🢒
Pontiac
🢒
2005
🢒
Grand Prix
🢒 Starter
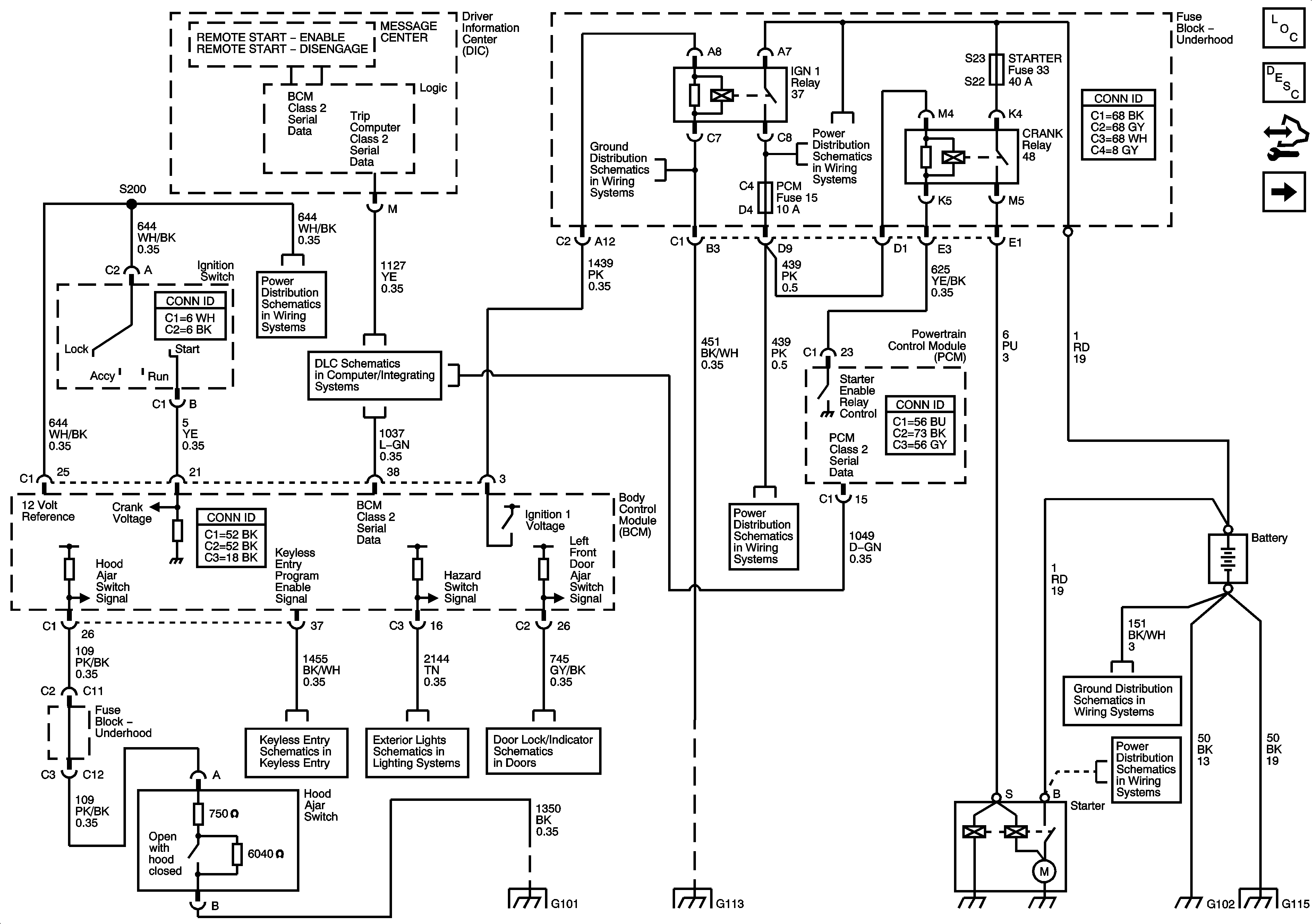
Starter
Starter (L26, L32)
Master Electrical Component List
Starting System Description and Operation
Control Module References
Starter (LS4)
G101, G112 (L26/L32), and G113 (L26/L32)
Fuse Block Underhood Bussing
Ignition Switch
Data Link Communication
ABS, TRANS SOL, PCM, SIR, DISPLAY, CRUISE SW Fuses, and CRANK Relay
Keyless Entry Schematics
Turn Signal, Hazard, and Stop Lamps Inputs
Door Ajar Indicators
G101, G112 (L26/L32), and G113 (L26/L32)
Fuse Block Underhood Bussing
G101, G112 (L26/L32), and G113 (L26/L32)
G101, G112 (L26/L32), and G113 (L26/L32)
G102, G115 and G201