GM Service Manual Online
For 1990-2009 cars only
Makes
🢒
Pontiac
🢒
2005
🢒
Grand Prix
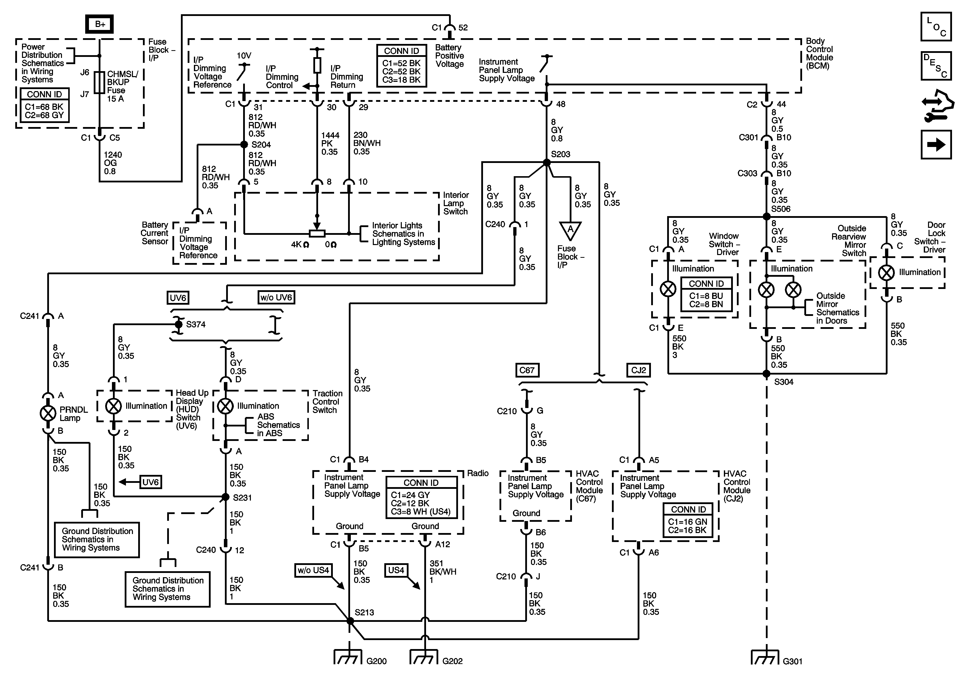
🢒 Interior Lamp Switch, I/P and Driver Door Lighting
Interior Lamp Switch, I/P and Driver Door Lighting
Interior Lamp Switch, I/P, and Driver Door Lighting
Master Electrical Component List
Interior Lighting Systems Description and Operation
Control Module References
Steering Wheel and Front Passenger Door Lighting
BATT MAIN 1, PK LAMPS, DISPLAS, CHMSL/BKUP, INT LIGHT, RFA MOD, RADIO/AMP, ONSTAR/ALDL, HVAC, CANISTER Fuses and PKLP Relay
BATT MAIN 1, PK LAMPS, DISPLAS, CHMSL/BKUP, INT LIGHT, RFA MOD, RADIO/AMP, ONSTAR/ALDL, HVAC, CANISTER Fuses and PKLP Relay
Interior Lights Switches
Steering Wheel and Front Passenger Door Lighting
Outside Mirror Schematics
Indicator, ABS, Stability, and Traction Controls
G200
G200
G200
G202
G301