GM Service Manual Online
For 1990-2009 cars only
Makes
🢒
Pontiac
🢒
2005
🢒
Grand Prix
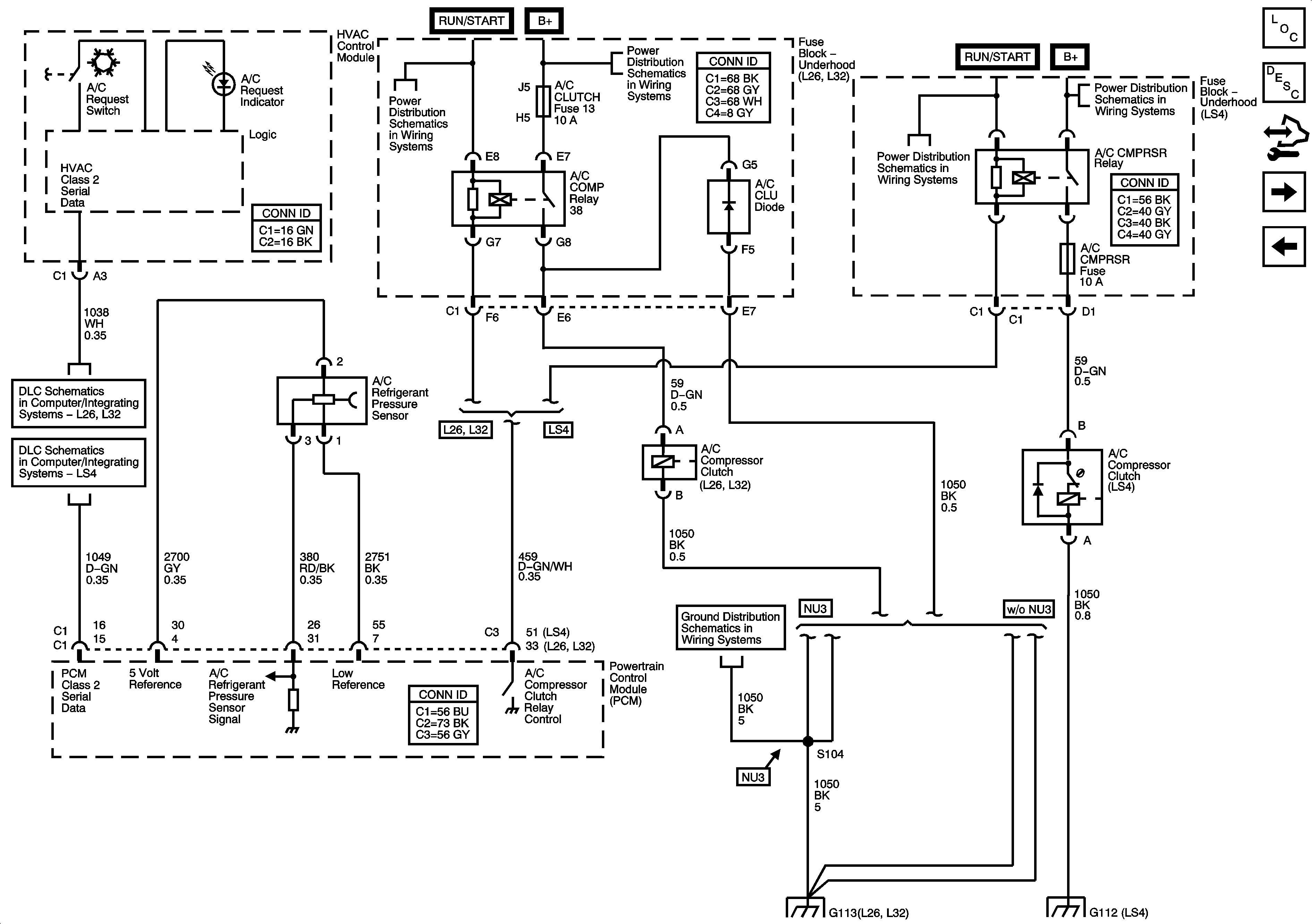
🢒 A/C Compressor Controls
A/C Compressor Controls
A/C Compressor Controls
Master Electrical Component List
Air Temperature Description and Operation
Control Module References
Sensors
Power, Ground, and Blower Motor Controls
Fuse Block Underhood Bussing
Fuse Block Underhood Bussing
Fuse Block Underhood Bussing
Fuse Block Underhood Bussing
Fuse Block - Underhood Bussing
Fuse Block - Underhood Bussing
Fuse Block - Underhood Bussing
Fuse Block - Underhood Bussing
LS4
Data Link Communication
G101, G112 (L26/L32), and G113 (L26/L32)
G101, G112 (L26/L32), and G113 (L26/L32)
G101, G112 (L26/L32), and G113 (L26/L32)