GM Service Manual Online
For 1990-2009 cars only

Tools Required

    • J 38185 Hose Clamp Pliers
    • J 39580 Universal Engine Support Table

Removal Procedure


    Object Number: 1524230  Size: SH
  1. Disconnect the negative battery cable. Refer to Battery Negative Cable Disconnection and Connection .
  2. Remove the engine sight shield. Refer to Upper Intake Manifold Sight Shield Replacement .
  3. Evacuate the air conditioning (A/C) system. Refer to Refrigerant Recovery and Recharging .
  4. Remove the front tires and wheels. Refer to Tire and Wheel Removal and Installation .
  5. Drain the cooling system. Refer to Cooling System Draining and Filling .
  6. Drain the engine oil. Refer to Engine Oil and Oil Filter Replacement .
  7. Lower the vehicle.
  8. Using the J 38185 reposition the inlet hose clamp at the radiator.
  9. Remove the inlet hose from the radiator.

  10. Object Number: 1524227  Size: SH
  11. Using the J 38185 reposition the outlet hose clamp at the radiator.
  12. Disengage the outlet hose clips from the fan shroud.
  13. Remove the outlet hose from the radiator.

  14. Object Number: 1562059  Size: SH
  15. Remove the A/C compressor hose nut at the A/C receiver/dehydrator tube.
  16. Remove the A/C compressor hose.

  17. Object Number: 1562061  Size: SH
  18. Remove the A/C compressor hose nut at the A/C condenser.
  19. Remove the A/C compressor hose.

  20. Object Number: 1551866  Size: SH
  21. Remove the brake booster vacuum hose from the brake booster (3).
  22. Remove the brake booster vacuum hose (1) from the intake manifold (2).

  23. Object Number: 1561313  Size: SH
  24. Disconnect the engine harness electrical connectors (1, 2) from the instrument panel (I/P) harness electrical connectors.
  25. Disconnect the brake fluid level switch electrical connector (3) from the master cylinder.

  26. Object Number: 1561264  Size: SH
  27. Remove brake fluid from the master cylinder.
  28. Disconnect the from brake pipe fittings (1, 2) from the master cylinder.

  29. Object Number: 1561268  Size: SH
  30. Disconnect the brake pipe fittings (1, 2) from the antilock brake (ABS) module.

  31. Object Number: 1561262  Size: SH
  32. Remove the master cylinder nuts.
  33. Position the master cylinder to the engine. Hold the master cylinder in place using mechanic's wire.

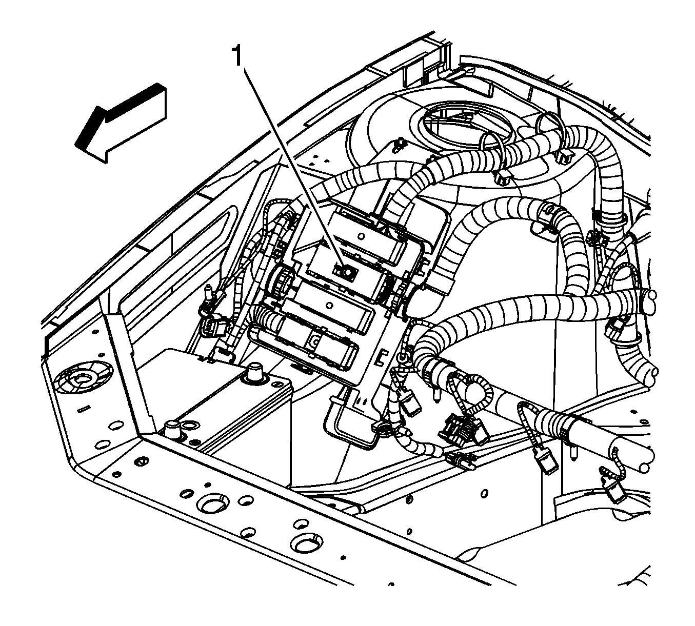
  34. Object Number: 1551868  Size: SH
  35. Relieve the fuel system pressure. Refer to Fuel Pressure Relief .
  36. Disconnect the fuel feed line (1) from the fuel rail. Refer to Metal Collar Quick Connect Fitting Service .
  37. Disconnect the evaporative emission (EVAP) line (2) from the purge solenoid. Refer to Plastic Collar Quick Connect Fitting Service .

  38. Object Number: 1561307  Size: SH
  39. Remove the right front fender diagonal brace. Refer to Front Fender Upper Diagonal Brace Replacement .
  40. Remove the underhood electrical center cover (1).
  41. Loosen the 4 integral bolts (2) attaching the fuse block. Reposition the fuse block.

  42. Object Number: 1561310  Size: SH
  43. Loosen the engine harness connector bolt (1). Remove the engine harness connector from the bracket.

  44. Object Number: 1554556  Size: SH
  45. Disconnect the camshaft position sensor lead.

  46. Object Number: 1561314  Size: SH
  47. Disconnect the engine harness electrical connector from the ABS module.

  48. Object Number: 1561316  Size: SH
  49. Disconnect the engine harness electrical connector from the electronic brake control module (EBCM).

  50. Object Number: 1561318  Size: SH
  51. Remove the air cleaner assembly. Refer to Air Cleaner Element Replacement .
  52. Disconnect the following electrical connectors:
  53. • Transmission control module (TCM) (1)
    • Engine control module (ECM) (2)
    • A/C pressure sensor (3)

    Object Number: 1561321  Size: SH
  54. Disconnect the engine harness electrical connector (1) from the crankshaft position (CKP) sensor harness.
  55. Disconnect the engine harness electrical connector (2) from the power steering gear harness.
  56. Remove the clip attaching the power steering gear harness to the bracket.

  57. Object Number: 1561282  Size: SH
  58. Remove the shift cable clip.
  59. Disconnect the shift cable from the transaxle selector lever stud.
  60. Remove the shift cable from the bracket.

  61. Object Number: 1561324  Size: SH
  62. Remove the vehicle speed sensor (VSS) shield nut (1) and bolt (3). Remove the shield (2).

  63. Object Number: 1561325  Size: SH
  64. Disconnect the engine harness electrical connector from the VSS.
  65. Set all branches of the engine wiring harness on top of the engine.

  66. Object Number: 1561276  Size: SH
  67. Reposition the intermediate shaft lower boot.
  68. Remove the intermediate shaft to steering gear bolt.
  69. Separate the intermediate shaft from the steering gear.
  70. Disconnect both front wheel speed sensors. Refer to Front Wheel Bearing and Hub Replacement .
  71. Unclip the ABS wire harness from the lower control arm.

  72. Object Number: 1561305  Size: SH
  73. Using the J 38185 reposition the heater inlet and outlet hose clamps.
  74. Remove the heater inlet (2) and outlet (1) hoses from the heater inlet/outlet pipe.
  75. Raise and support the vehicle. Refer to Lifting and Jacking the Vehicle .
  76. Disconnect the stabilizer links from the stabilizer shaft.
  77. Disconnect the ball joints from the steering knuckles. Refer to Lower Control Arm Ball Joint Replacement .
  78. Disconnect the power steering pressure hose from the steering gear.
  79. Disconnect the power steering pressure line clips from the frame.
  80. Disconnect the outer tie rod ends from the steering knuckles. Refer to Rack and Pinion Outer Tie Rod End Replacement .

  81. Object Number: 1561279  Size: SH
  82. Loosen the power steering hose clamp at the inlet pipe.
  83. Remove the power steering hose (2) from the inlet pipe.
  84. Remove the left and right wheel drive shafts from the transaxle. Refer to Wheel Drive Shaft Replacement .
  85. Support the wheel drive shafts using mechanic's wire.

  86. Object Number: 1561300  Size: SH
  87. Remove the transaxle oil cooler line bracket bolt/stud.
  88. Disconnect the transaxle oil cooler lines from the transaxle. Refer to Transmission Fluid Cooler Hose/Pipe Quick-Connect Fitting Disconnection and Connection .

  89. Object Number: 1552773  Size: SH
  90. Remove the positive battery cable nut (3) from the starter.
  91. Remove the cable terminal (2) from the starter.
  92. Remove the battery cable ground nut (1).
  93. Remove the cable ground terminal (6) from the stud.

  94. Object Number: 1552771  Size: SH
  95. Remove the battery cable retainers from the engine frame.
  96. Disconnect the exhaust system. Refer to Catalytic Converter Replacement .
  97. Disconnect the O2 sensor harness pigtail.

  98. Object Number: 1561287  Size: SH
  99. Remove the transaxle converter cover bolt/stud.
  100. Remove the converter cover.

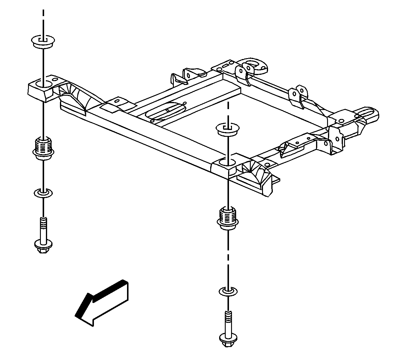
  101. Object Number: 1561291  Size: SH
  102. Remove the flywheel bolts.
  103. Remove the front air deflectors. Refer to Radiator Air Lower Baffle and Deflector Replacement .

  104. Object Number: 333118  Size: SH
  105. Raise the vehicle enough to place J 39580 under the engine, frame, and front suspension.
  106. Support the rear of the vehicle with suitable jackstand.
  107. Strap the front of the vehicle to the hoist.
  108. Raise the J 39580 , or lower the vehicle to preload the weight of the engine, frame, and front suspension.
  109. Remove the radiator to frame brackets.

  110. Object Number: 1561294  Size: SH
  111. Remove the engine frame front bolts.

  112. Object Number: 1561297  Size: SH
  113. Remove the engine frame rear bolts.
  114. With the aid of an assistant, lower the J 39580 and/or raise the vehicle to remove the engine and the frame from the vehicle.
  115. Ensure that all hoses, wires, and pipes clear the vehicle during the removal process.
  116. Use a suitable engine lift to support the engine.

  117. Object Number: 1551858  Size: SH
  118. Remove the front engine mount to frame nuts.

  119. Object Number: 1551859  Size: SH
  120. Remove the rear engine mount to frame nuts.

  121. Object Number: 1561328  Size: MH
  122. Remove the transaxle to engine bolts (1) and stud (2).
  123. Separate the engine from the transaxle.
  124. Using a suitable engine lift, remove the engine from the frame.
  125. Install the engine onto a suitable engine stand.

Installation Procedure


    Object Number: 1561328  Size: MH
  1. Using a suitable engine lift, remove the engine from the engine stand.
  2. Position and install the engine to the frame and the transaxle.
  3. Notice: Refer to Fastener Notice in the Preface section.

  4. Install the transaxle to engine bolts (1) and stud (2).
  5. Tighten
    Tighten the bolts/stud to 75 N·m (55 lb ft).


    Object Number: 1551859  Size: SH
  6. Install the rear engine mount to frame nuts.
  7. Tighten
    Tighten the nuts to 50 N·m (37 lb ft).


    Object Number: 1551858  Size: SH
  8. Install the front engine mount to frame nuts.
  9. Tighten
    Tighten the nuts to 50 N·m (37 lb ft).


    Object Number: 1561297  Size: SH
  10. Ensure that all hoses, wires, and pipes clear the vehicle during the installation process.
  11. With the aid of an assistant, raise the J 39580 and/or lower the vehicle to install the engine and frame to the vehicle.
  12. Install the engine frame rear bolts.
  13. Tighten
    Tighten the bolts to 160 N·m (118 lb ft).


    Object Number: 1561294  Size: SH
  14. Install the engine frame front bolts.
  15. Tighten
    Tighten the bolts to 145 N·m (107 lb ft).


    Object Number: 333118  Size: SH
  16. Install radiator to front frame brackets.
  17. Lower the J 39580 , or raise the vehicle to preload the weight of the engine, frame, and front suspension.
  18. Remove the support from under the rear of the vehicle.
  19. Raise the vehicle enough to remove the J 39580 from under the engine, frame, and front suspension.

  20. Object Number: 1561291  Size: SH
  21. Connect the exhaust system and connect the O2 sensor harness pigtail. Refer to Catalytic Converter Replacement .
  22. Install the flywheel bolts.
  23. Tighten
    Tighten the bolts to 63 N·m (47 lb ft).


    Object Number: 1561287  Size: SH
  24. Install the converter cover.
  25. Install the transaxle converter cover bolt/stud.
  26. Tighten
    Tighten the bolt/stud to 10 N·m (89 lb in).

  27. Install the left and right wheel drive shafts into the transaxle. Refer to Wheel Drive Shaft Replacement .

  28. Object Number: 1552771  Size: SH
  29. Install the battery cable retainers to the engine frame.
  30. Install the front air deflector. Refer to Radiator Air Lower Baffle and Deflector Replacement .

  31. Object Number: 1552773  Size: SH
  32. Install the cable ground terminal (6) to the stud.
  33. Install the battery cable ground nut (1).
  34. Tighten
    Tighten the nut to 30 N·m (22 lb ft).

  35. Install the cable terminal (2) to the starter.
  36. Install the positive battery cable nut (3) to the starter.
  37. Tighten
    Tighten the nut to 10 N·m (89 lb in).


    Object Number: 1561300  Size: SH
  38. Connect the transaxle oil cooler lines to the transaxle. Refer to Transmission Fluid Cooler Hose/Pipe Quick-Connect Fitting Disconnection and Connection .
  39. Install the transaxle oil cooler line bracket bolt/stud.
  40. Tighten
    Tighten the bolt/stud to 25 N·m (18 lb ft).


    Object Number: 1561279  Size: SH
  41. Install the power steering hose (2) to the inlet pipe.
  42. Tighten the power steering hose clamp at the inlet pipe.
  43. Tighten
    Tighten the clamp to 6 N·m (53 lb in).

  44. Connect the power steering pipe to the steering gear. Refer to Power Steering Pressure Pipe/Hose Replacement .
  45. Connect the power steering pipe to the frame clips.
  46. Lower the vehicle.

  47. Object Number: 1561271  Size: SH
  48. Position and install the ball joint nuts. Refer to Lower Control Arm Ball Joint Replacement .
  49. Install the sway links to the stabilizer shaft. Refer to Stabilizer Shaft Link Replacement .
  50. Install the tie rod ends to the steering knuckles. Refer to Rack and Pinion Outer Tie Rod End Replacement .
  51. Connect the wheel speed sensor electrical connectors.
  52. Connect the wheel speed sensor wiring harness to the lower control arm.

  53. Object Number: 1561305  Size: SH
  54. Install the heater inlet (2) and outlet (1) hoses to the heater inlet/outlet pipe.
  55. Using the J 38185 position the heater inlet and outlet hose clamps.

  56. Object Number: 1561276  Size: SH
  57. Install the intermediate shaft to the steering gear.
  58. Install the intermediate shaft to steering gear bolt.
  59. Tighten
    Tighten the bolt to 48 N·m (35 lb ft).

  60. Position the intermediate shaft lower boot.

  61. Object Number: 1561325  Size: SH
  62. Route all branches of the engine wiring harness to their correct locations.
  63. Connect the engine harness electrical connector to the VSS.

  64. Object Number: 1561324  Size: SH
  65. Install the VSS shield (2). Install the VSS shield nut (1) and bolt (3).
  66. Tighten
    Tighten the bolt/nut to 25 N·m (18 lb ft).


    Object Number: 1561282  Size: SH
  67. Install the shift cable to the bracket.
  68. Connect the shift cable to the transaxle selector lever stud.
  69. Install the shift cable clip.

  70. Object Number: 1561321  Size: SH
  71. Install the clip attaching the power steering gear harness to the bracket.
  72. Connect the engine harness electrical connector (1) to the CKP sensor harness.
  73. Connect the engine harness electrical connector (2) to the power steering gear harness.

  74. Object Number: 1554556  Size: SH
  75. Connect the camshaft position sensor lead to the sensor.

  76. Object Number: 1561318  Size: SH
  77. Connect the following electrical connectors:
  78. • TCM (1)
    • ECM (2)
    • A/C pressure sensor (3)
  79. Install the air cleaner assembly. Refer to Air Cleaner Element Replacement .

  80. Object Number: 1561316  Size: SH
  81. Connect the engine harness electrical connector to the EBCM.

  82. Object Number: 1561314  Size: SH
  83. Connect the engine harness electrical connector to the ABS module.

  84. Object Number: 1561310  Size: SH
  85. Install the engine harness connector to the bracket. Tighten the engine harness connector bolt (1).
  86. Tighten
    Tighten the bolt to 10 N·m (89 lb in).


    Object Number: 1561307  Size: SH
  87. Position the fuse block. Tighten the 4 integral bolts (2) attaching the fuse block.
  88. Tighten
    Tighten the bolts to 10 N·m (89 lb in).

  89. Install the electrical center cover (1).

  90. Object Number: 1551868  Size: SH
  91. Connect the fuel feed line (1) to the fuel rail. Refer to Metal Collar Quick Connect Fitting Service .
  92. Connect the EVAP line (2) to the purge solenoid. Refer to Plastic Collar Quick Connect Fitting Service .

  93. Object Number: 1561262  Size: SH
  94. Remove the mechanic's wire holding the master cylinder. Position the master cylinder to the brake booster.
  95. Install the master cylinder nuts.
  96. Tighten
    Tighten the nuts to 33 N·m (24 lb ft).


    Object Number: 1561268  Size: SH
  97. Connect the brake pipe fittings (1, 2) to the ABS module.
  98. Tighten
    Tighten the fittings to 15 N·m (11 lb ft).


    Object Number: 1561264  Size: SH
  99. Connect the from brake pipe fittings (1, 2) to the master cylinder.
  100. Tighten
    Tighten the fittings to 30 N·m (22 lb ft).


    Object Number: 1561313  Size: SH
  101. Connect the brake fluid level switch electrical connector (3) to the master cylinder.
  102. Connect the engine harness electrical connectors (1, 2) to the I/P harness electrical connectors.

  103. Object Number: 1551866  Size: SH
  104. Install the brake booster vacuum hose (1) to the intake manifold (2).
  105. Install the brake booster vacuum hose to the brake booster (3).

  106. Object Number: 1562061  Size: SH
  107. Install the A/C compressor hose.
  108. Install the A/C compressor hose nut at the A/C condenser.
  109. Tighten
    Tighten the nut to 16 N·m (12 lb ft).


    Object Number: 1562059  Size: SH
  110. Install the A/C compressor hose.
  111. Install the A/C compressor hose nut at the A/C receiver/dehydrator tube.
  112. Tighten
    Tighten the nut to 16 N·m (12 lb ft).


    Object Number: 1524227  Size: SH
  113. Install the outlet hose to the radiator.
  114. Connect the outlet hose clips to the fan shroud.
  115. Using the J 38185 position the outlet hose clamp at the radiator.

  116. Object Number: 1524230  Size: SH
  117. Install the inlet hose to the radiator.
  118. Using the J 38185 position the inlet hose clamp at the radiator.
  119. Install the front tires and wheels. Refer to Tire and Wheel Removal and Installation .
  120. Connect the negative battery cable. Refer to Battery Negative Cable Disconnection and Connection .
  121. Install the right fender diagonal brace. Refer to Front Fender Upper Diagonal Brace Replacement .
  122. Refill the engine with oil.
  123. Recharge the A/C system. Refer to Refrigerant Recovery and Recharging .
  124. Refill the cooling system. Refer to Cooling System Draining and Filling .
  125. Bleed the brake system. Refer to Hydraulic Brake System Bleeding .
  126. Check the transaxle fluid level, add fluid if necessary. Refer to Transmission Fluid Check .
  127. Install the engine sight shield. Refer to Upper Intake Manifold Sight Shield Replacement .
  128. Run the engine and inspect for leaks.