GM Service Manual Online
For 1990-2009 cars only
Makes
🢒
Pontiac
🢒
2006
🢒
Grand Prix
🢒
Vehicle Control Systems
🢒
Vehicle DTC Information
🢒 Starting and Charging Schematics
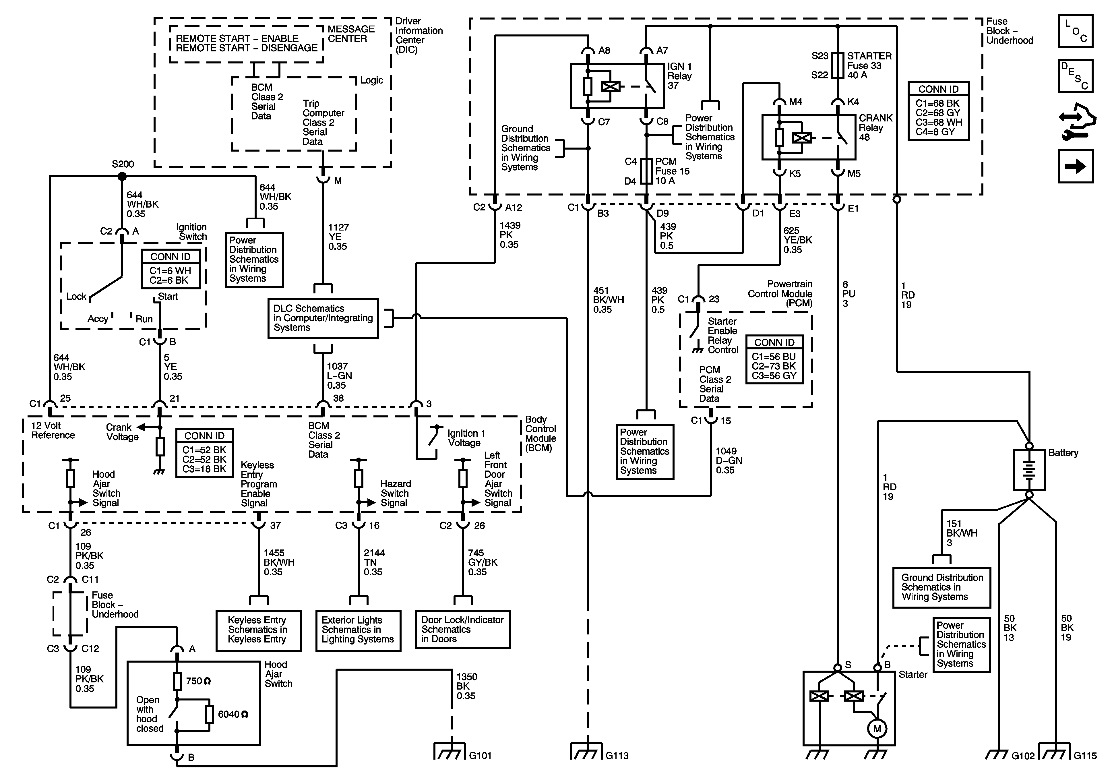
Figure
1:
Starter (L26, L32)
Master Electrical Component List
Starting System Description and Operation
Control Module References
Starting LS4
G101, G112 (L26/L32), and G113 (L26/L32)
Fuse Block Underhood Bussing
Ignition Switch
L26/L32
ABS, TRANS SOL, PCM, SIR, DISPLAY, CRUISE SW Fuses, and CRANK Relay
Keyless Entry Schematics
Turn Signal, Hazard, and Stop Lamps Inputs
Door Ajar Indicators
G101, G112 (L26/L32), and G113 (L26/L32)
Fuse Block Underhood Bussing
G101, G112 (L26/L32), and G113 (L26/L32)
G101, G112 (L26/L32), and G113 (L26/L32)
G102, G112 and G201
Figure
2:
Starter (LS4)
Master Electrical Component List
Starting System Description and Operation
Control Module References
Generator
Starting
Ignition Switch
LS4
G112 (LS4), AND G113 (LS4)
Fuse Block - Underhood Bussing
Rear Window Wiper Motor
Turn Signal, Hazard, and Stop Lamps Inputs
Door Ajar Indicators
G102, G112 and G201
Fuse Block - Underhood Bussing
G101, G112 (L26/L32), and G113 (L26/L32)
G112 (LS4), AND G113 (LS4)
G102, G112 and G201
Figure
3:
Generator
Master Electrical Component List
Charging System Description and Operation
Control Module References
Starting LS4
Fuse Block - Underhood Bussing
Fuse Block Underhood Bussing
LS4
L26/L32
Interior Lamp Switch, I/P and Driver Door Lighting
G102, G112 and G201