GM Service Manual Online
For 1990-2009 cars only
Makes
🢒
Pontiac
🢒
2006
🢒
Grand Prix
🢒
Body
🢒
Roof
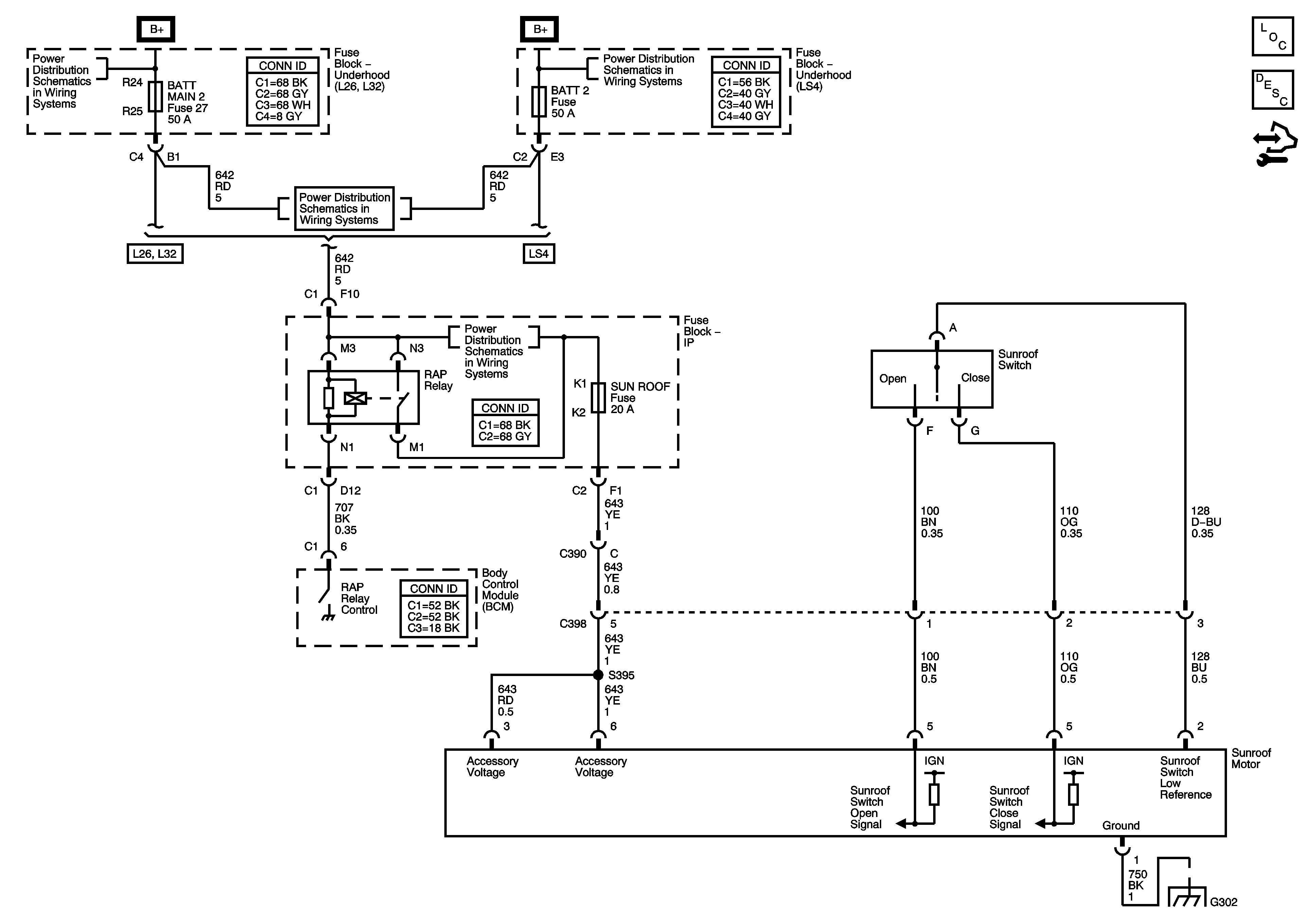
🢒 Sunroof Schematics
Master Electrical Component List
Sunroof Description and Operation (One Connector System)
Control Module References
Fuse Block Underhood Bussing
BATT MAIN 2, HDT SEAT, PWR MIRS, TURN/HAZ, DR LK/TRUN, SUNROOF Fuses, PWR SEAT, PWR WDO Circuit Breakers, and RAP Relay
Fuse Block - Underhood Bussing
BATT MAIN 2, HDT SEAT, PWR MIRS, TURN/HAZ, DR LK/TRUN, SUNROOF Fuses, PWR SEAT, PWR WDO Circuit Breakers, and RAP Relay
G302