GM Service Manual Online
For 1990-2009 cars only

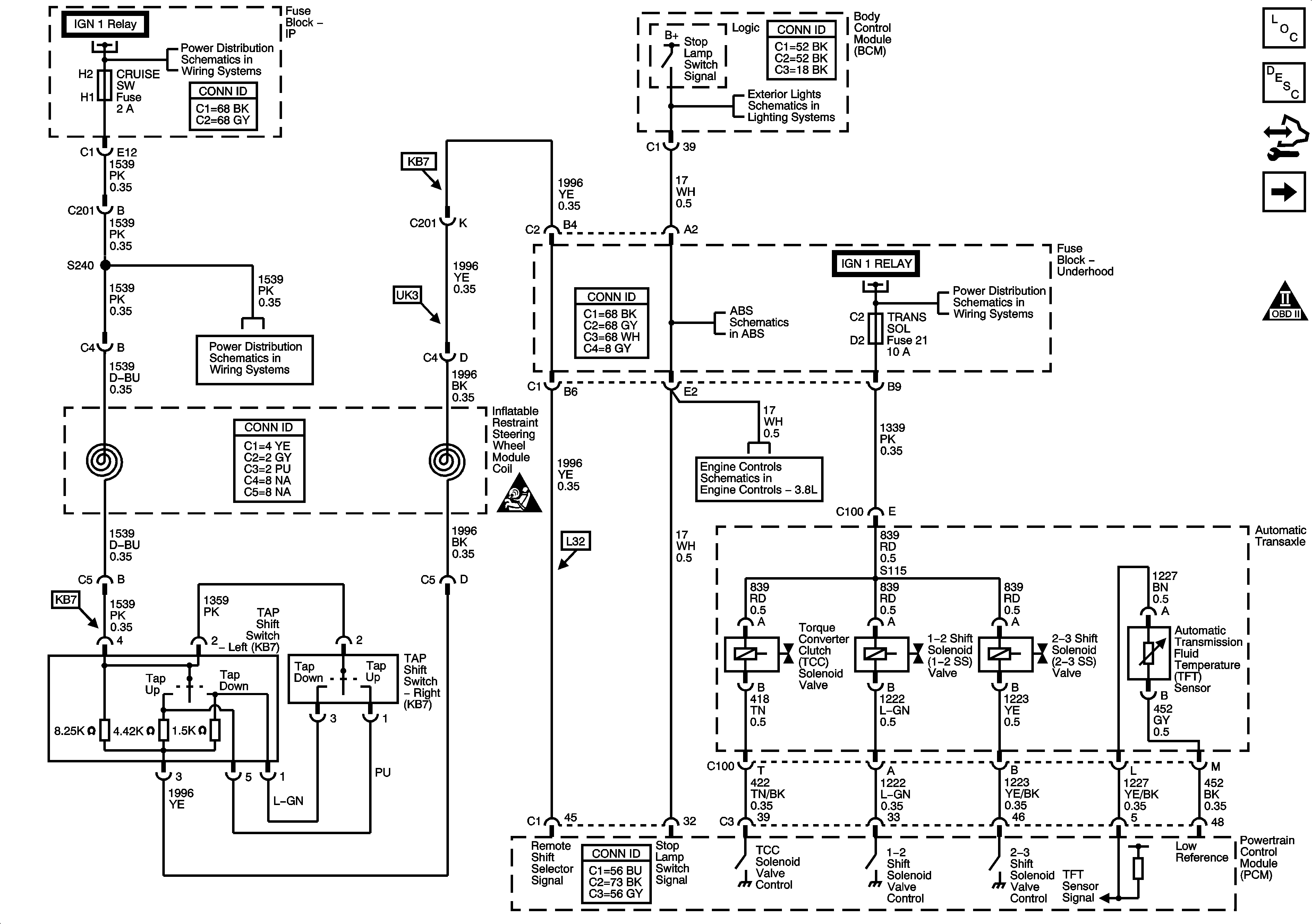
Automatic Transmission Controls Schematics LS4

Figure 1:

Power, Ground and Serial Data


Object Number: 1654367  Size: FS
Master Electrical Component List
Transmission General Description
Control Module References
Tap Shift Switches, Stop Lamp Signal, TFT Sensor and TCC, Shift Solenoids
Automatic Transmission Schematic Icons
Ignition Switch
Fuse Block - Underhood Bussing
Fuse Block - Underhood Bussing
Ignition Switch
Ignition Switch
Ignition Switch
Ignition Switch
Fuse Block - Underhood Bussing
Tap Shift Switches, Stop Lamp Signal, TFT Sensor and TCC, Shift Solenoids
LS4
G102, G112 and G201
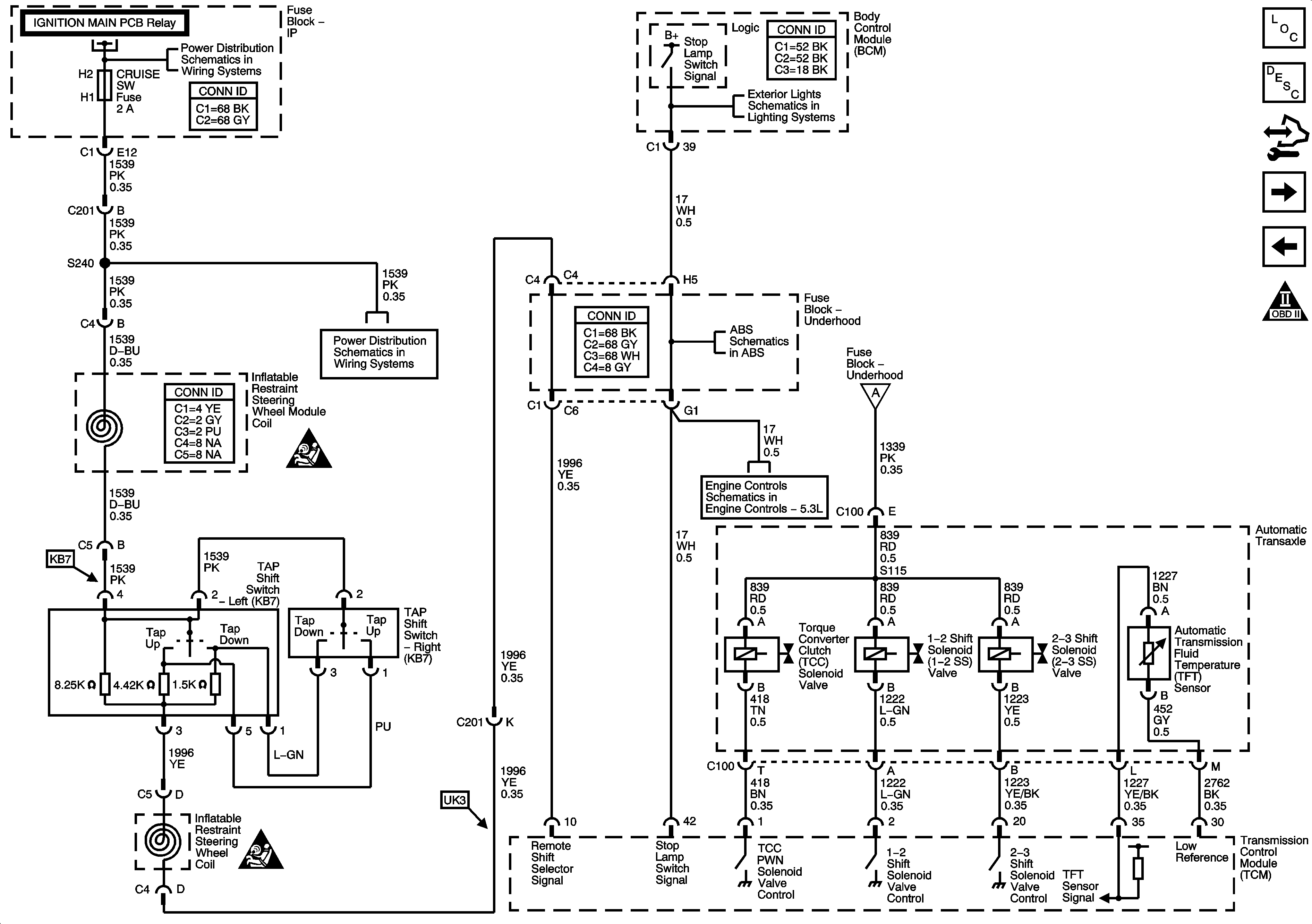
Figure 2:

Tap Shift Switches, Stop lamp Signal, TFT Sensor and TCC, Shift Solenoids


Object Number: 1654368  Size: FS
Master Electrical Component List
Transmission General Description
Control Module References
VSS and AT ISS Sensors, Pressure Control Solenoid Valve, and TCC Release Switch
Power, Ground and Serial Data
Automatic Transmission Schematic Icons
ABS, TRANS, ECM IGN, AIRBAG/DISPLAY, COMPASS, HVAC Fuses and STRTR Relay
ABS, TRANS, ECM IGN, AIRBAG/DISPLAY, COMPASS, HVAC Fuses and STRTR Relay
Turn Signal, Hazard and Stop Lamp Outputs
Automatic Transmission Schematic Icons
ABS, TRANS, ECM IGN, AIRBAG/DISPLAY, COMPASS, HVAC Fuses and STRTR Relay
Indicator, ABS, Stability, and Traction Controls
Power, Ground and Serial Data
MAF/IAT Sensor, Stop Lamp Switch Signal and VSS
Automatic Transmission Schematic Icons
Figure 3:

VSS and ISS Sensors, Pressure Control Solenoid Valve, and TCC Release switch


Object Number: 1654373  Size: FS
Master Electrical Component List
Transmission General Description
Control Module References
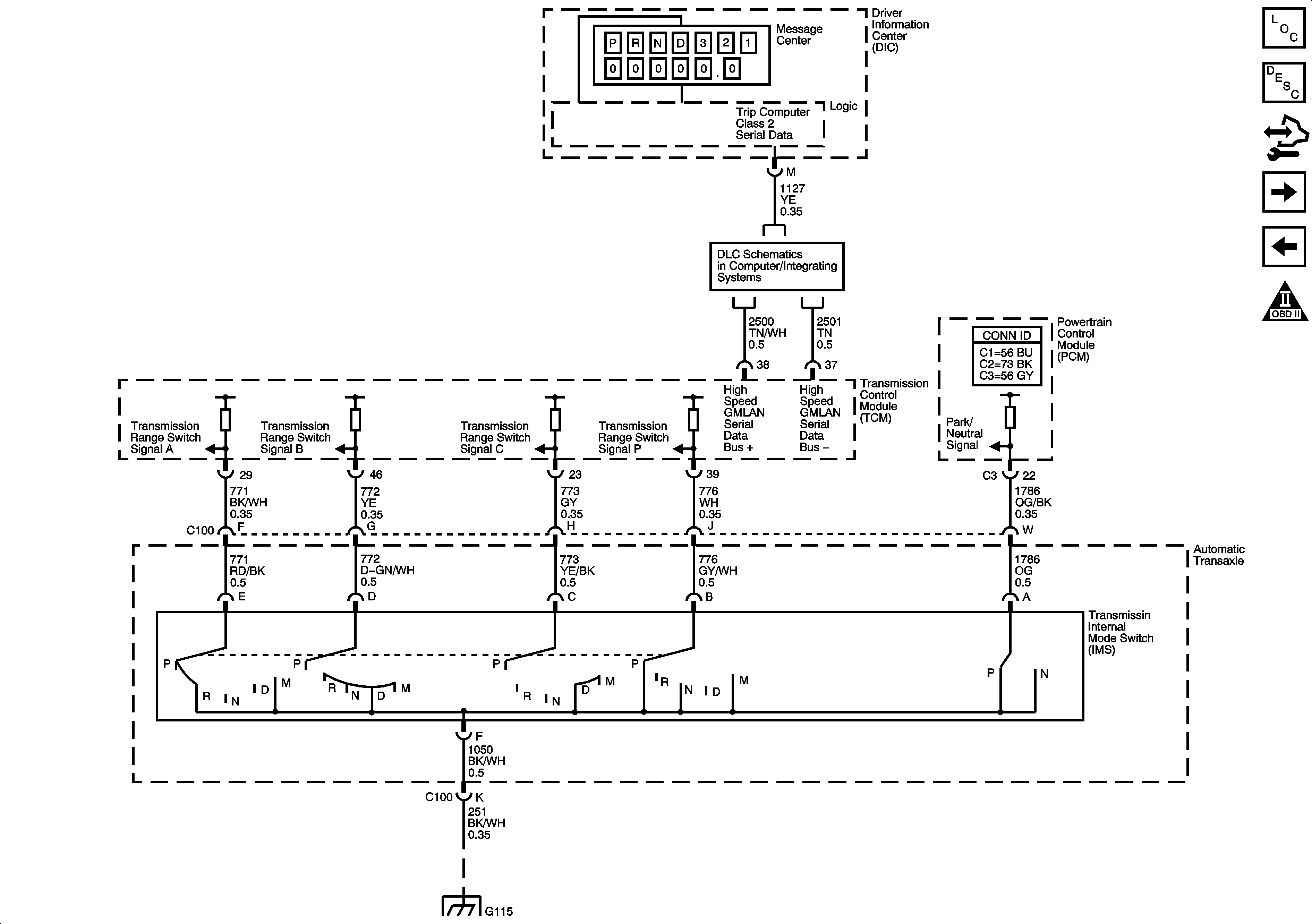
PRNDL, and IMS Switch
Tap Shift Switches, Stop Lamp Signal, TFT Sensor and TCC, Shift Solenoids
Automatic Transmission Schematic Icons
Automatic Transmission Schematic Icons
Automatic Transmission Schematic Icons
Figure 4:

PRNDL, and IMS Switch


Object Number: 1654376  Size: FS
Master Electrical Component List
Transmission General Description
Control Module References
VSS and AT ISS Sensors, Pressure Control Solenoid Valve, and TCC Release Switch
Automatic Transmission Schematic Icons
G102, G112 and G201

Automatic Transmission Controls Schematics L26, L32

Figure 1:

TAP Shift Switches, Stop Lamp Signal, TFT Sensor and TCC, Shift Solenoids


Object Number: 1654379  Size: FS
Master Electrical Component List
Transmission General Description
Control Module References
VSS and AT Sensors, Pressure Control Solenoid Valve and TCC Release Switch
Automatic Transmission Schematic Icons
ABS, TRANS SOL, PCM, SIR, DISPLAY, CRUISE SW Fuses, and CRANK Relay
ABS, TRANS SOL, PCM, SIR, DISPLAY, CRUISE SW Fuses, and CRANK Relay
Turn Signal, Hazard and Stop Lamp Outputs
Automatic Transmission Schematic Icons
Indicator, ABS, Stability, and Traction Controls
Electronic Throttle Controls
Fuse Block Underhood Bussing
Fuse Block Underhood Bussing
Automatic Transmission Schematic Icons
Figure 2:

VSS and AT ISS Sensors, Pressure Control Solenoid Valve, and TCC Release Switch


Object Number: 1654383  Size: FS
Master Electrical Component List
Transmission General Description
Control Module References
PRNDL and IMS Switch
TAP Shift Switches, StopLamp Signal, TFT Sensor and TCC Shift Solenoids
Automatic Transmission Schematic Icons
Automatic Transmission Schematic Icons
Automatic Transmission Schematic Icons
Figure 3:

PRNDL, and IMS Switch


Object Number: 1654386  Size: FS
Master Electrical Component List
Transmission General Description
Control Module References
VSS and AT Sensors, Pressure Control Solenoid Valve and TCC Release Switch
Automatic Transmission Schematic Icons
L26/L32
G101, G112 (L26/L32), and G113 (L26/L32)