GM Service Manual Online
For 1990-2009 cars only
Makes
🢒
Pontiac
🢒
2006
🢒
Grand Prix
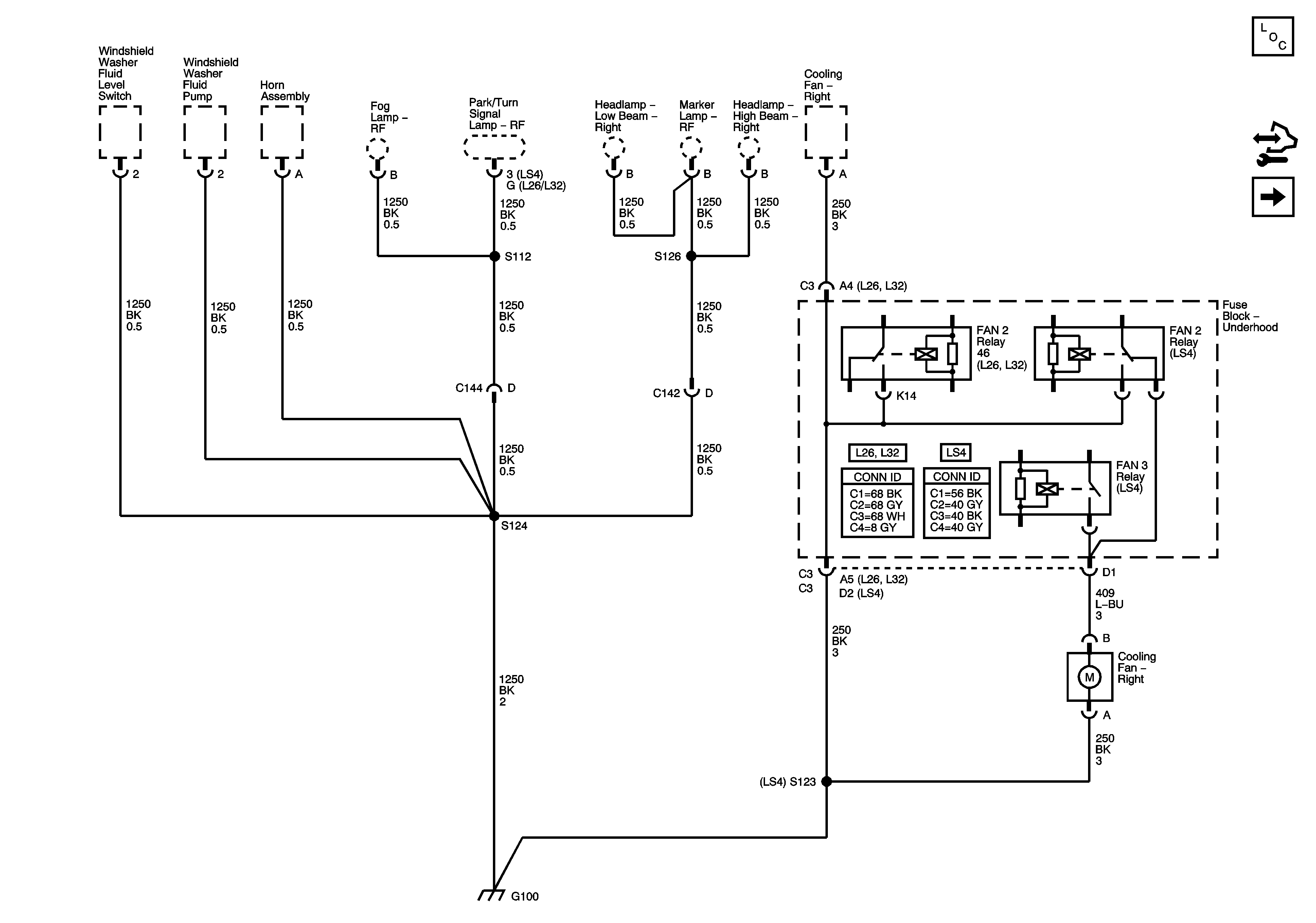
🢒 G100
G100
G100
Master Electrical Component List
Control Module References
G101, G112 (L26/L32), and G113 (L26/L32)