GM Service Manual Online
For 1990-2009 cars only
Makes
🢒
Pontiac
🢒
2006
🢒
Grand Prix
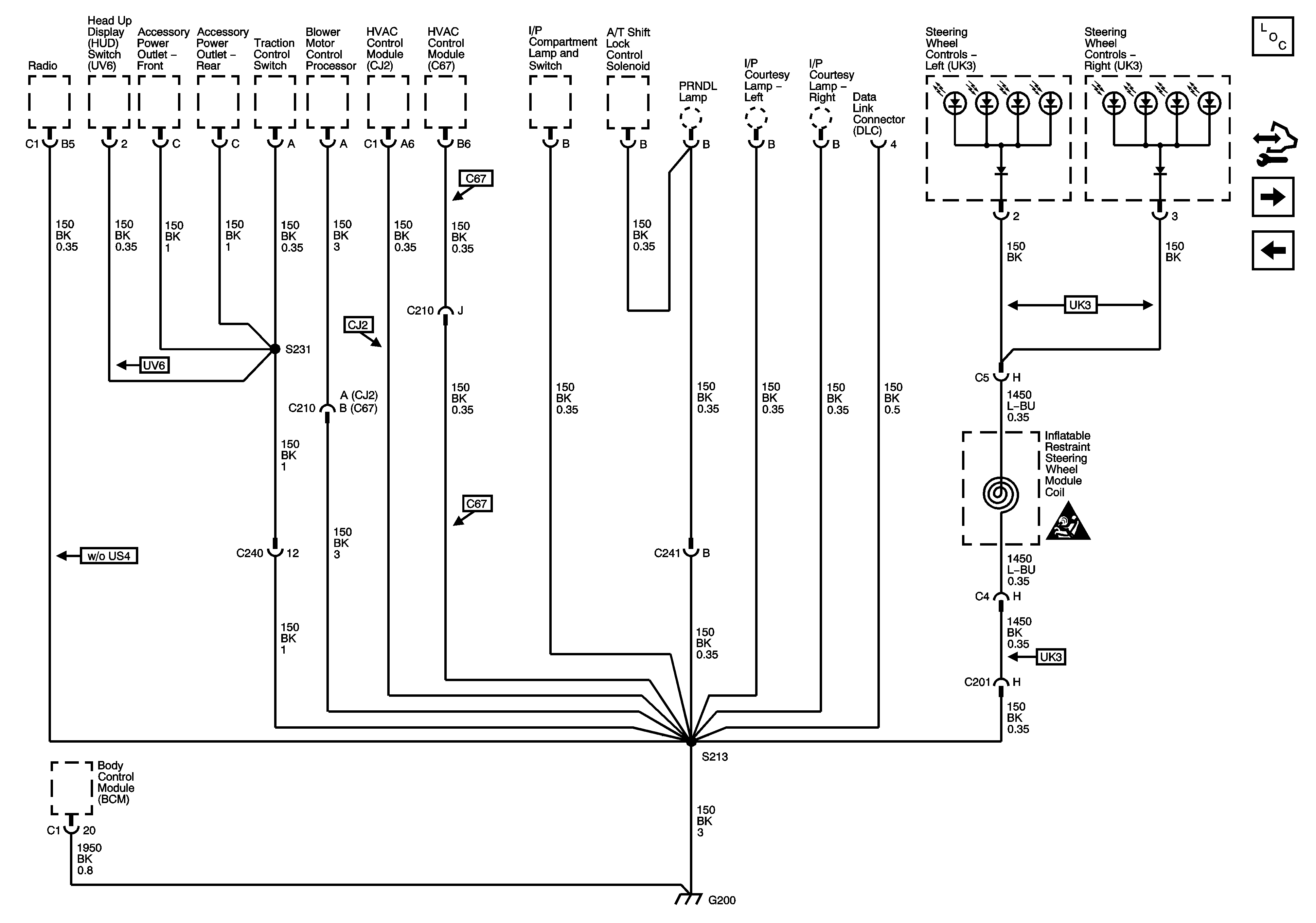
🢒 G200
G200
G200
Master Electrical Component List
Control Module References
G202
G102, G112 and G201
Power and Grounding Schematic Icons