GM Service Manual Online
For 1990-2009 cars only
Makes
🢒
Pontiac
🢒
2006
🢒
Grand Prix
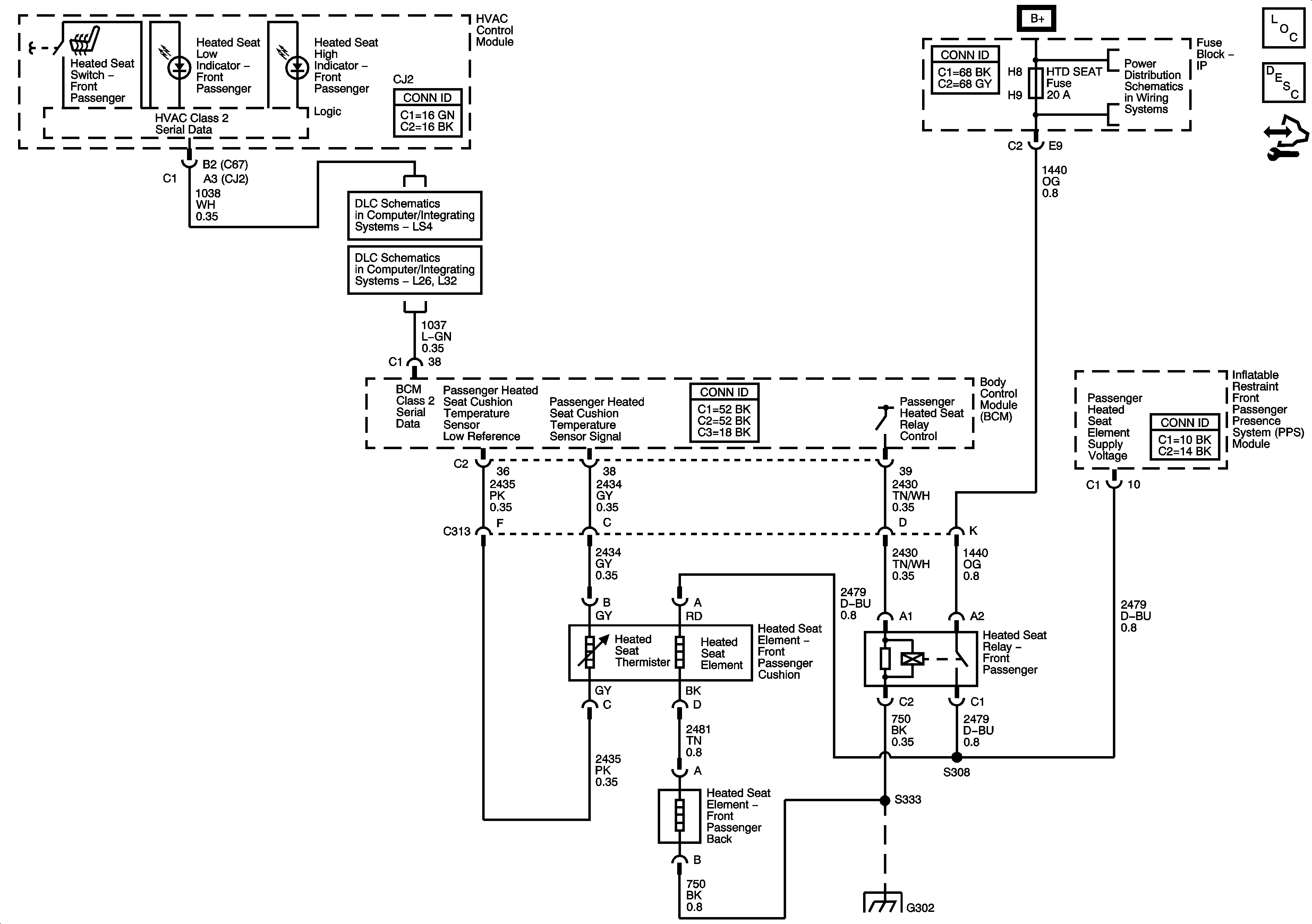
🢒 Heat Control- Passenger
Heat Control- Passenger
Master Electrical Component List
Power Seats System Description and Operation
Control Module References
LS4
L26/L32
G302