GM Service Manual Online
For 1990-2009 cars only
Makes
🢒
Pontiac
🢒
2006
🢒
Grand Prix
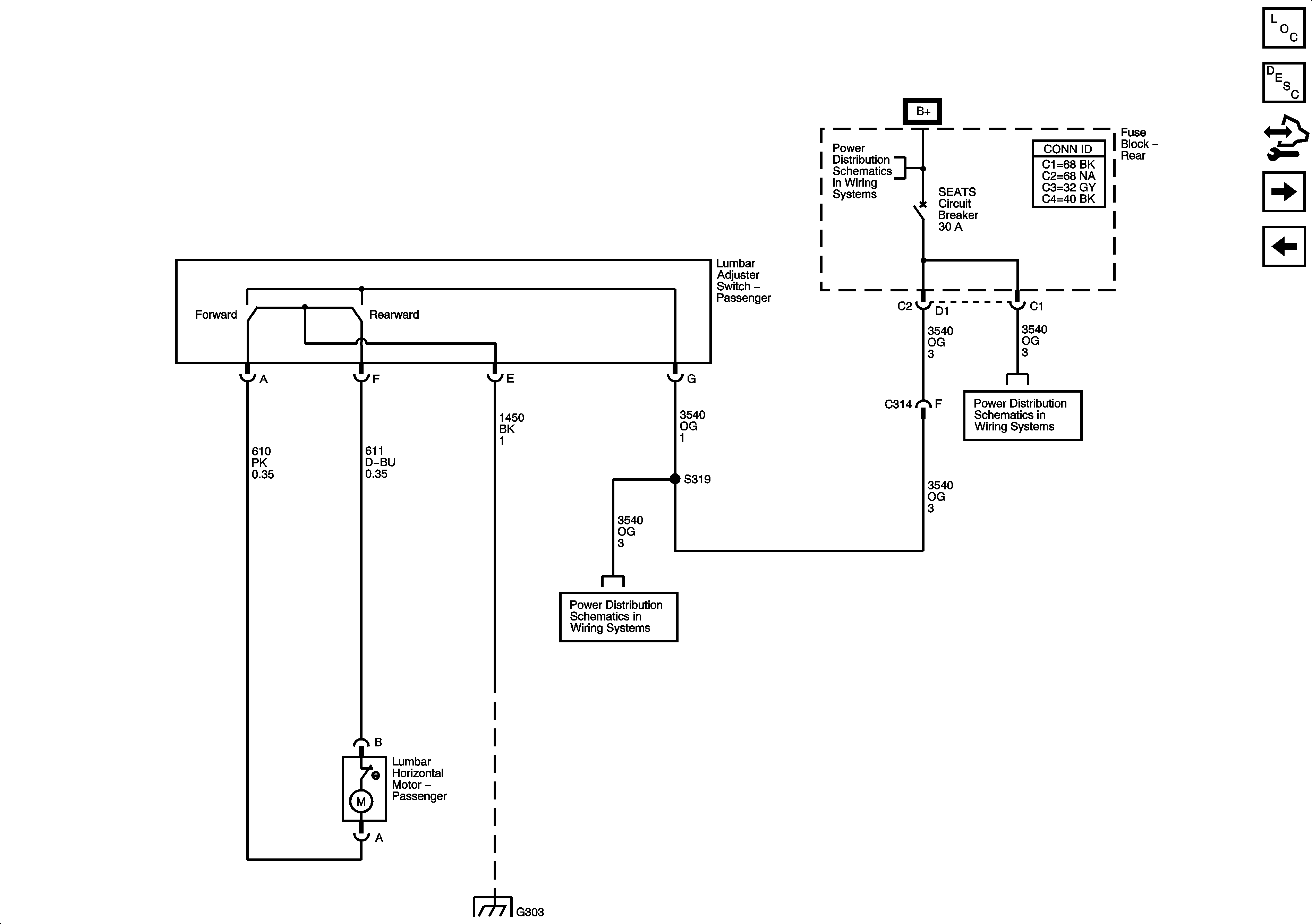
🢒 Lumbar Controls
Lumbar Controls
Lumbar Controls
Master Electrical Component List
Lumbar Support Description and Operation
Control Module References
Heat Controls
Power Seat Controls
B+ Bus - Rear Fuse Block
AMP, DDM, PDM Fuses, LT DRS, RT DRS, and SEATS Circuit Breakers
AMP, DDM, PDM Fuses, LT DRS, RT DRS, and SEATS Circuit Breakers
G302 - 1 of 2, G303, and G304