GM Service Manual Online
For 1990-2009 cars only
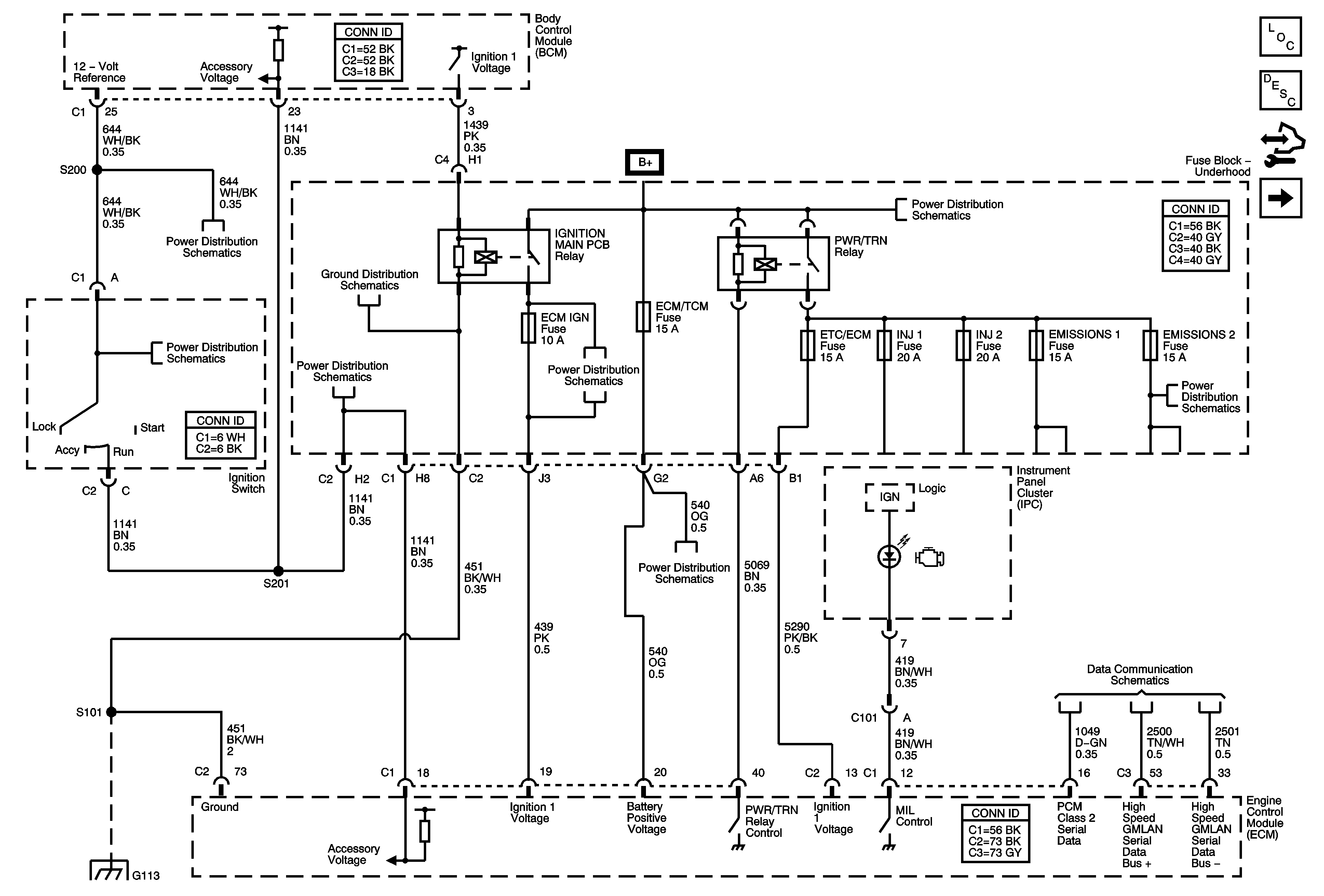
Figure 1:

PCM Power, Ground, MIL, and Serial Data


Object Number: 1798076  Size: FS
Master Electrical Component List
Control Module References
Figure 2:

5-Volt and Low Reference Bussing


Object Number: 1798079  Size: FS
Master Electrical Component List
Control Module References
Figure 3:

MAP, ECT, and MAF/IAT Sensors


Object Number: 1798083  Size: FS
Master Electrical Component List
Control Module References
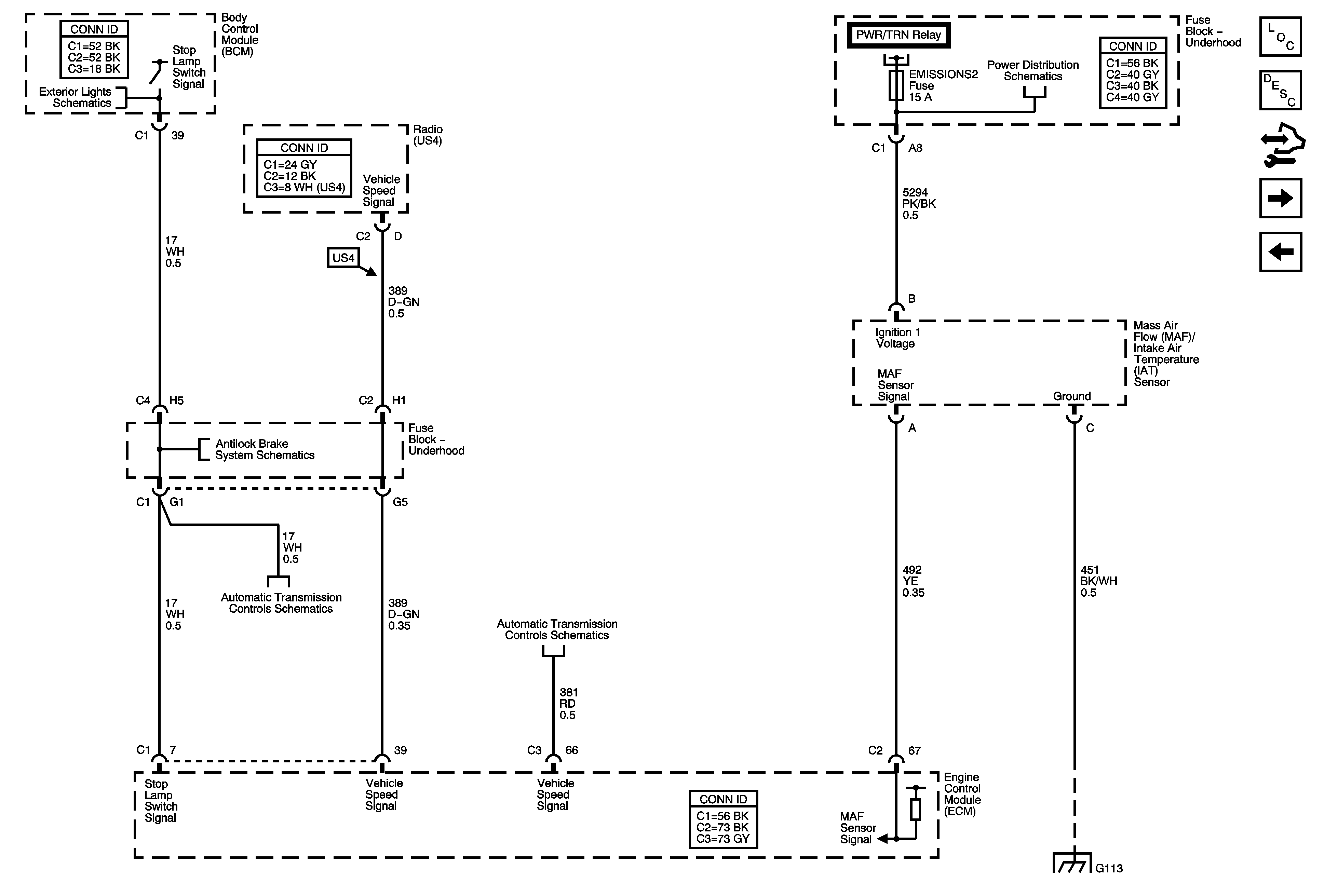
Figure 4:

MAF/IAT Sensor, Stop Lamp Switch Signal and VSS


Object Number: 1798085  Size: FS
Master Electrical Component List
Control Module References
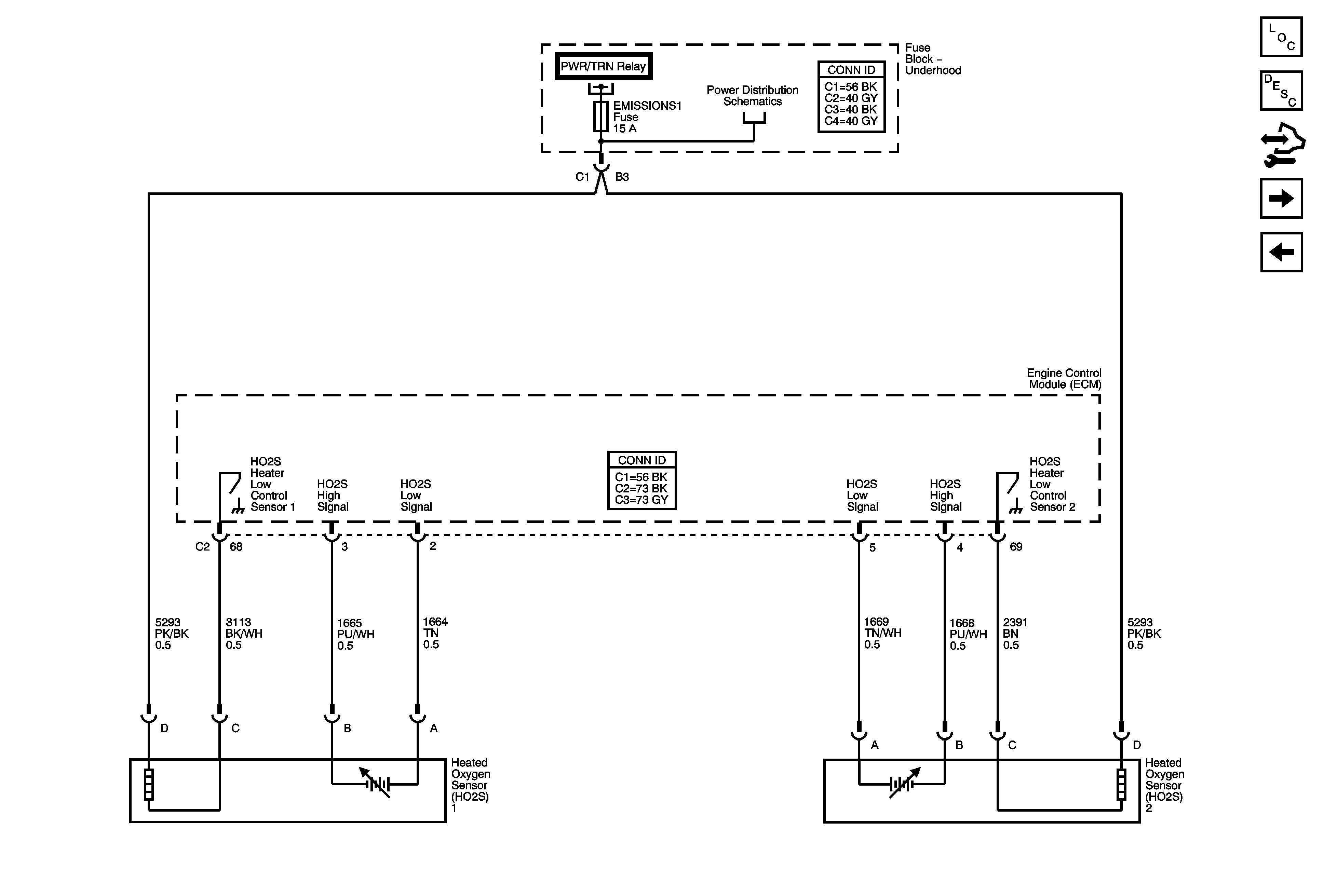
Figure 5:

Heated Oxygen Sensors


Object Number: 1798093  Size: FS
Master Electrical Component List
Control Module References
Figure 6:

Electronic Throttle Controls


Object Number: 1798097  Size: FS
Master Electrical Component List
Control Module References
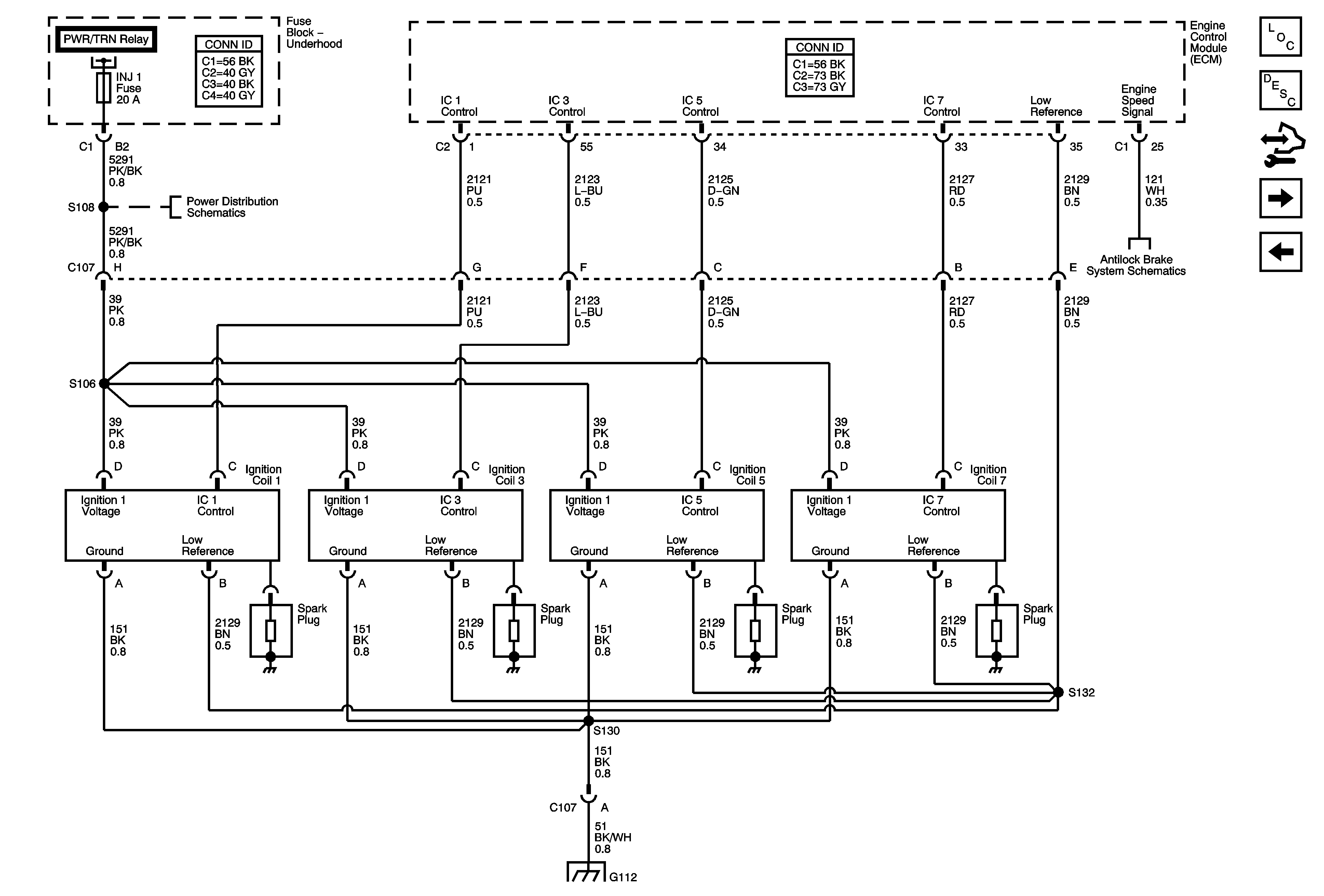
Figure 7:

Ignition Controls Bank 1 (Odd) Ignition Coils


Object Number: 1798098  Size: FS
Master Electrical Component List
Control Module References
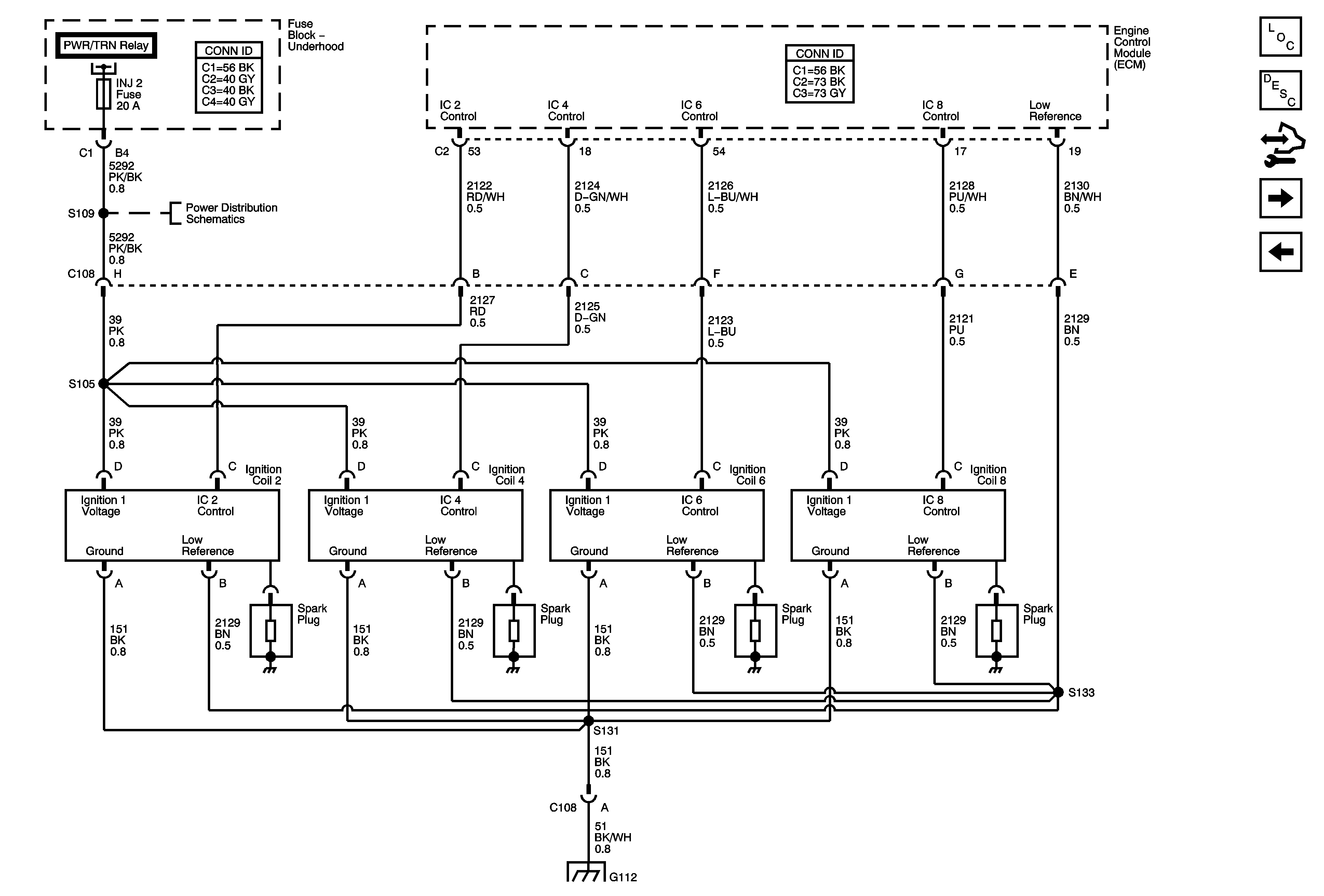
Figure 8:

Ignition Controls Bank 2 (Even) Ignition Coils


Object Number: 1798101  Size: FS
Master Electrical Component List
Control Module References
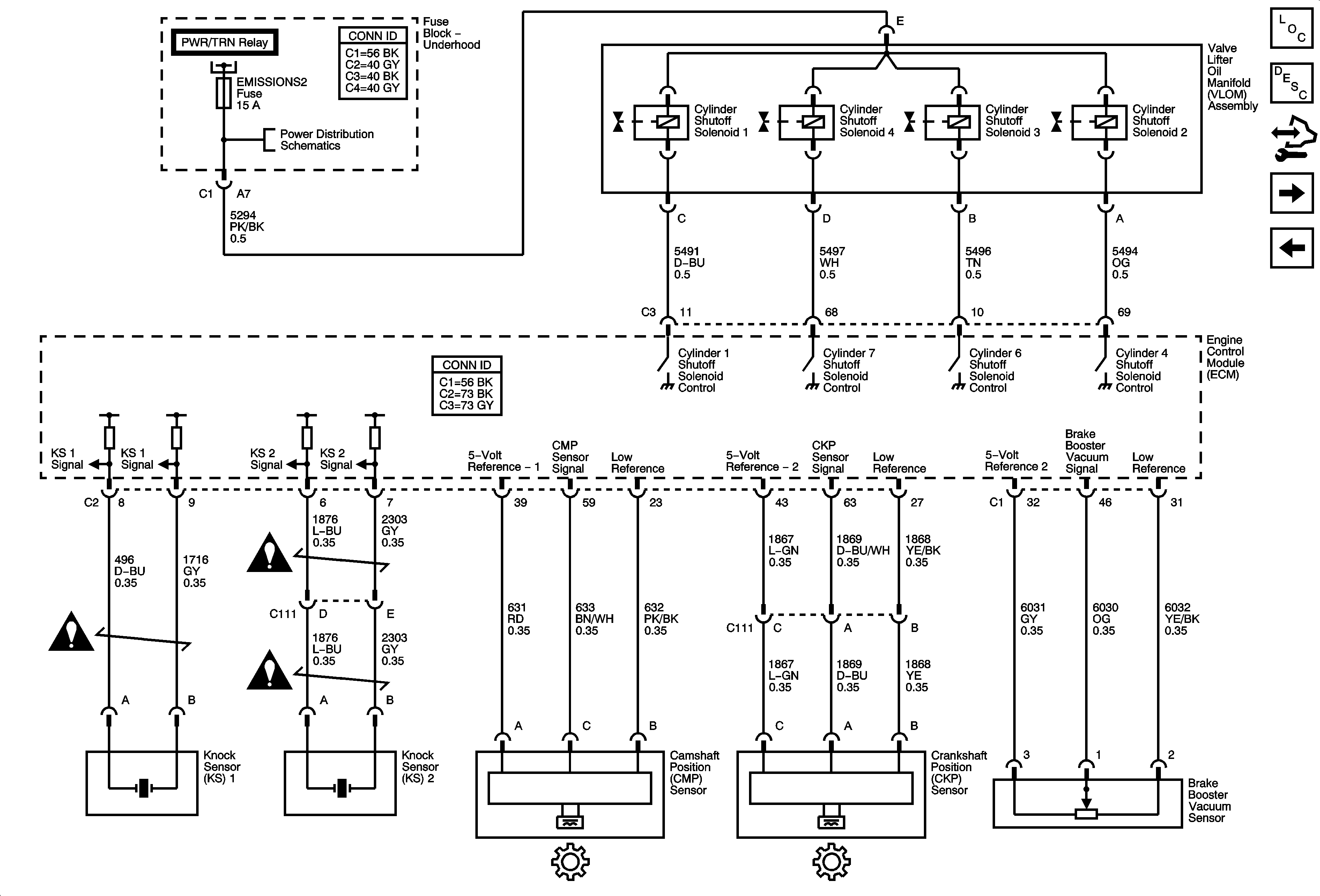
Figure 9:

Ignition Controls Knock, CMP, CKP, Brake Booster Vacuum Sensors and Valve Lifter Oil Manifold Assembly


Object Number: 1798102  Size: FS
Master Electrical Component List
Control Module References
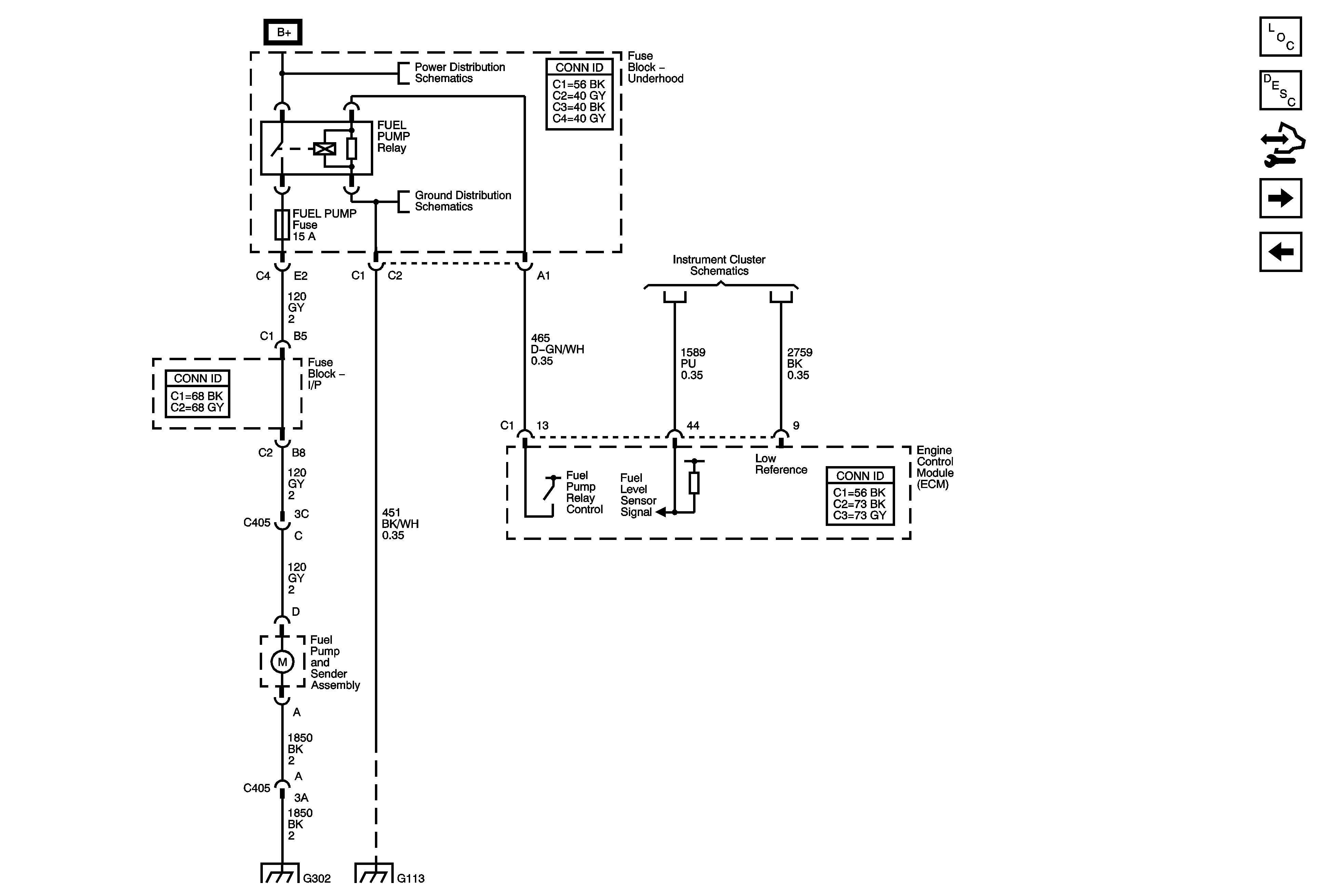
Figure 10:

Fuel Pump Controls


Object Number: 1798105  Size: FS
Master Electrical Component List
Control Module References
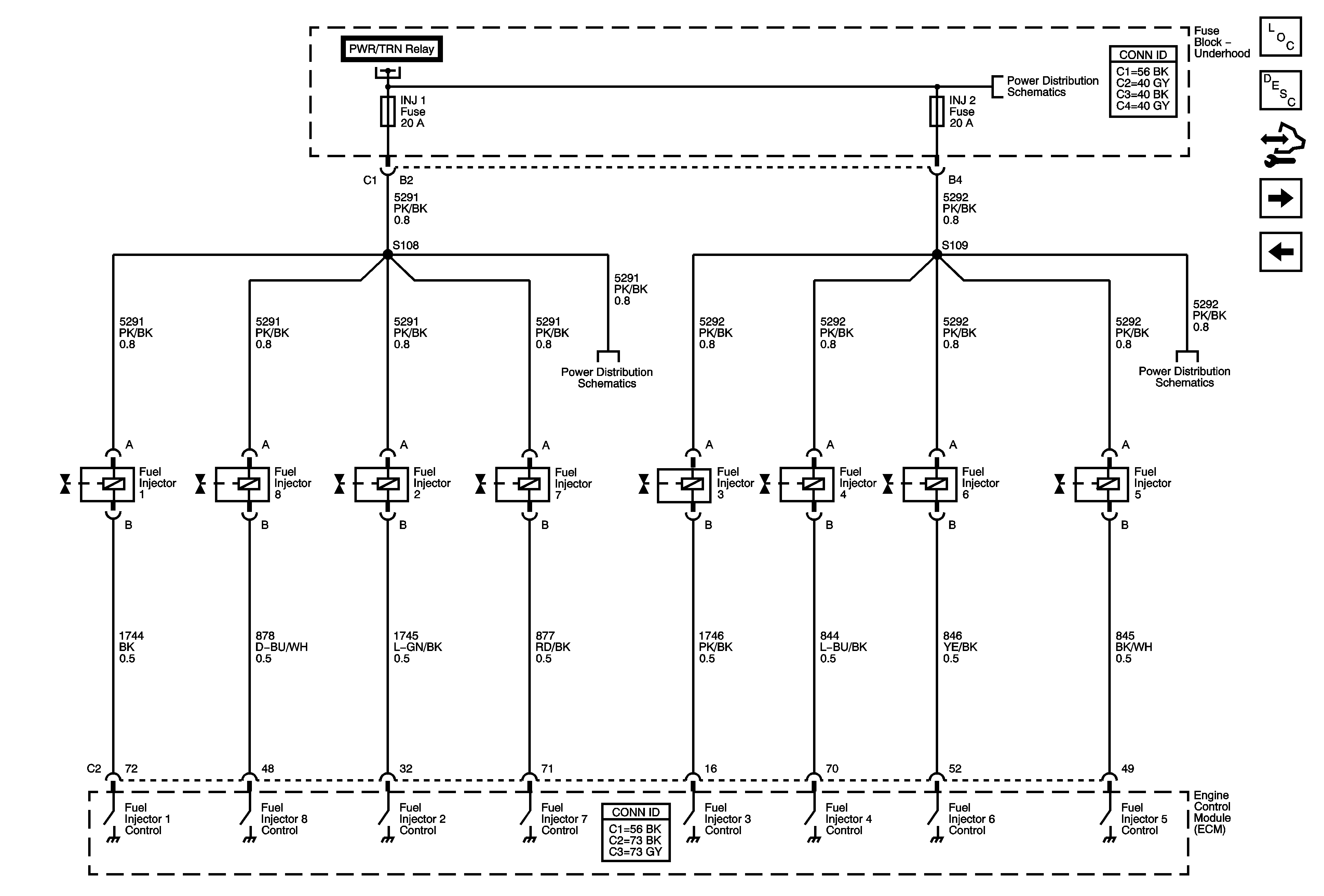
Figure 11:

Fuel Injectors


Object Number: 1798106  Size: FS
Master Electrical Component List
Control Module References
Figure 12:

EVAP Solenoids and FTP Sensor


Object Number: 1798114  Size: FS
Master Electrical Component List
Control Module References
Figure 13:

Controlled/Monitored Subsystem References


Object Number: 1798160  Size: FS
Master Electrical Component List
Control Module References