GM Service Manual Online
For 1990-2009 cars only
Figure 1:

Power, Ground, and References


Object Number: 1800139  Size: FS
Master Electrical Component List
Control Module References
Figure 2:

Radio to Speakers - UW6


Object Number: 1800150  Size: FS
Master Electrical Component List
Control Module References
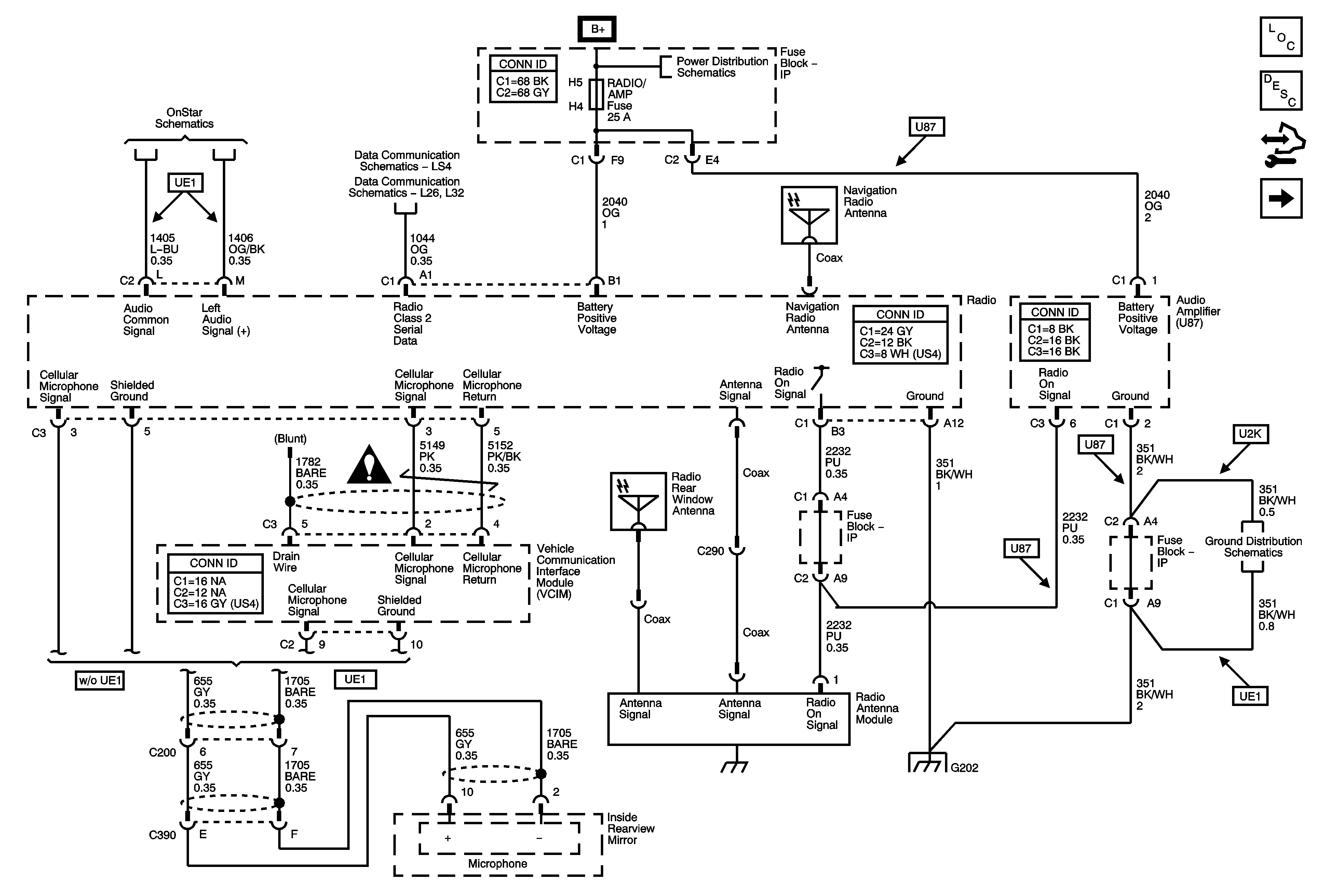
Figure 3:

Audio Signal Communication (U87/U88)


Object Number: 1800154  Size: FS
Master Electrical Component List
Control Module References
Figure 4:

Speakers - Front (U87/U88)


Object Number: 1800158  Size: FS
Master Electrical Component List
Control Module References
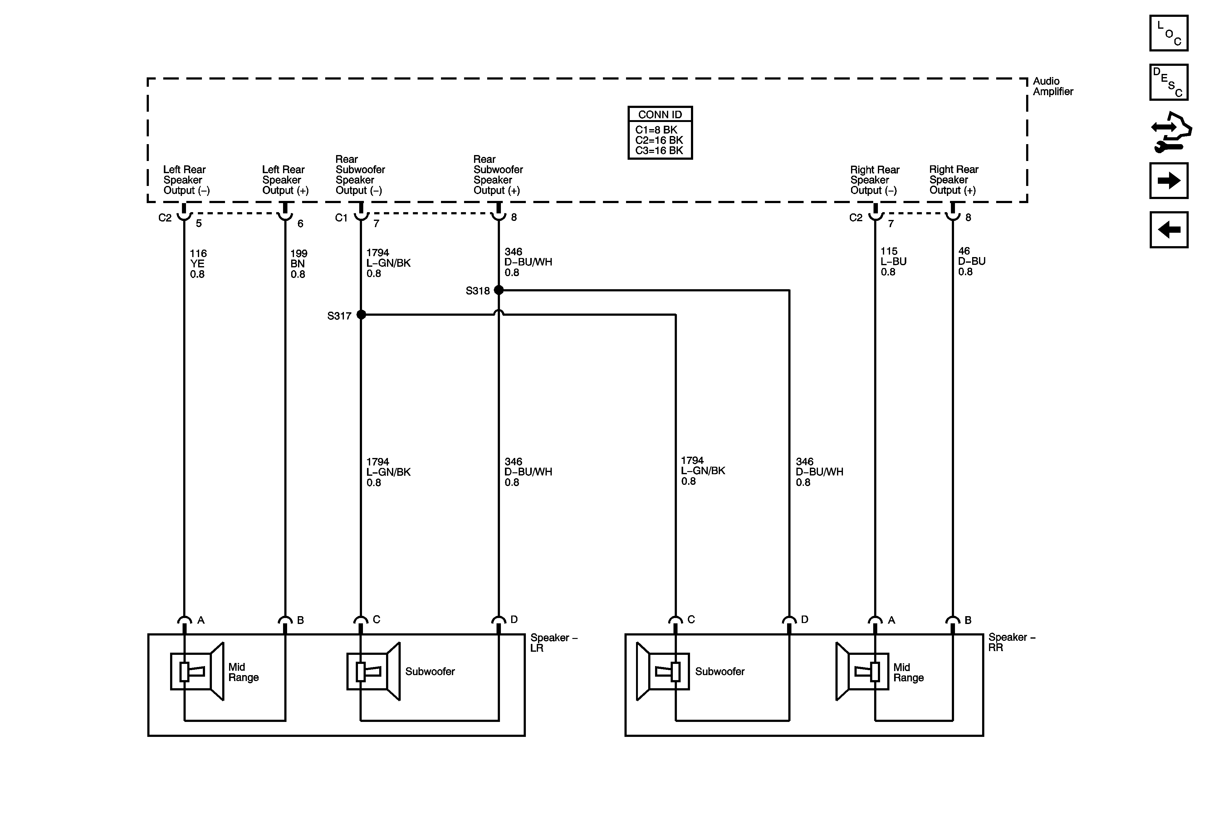
Figure 5:

Speakers - Rear (U87/U88)


Object Number: 1800160  Size: FS
Master Electrical Component List
Control Module References
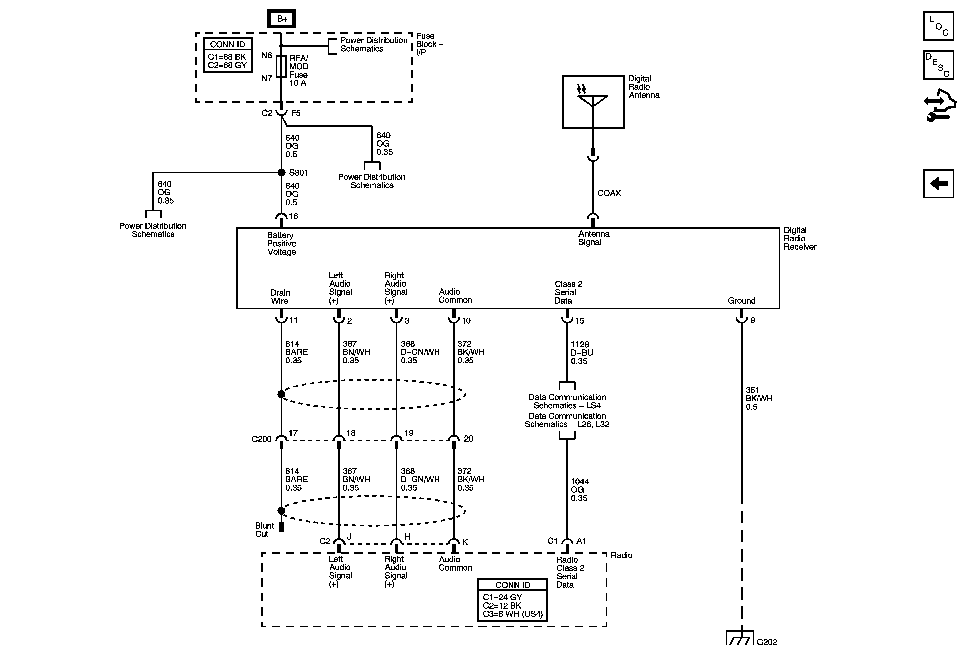
Figure 6:

Satellite Radio - U2K


Object Number: 1800161  Size: FS
Master Electrical Component List
Control Module References