GM Service Manual Online
For 1990-2009 cars only
Makes
🢒
Pontiac
🢒
2007
🢒
Grand Prix
🢒
Diagnostic Navigation
🢒
Vehicle Diagnostic Information
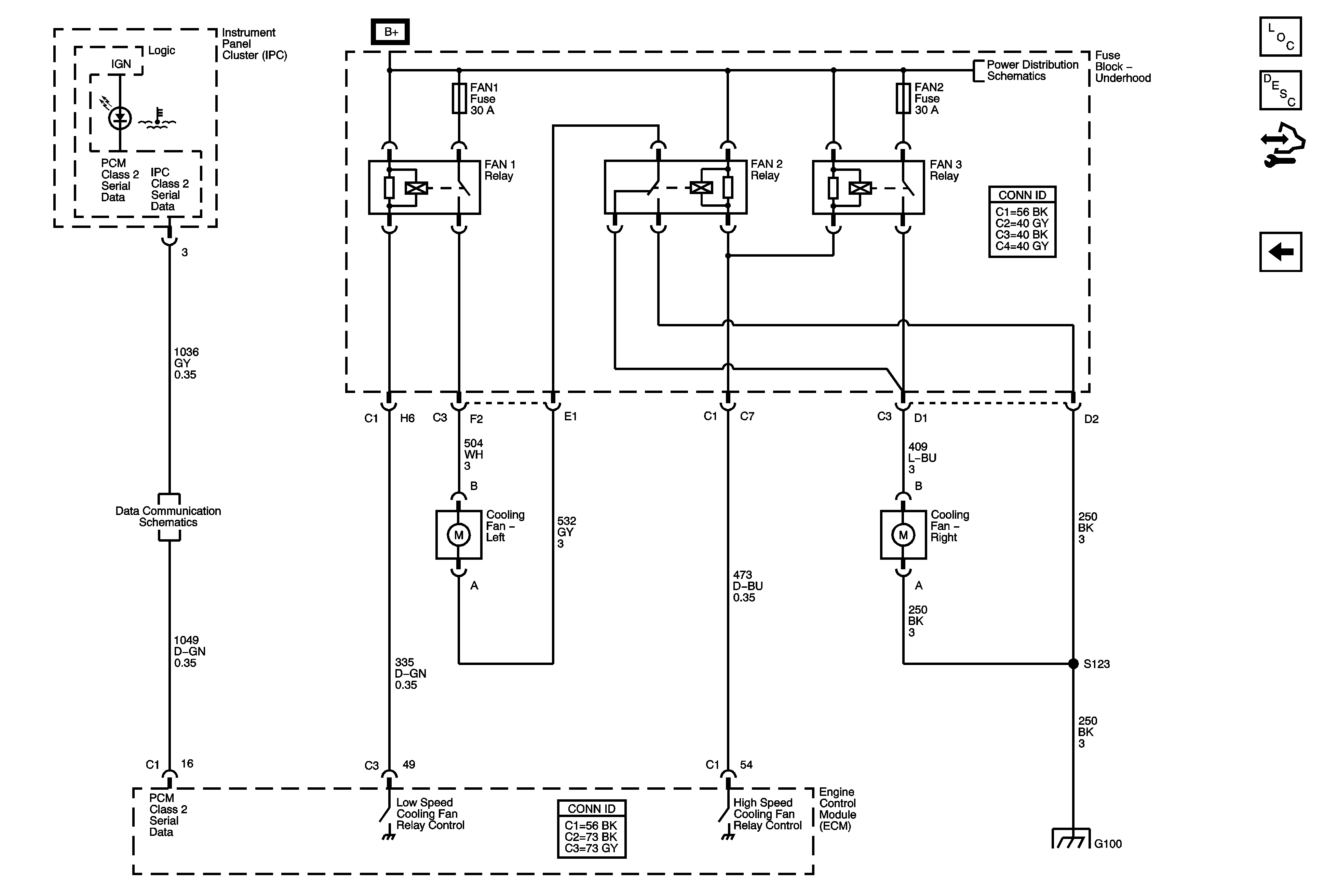
🢒 Engine Cooling Schematics
Figure
1:
L26, L32
Master Electrical Component List
Control Module References
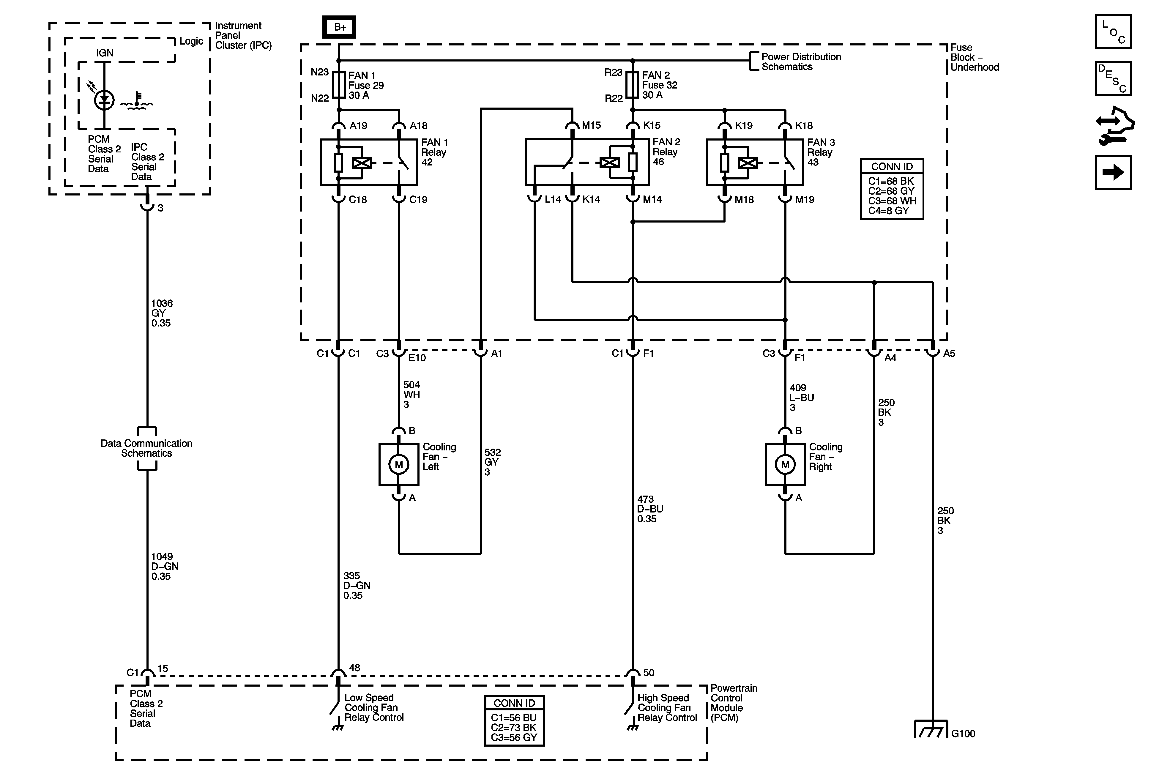
Figure
2:
LS4
Master Electrical Component List
Control Module References