GM Service Manual Online
For 1990-2009 cars only
Makes
🢒
Pontiac
🢒
2007
🢒
Grand Prix
🢒
Body Systems
🢒
Lighting
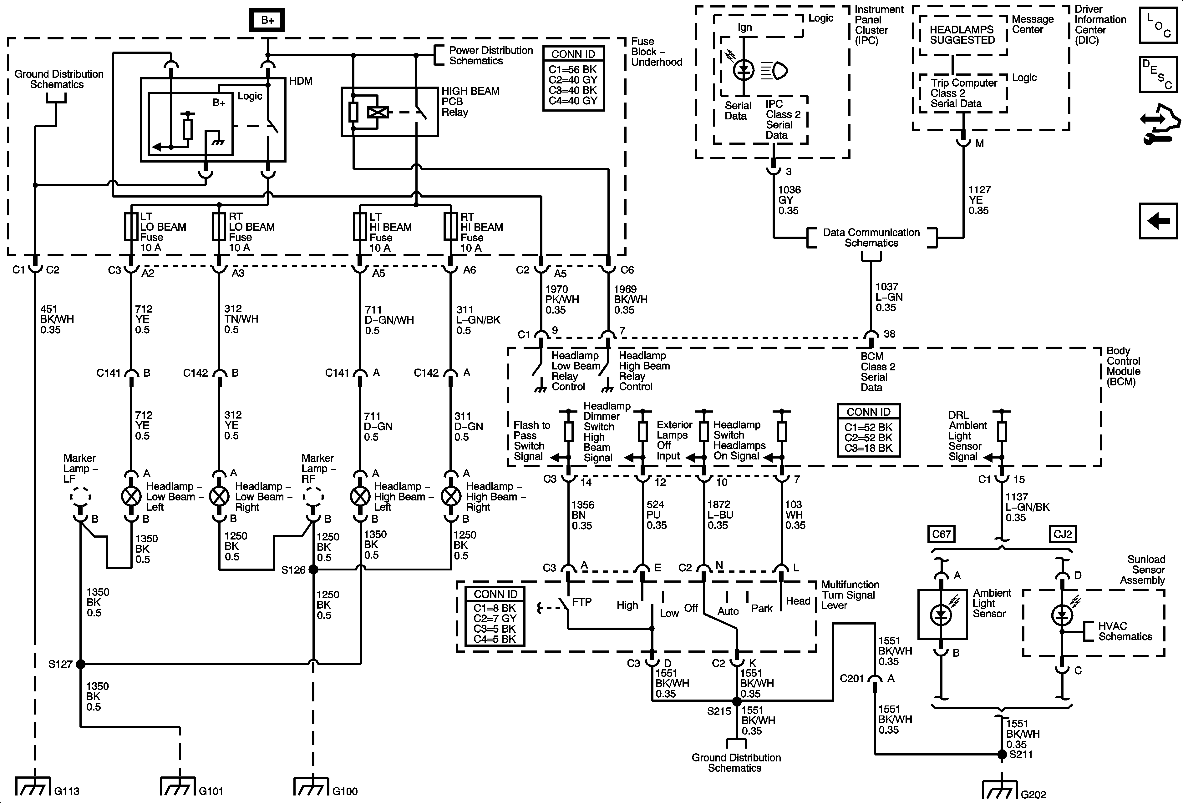
🢒 Headlights/Daytime Running Lights (DRL) Schematics
Figure
1:
L26 and L32
Master Electrical Component List
Control Module References
Figure
2:
LS4
Master Electrical Component List
Control Module References