GM Service Manual Online
For 1990-2009 cars only
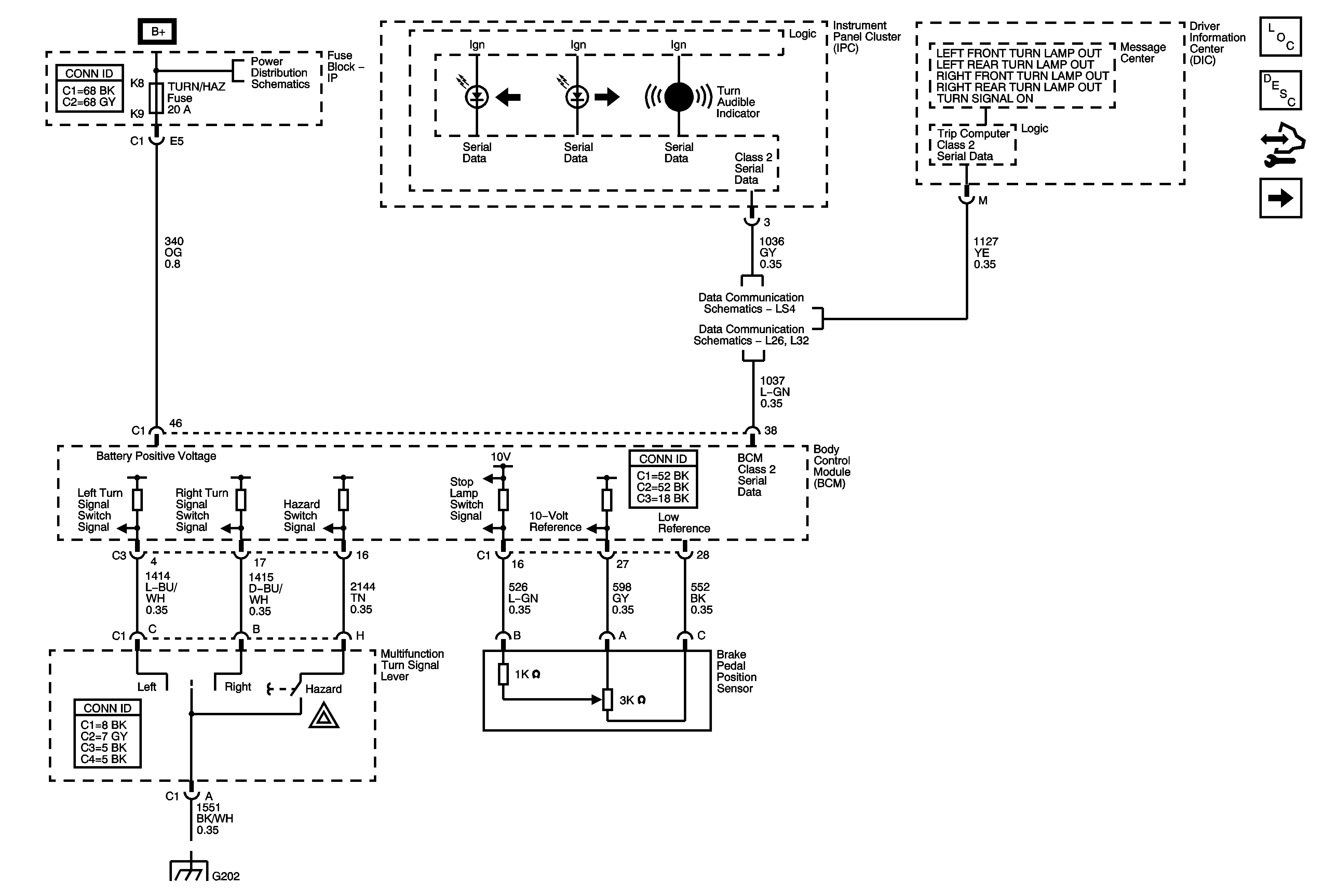
Figure 1:

Turn Signal, Hazard, and Stop Lamps Inputs


Object Number: 1798450  Size: FS
Master Electrical Component List
Control Module References
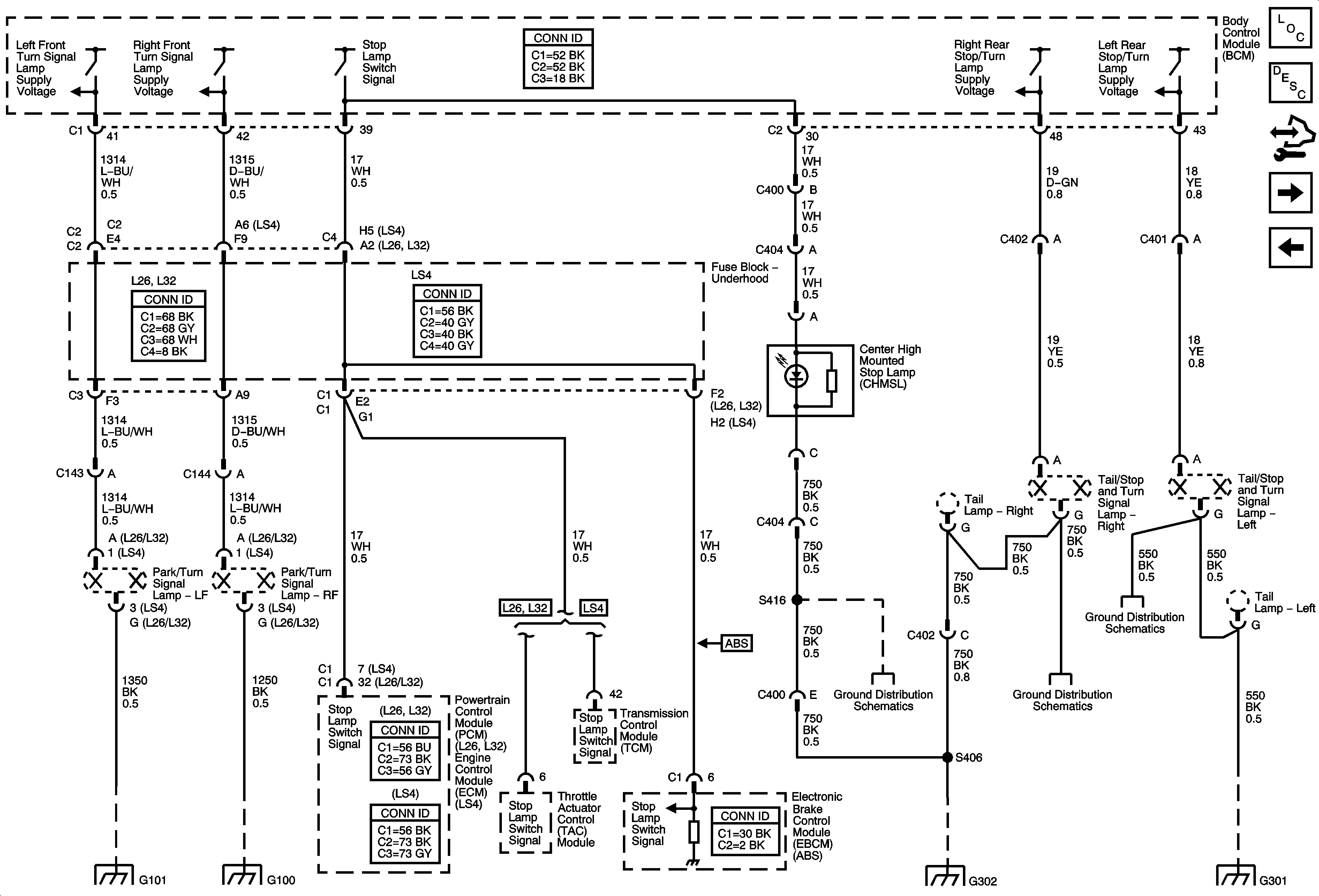
Figure 2:

Turn Signal, Hazard, and Stop Lamps Outputs


Object Number: 1798452  Size: FS
Master Electrical Component List
Control Module References
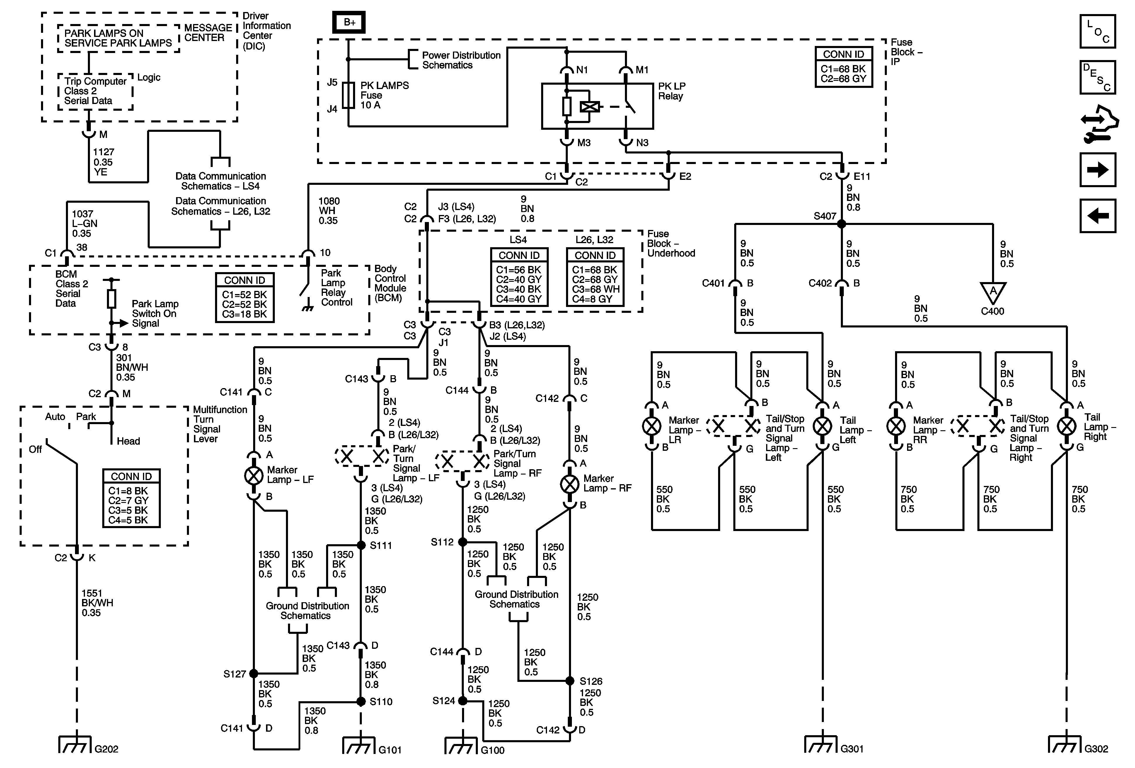
Figure 3:

Park Lamps


Object Number: 1798453  Size: FS
Master Electrical Component List
Control Module References
Figure 4:

Backup and License Lamps


Object Number: 1798455  Size: FS
Master Electrical Component List
Control Module References