GM Service Manual Online
For 1990-2009 cars only
Makes
🢒
Pontiac
🢒
2007
🢒
Grand Prix
🢒
Body Systems
🢒
Wipers and Washers
🢒 Wiper/Washer Schematics
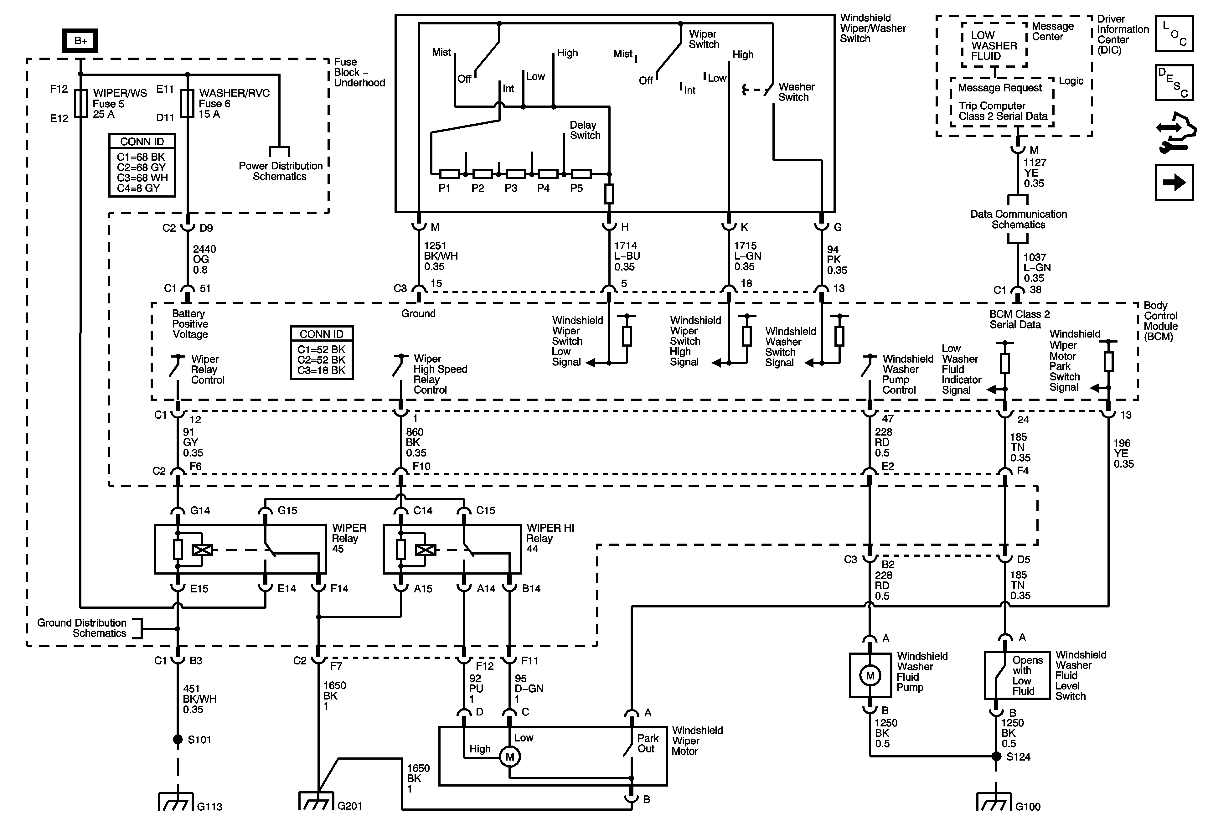
Figure
1:
L26, L32
Master Electrical Component List
Control Module References
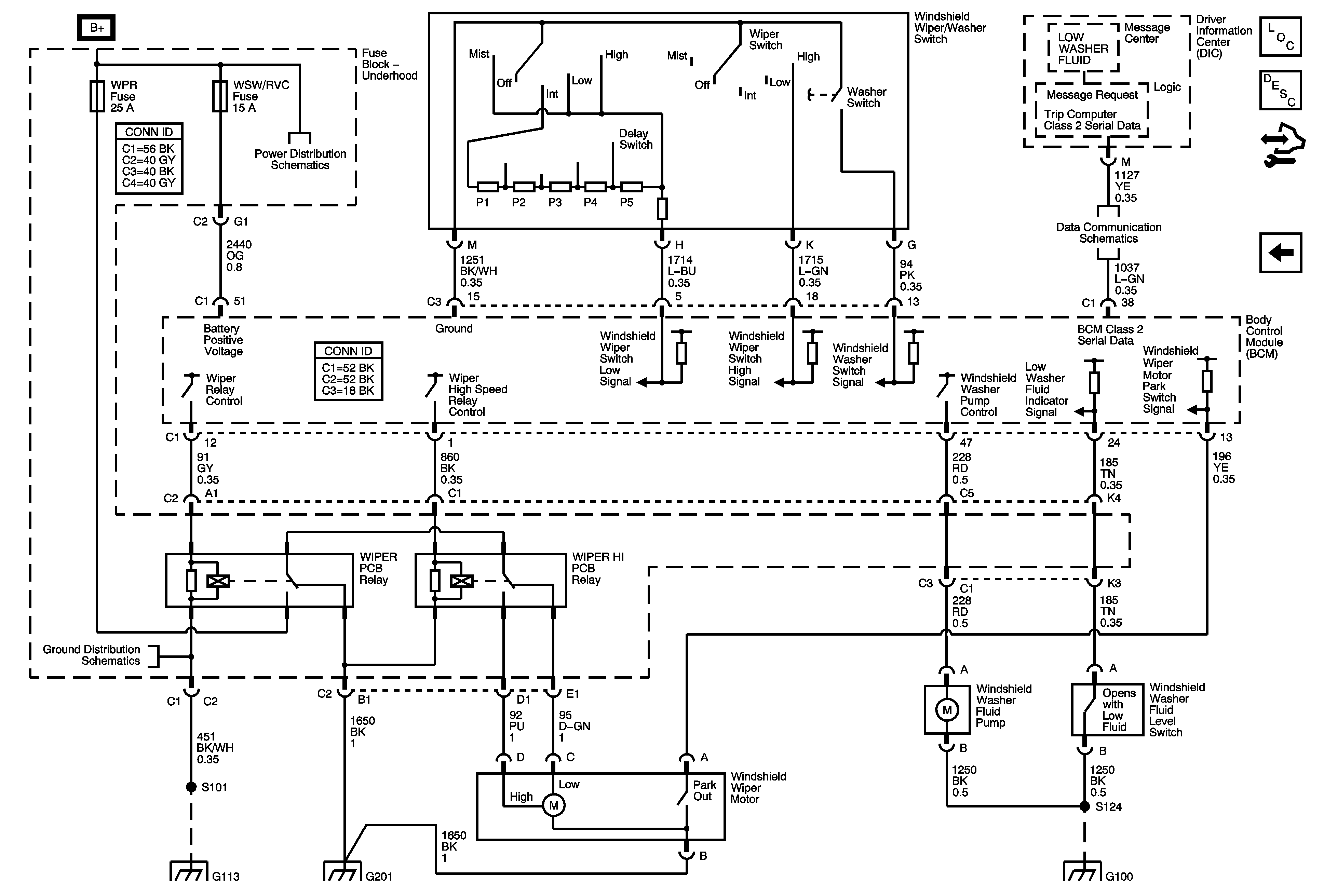
Figure
2:
LS4
Master Electrical Component List
Control Module References