GM Service Manual Online
For 1990-2009 cars only
Makes
🢒
Pontiac
🢒
2007
🢒
Grand Prix
🢒
Brakes
🢒
Hydraulic Brakes
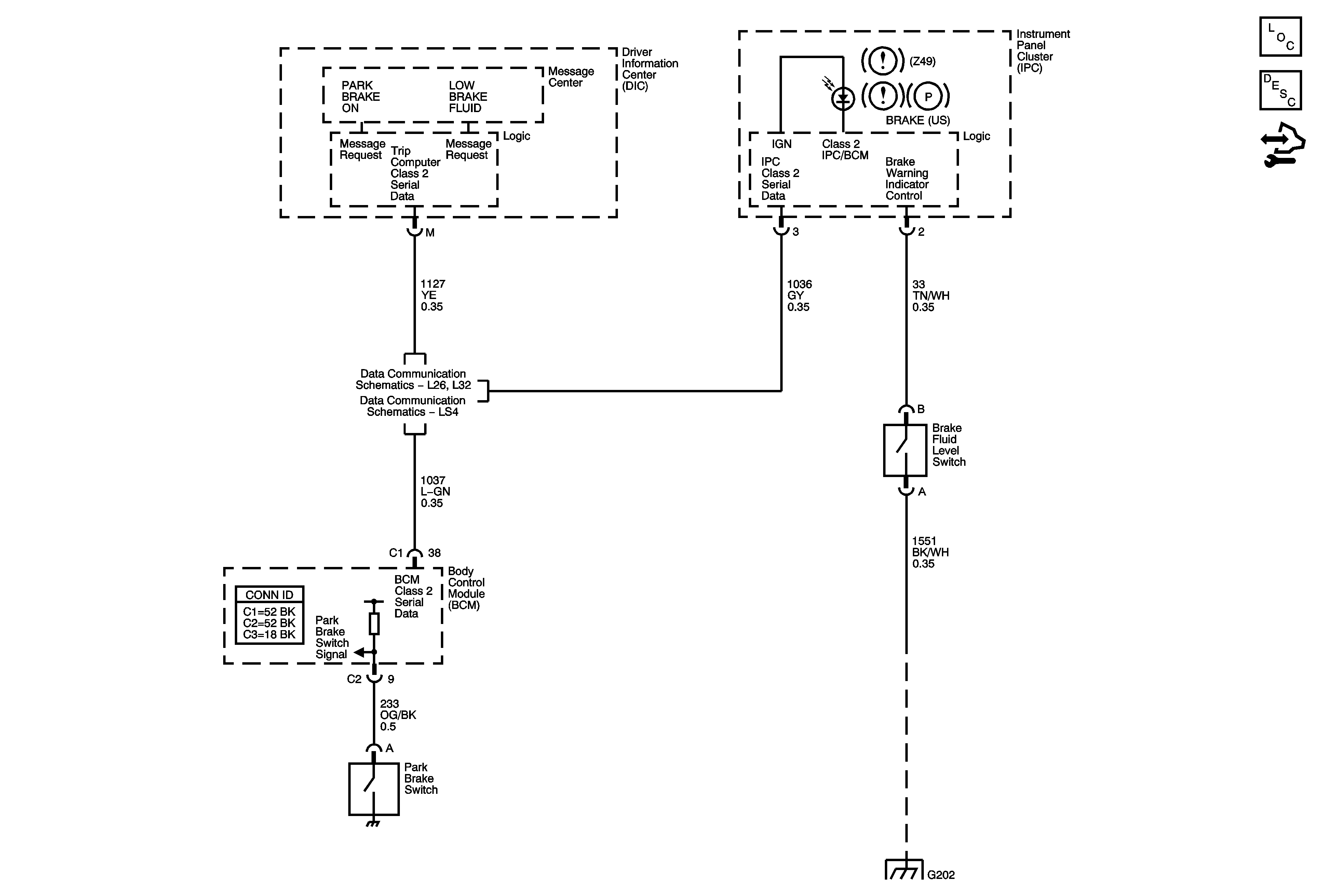
🢒 Hydraulic Brake Schematics
Master Electrical Component List
Control Module References