GM Service Manual Online
For 1990-2009 cars only
Makes
🢒
Pontiac
🢒
2007
🢒
Grand Prix
🢒
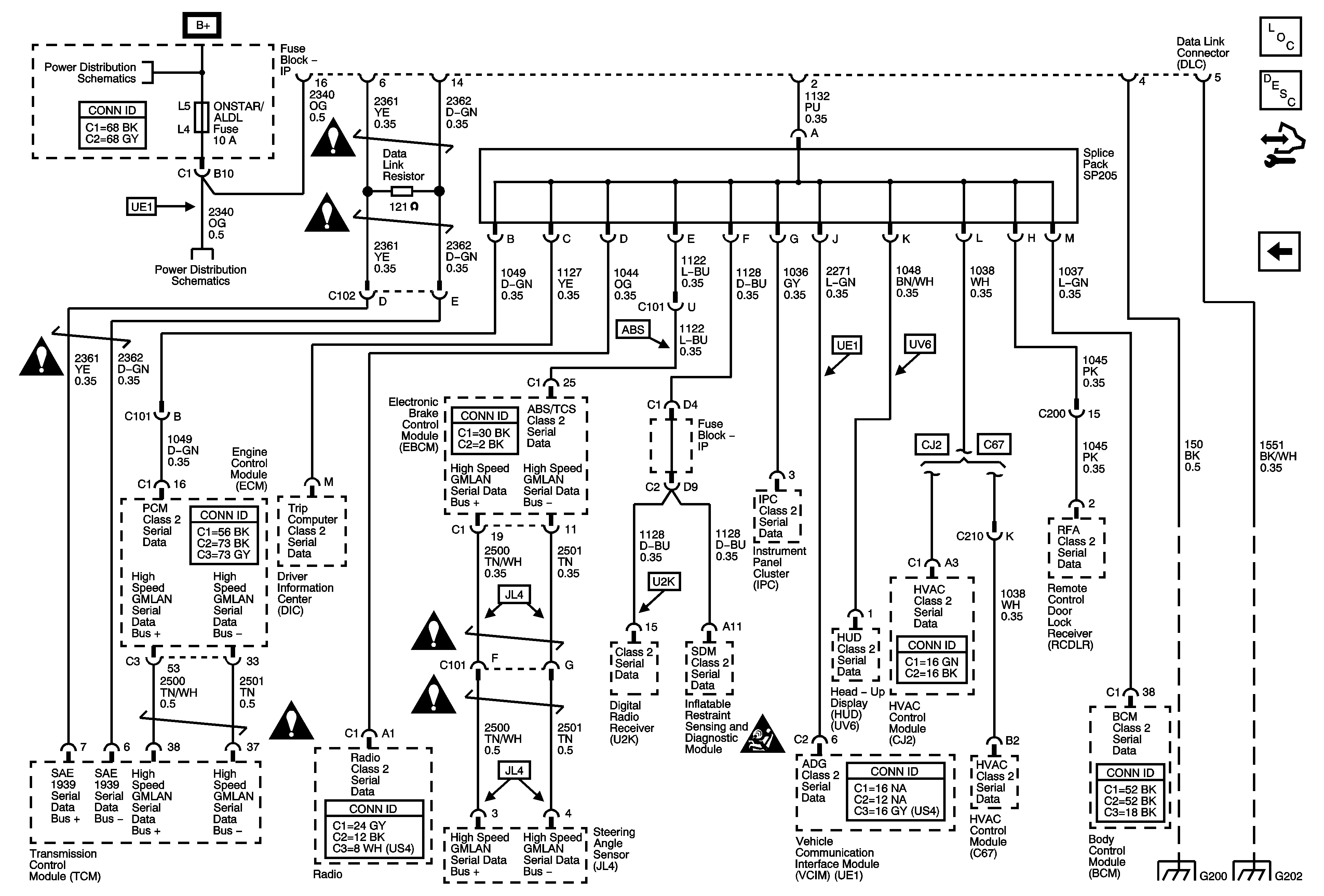
Power and Signal Distribution
🢒
Data Communications
🢒 Data Communication Schematics
Figure
1:
L26/L32
Master Electrical Component List
Control Module References
Figure
2:
LS4
Master Electrical Component List
Control Module References