GM Service Manual Online
For 1990-2009 cars only
Makes
🢒
Pontiac
🢒
2007
🢒
Grand Prix
🢒
Seats
🢒
Seat Heating and Cooling
🢒 Heated/Cooled Seat Schematics
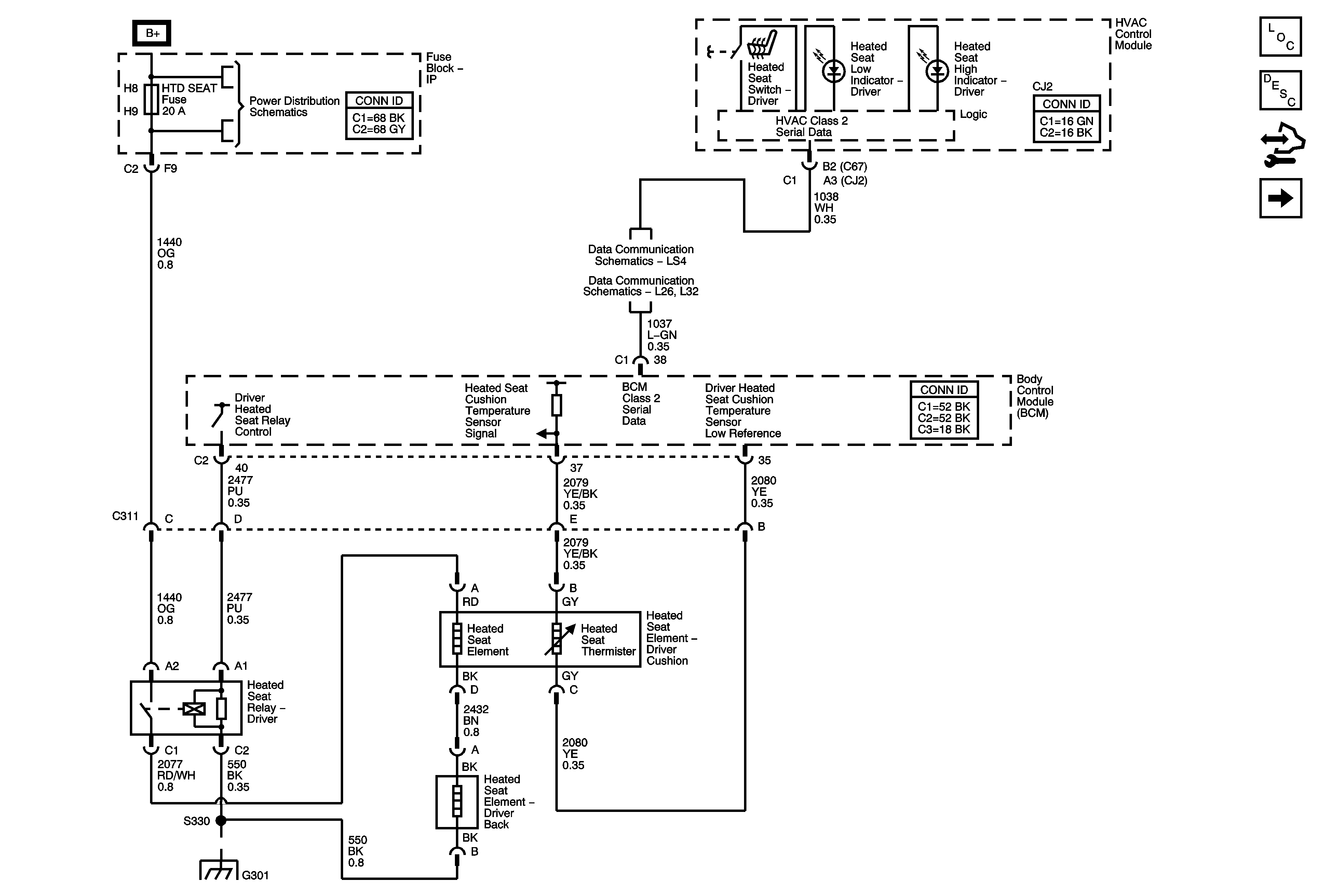
Figure
1:
Heat Controls - Driver
Master Electrical Component List
Control Module References
Figure
2:
Heat Controls - Passenger
Master Electrical Component List
Control Module References