GM Service Manual Online
For 1990-2009 cars only
Makes
🢒
Pontiac
🢒
2007
🢒
Grand Prix
🢒
Safety and Security
🢒
Seat Belts
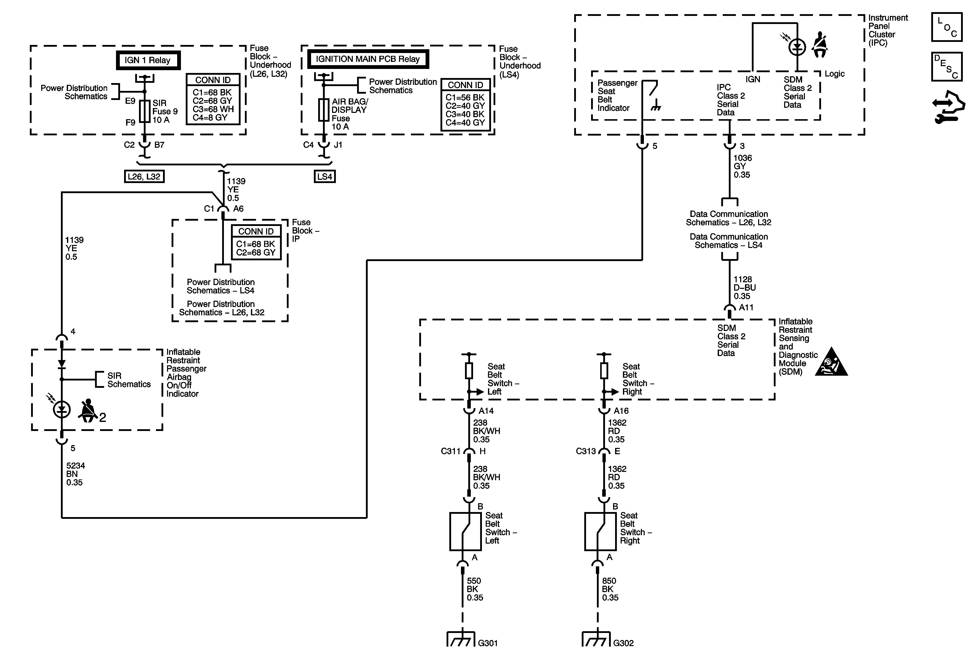
🢒 Seat Belt Schematics
Master Electrical Component List
Control Module References