GM Service Manual Online
For 1990-2009 cars only
Makes
🢒
Pontiac
🢒
2008
🢒
Grand Prix
🢒
Engine
🢒
Engine Electrical
🢒 Starting and Charging Schematics
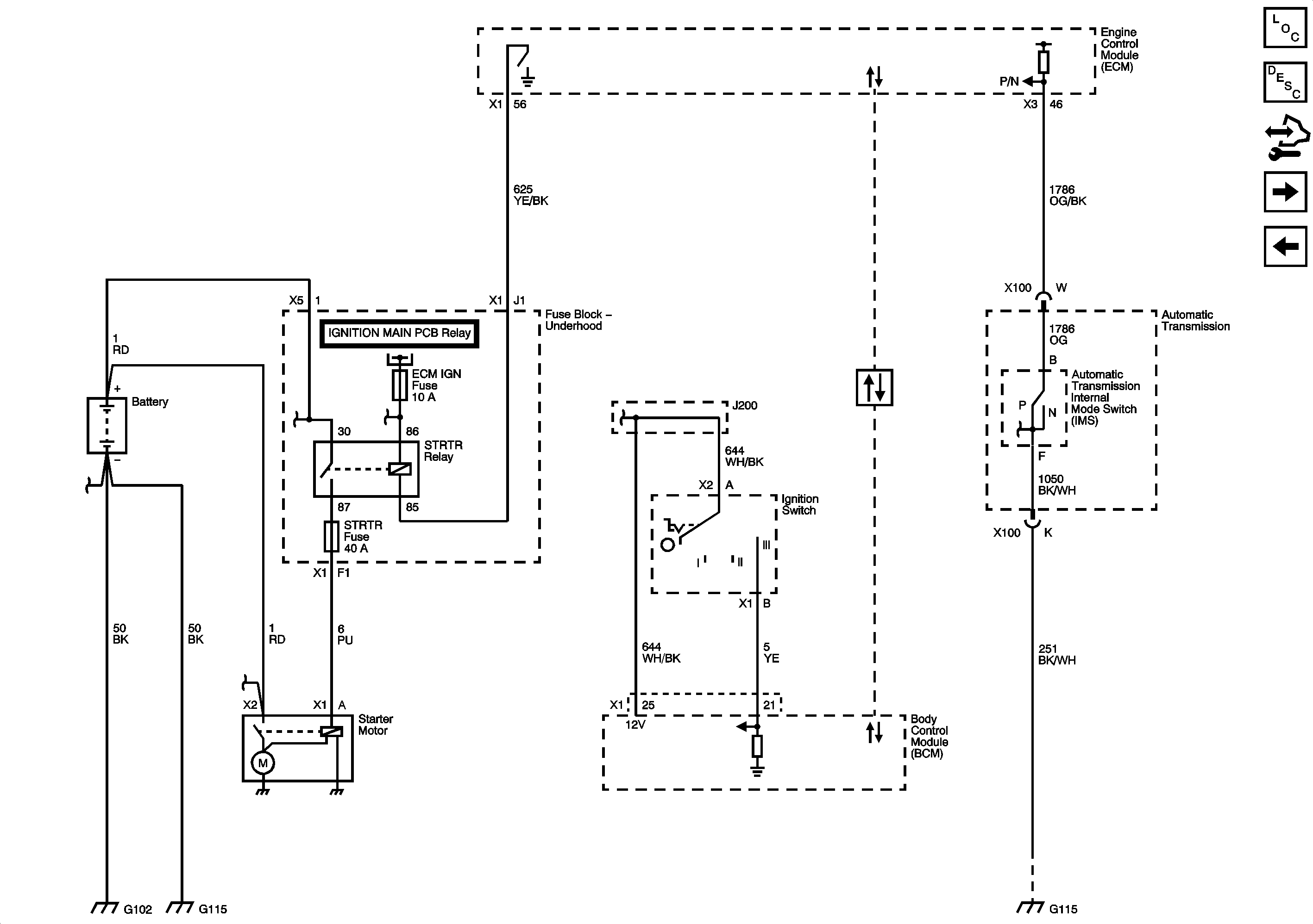
Figure
1:
Starting - L26
Master Electrical Component List
Starting System Description and Operation
Control Module References
Generator
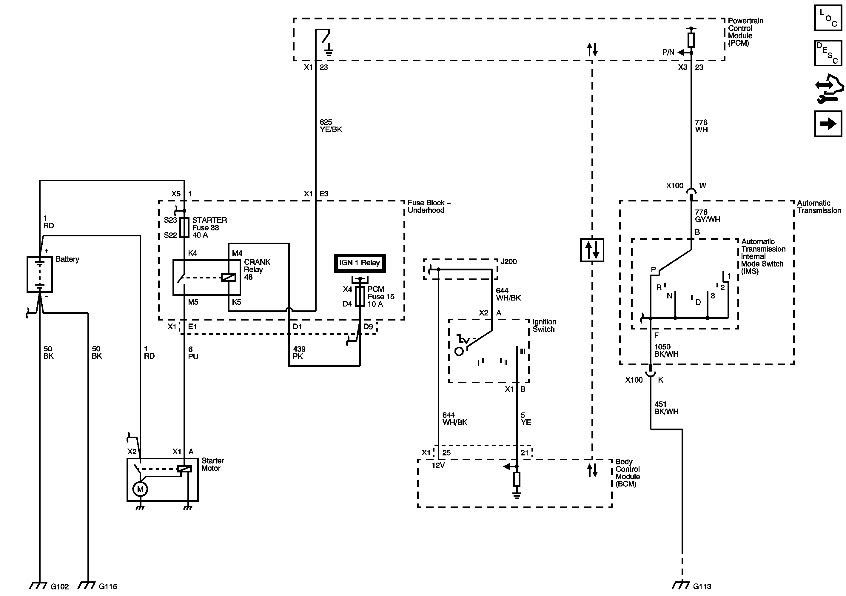
Figure
2:
Starting - LS4
Master Electrical Component List
Starting System Description and Operation
Control Module References
Generator
Figure
3:
Generator
Master Electrical Component List
Charging System Description and Operation
Control Module References
Starting LS4
Starting with L26