GM Service Manual Online
For 1990-2009 cars only
Figure 1:

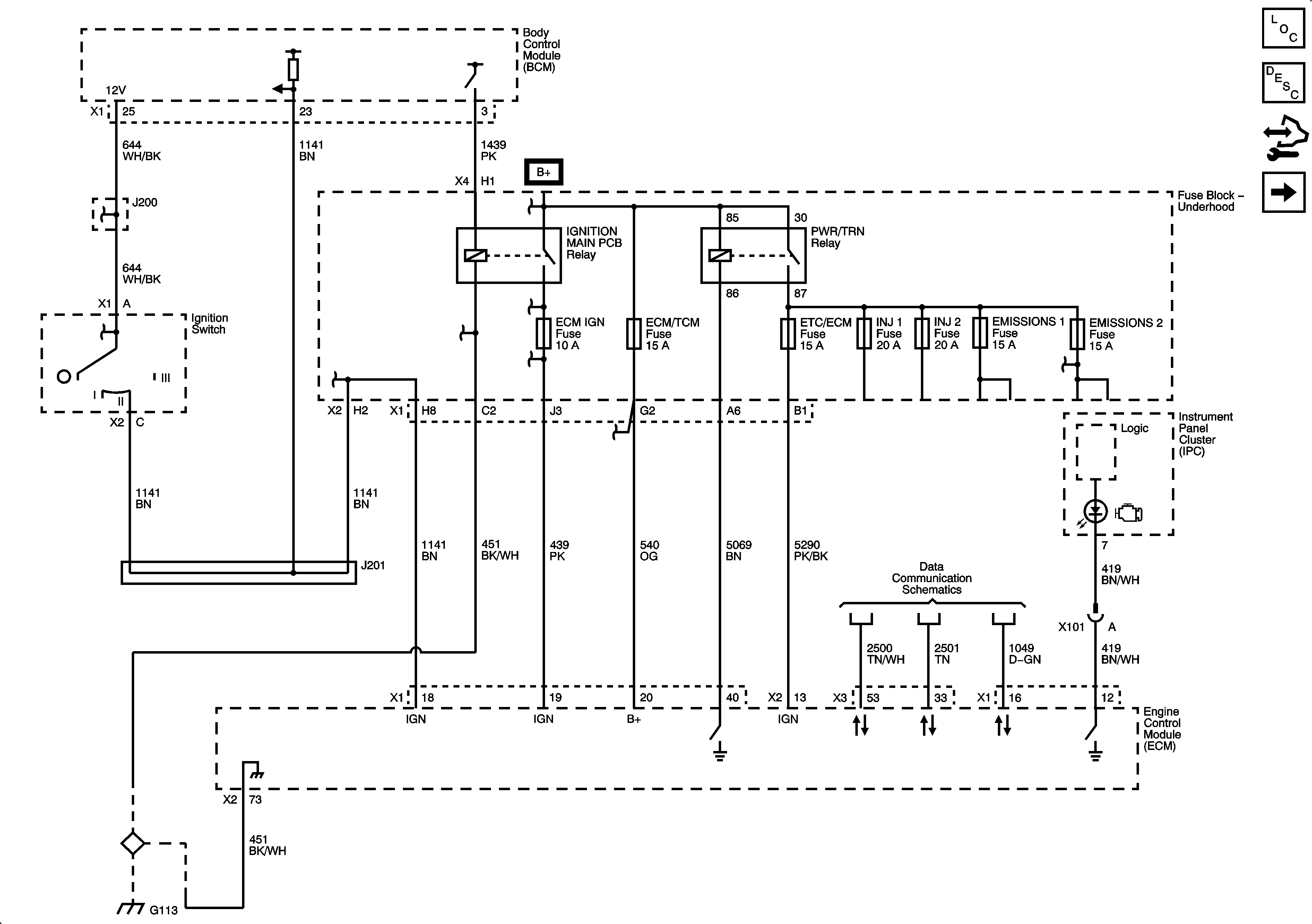
PCM Power, Ground, MIL and Serial Data


Object Number: 1889025  Size: FS
Master Electrical Component List
Engine Control Module Description
Control Module References
Figure 2:

5-Volt and Low Reference Bussing


Object Number: 1889027  Size: FS
Master Electrical Component List
Engine Control Module Description
Control Module References
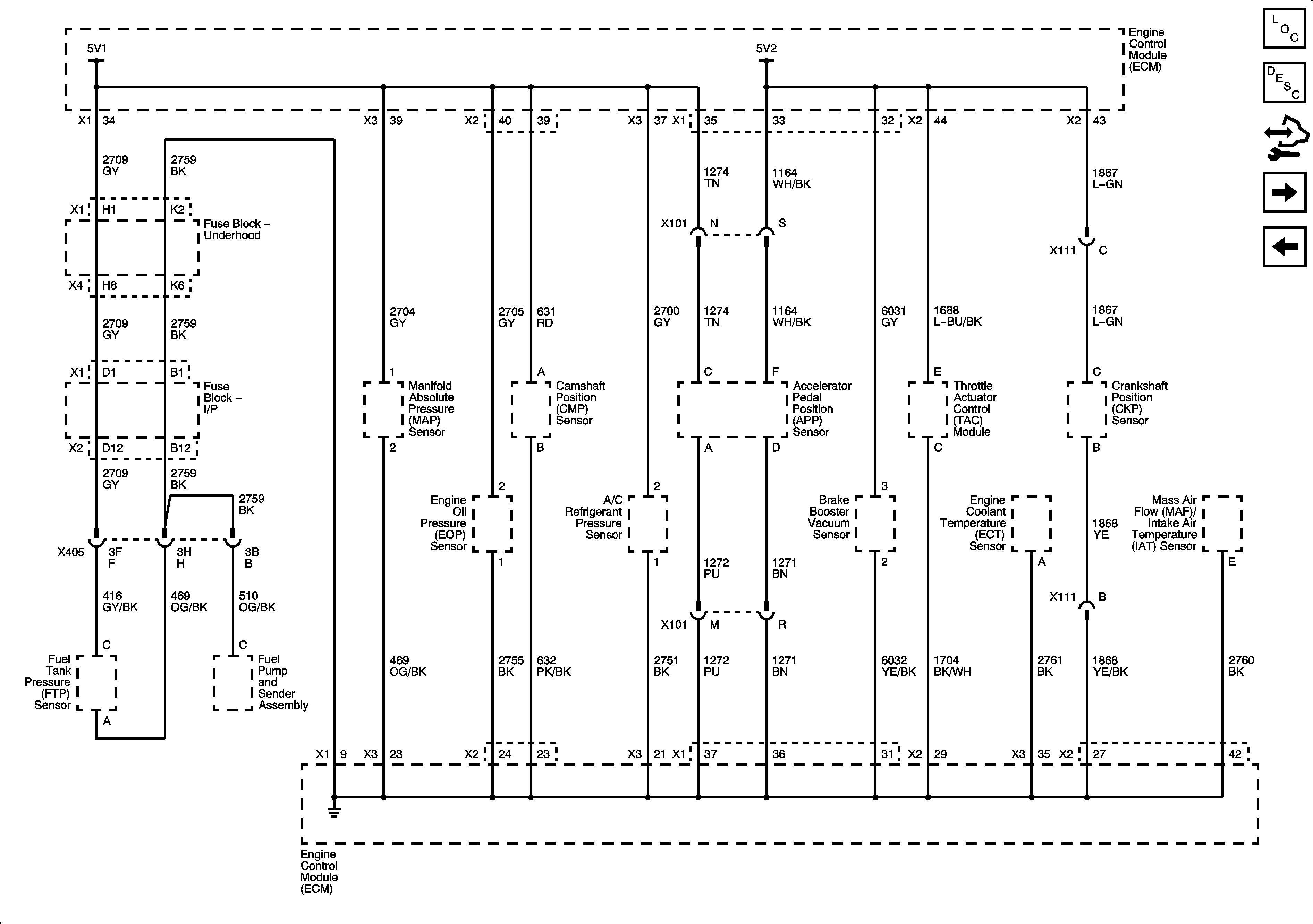
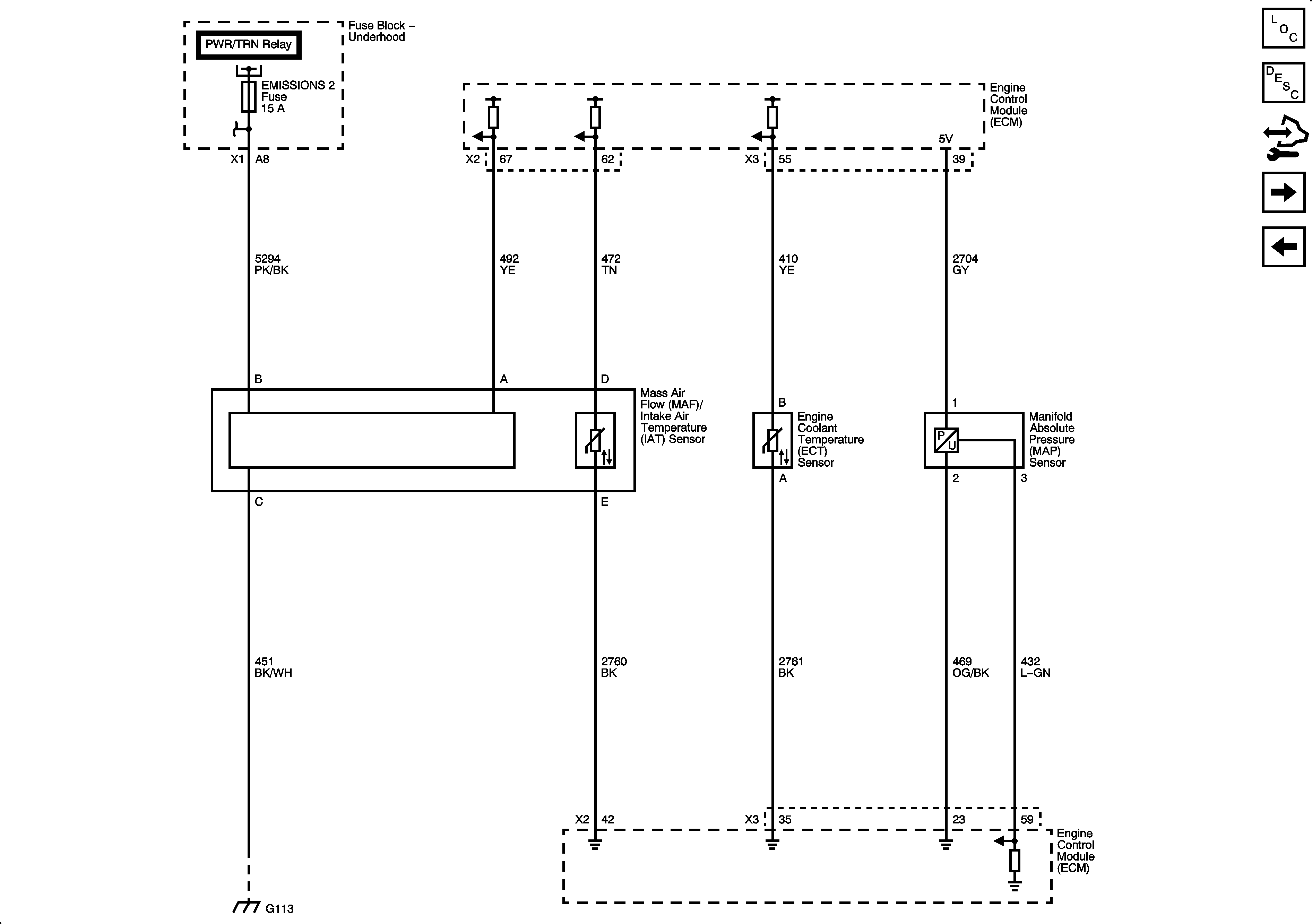
MAP, ECT, and MAF/IAT Sensors
Figure 3:

MAP, ECT, and MAF/IAT Sensors


Object Number: 1889028  Size: FS
Master Electrical Component List
Engine Control Module Description
Control Module References
MAF/IAT Sensor, Stop Lamp Switch Signal and VSS
5-Volt and Low Reference Bussing
Figure 4:

MAP/IAT Sensor, Stop Lamp Switch Signal and VSS


Object Number: 1889030  Size: FS
Master Electrical Component List
Engine Control Module Description
Control Module References
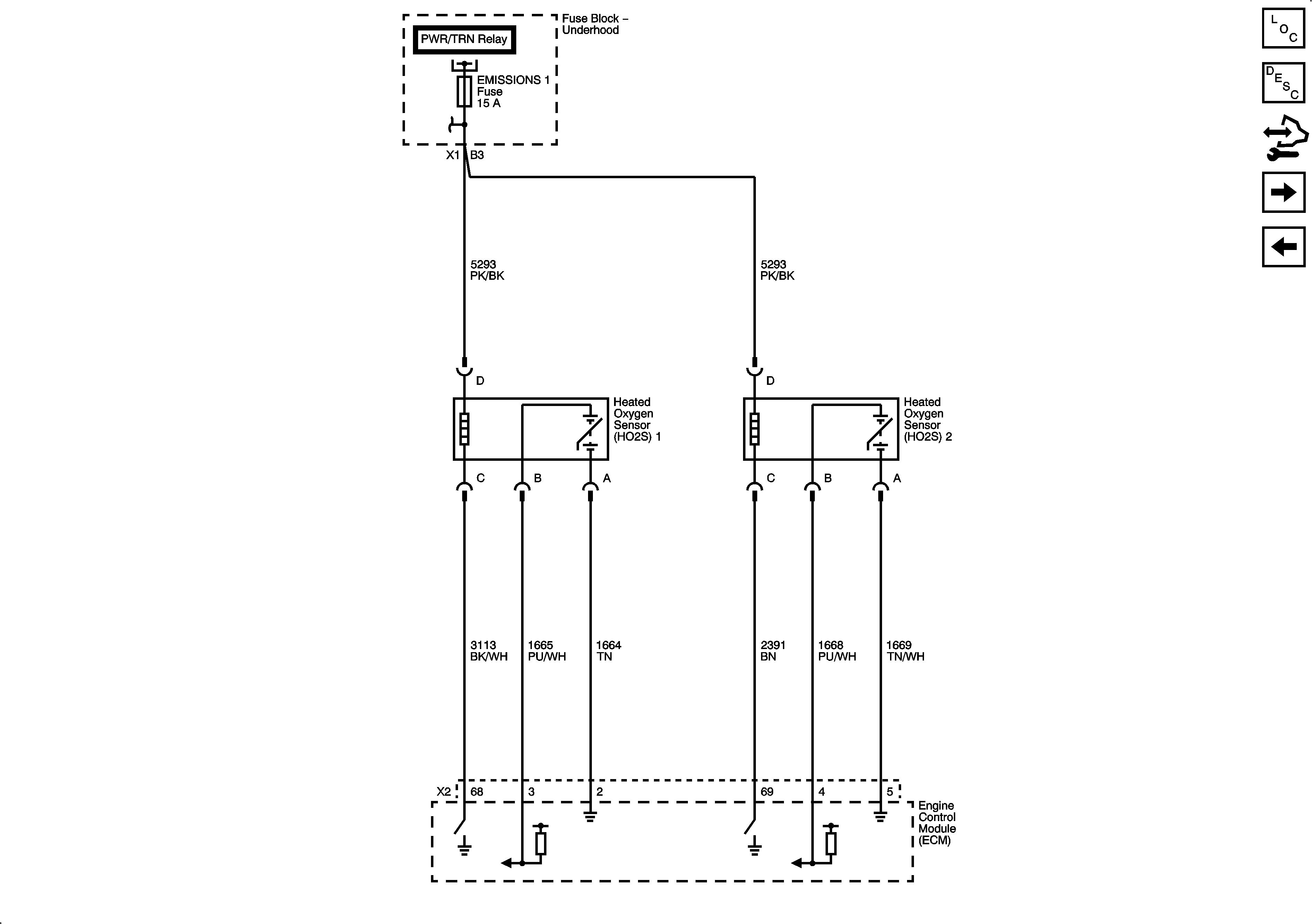
Heated Oxygen Sensors
MAP, ECT, and MAF/IAT Sensors
Figure 5:

Heated Oxygen Sensors


Object Number: 1889033  Size: FS
Master Electrical Component List
Engine Control Module Description
Control Module References
Electronic Throttle Controls
MAF/IAT Sensor, Stop Lamp Switch Signal and VSS
Figure 6:

Electronic Throttle Controls


Object Number: 1889037  Size: FS
Master Electrical Component List
Engine Control Module Description
Control Module References
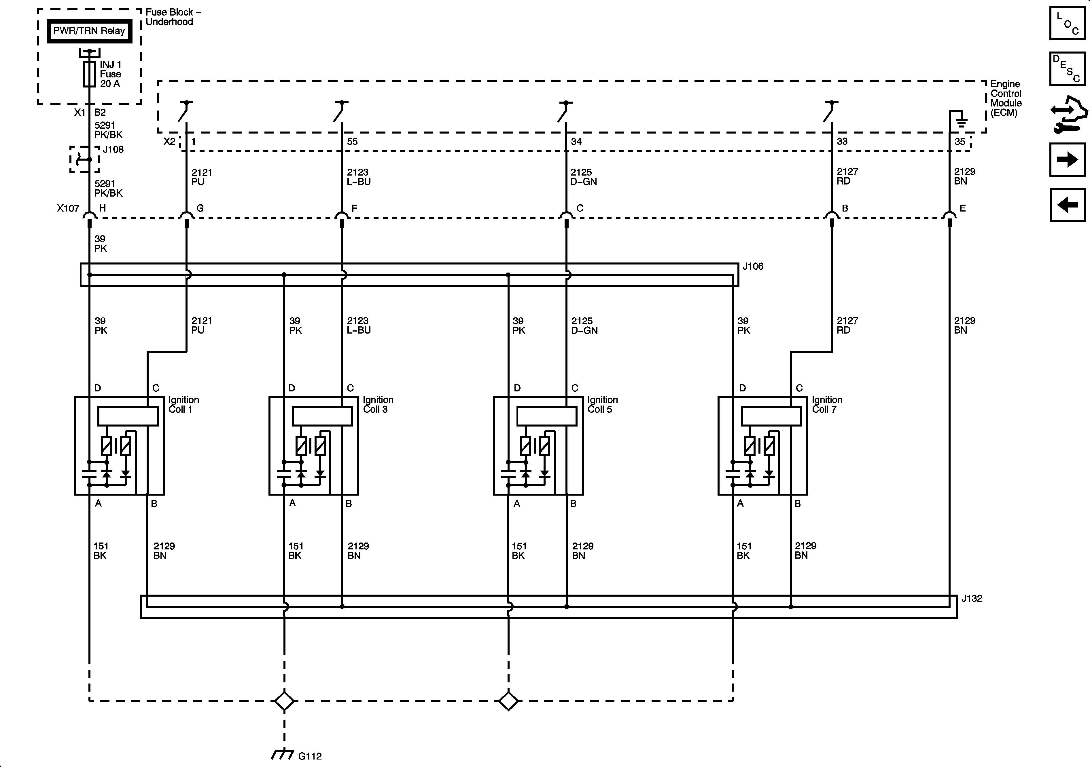
Ignition Controls Bank 1 (Odd) Ignition Coils
Heated Oxygen Sensors
Figure 7:

Ignition Controls Bank 1 Ignition Coils 1, 3, 5, and 7


Object Number: 1889040  Size: FS
Master Electrical Component List
Engine Control Module Description
Control Module References
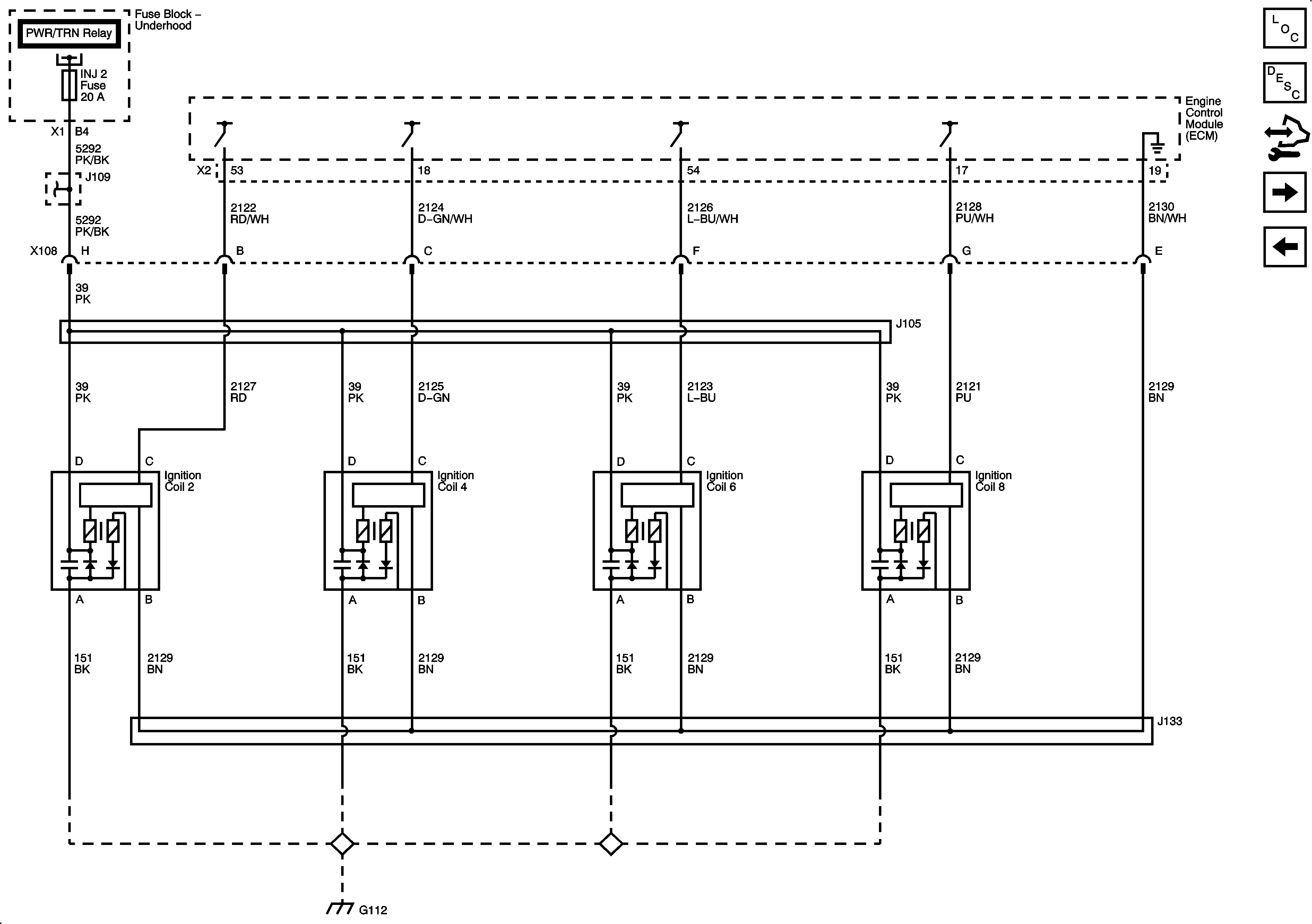
Ignition Controls Bank 2 (Even) Ignition Coils
Electronic Throttle Controls
Figure 8:

Ignition Controls Bank 2 Ignition Coils 2, 4, 6, and 8


Object Number: 1889043  Size: FS
Master Electrical Component List
Engine Control Module Description
Control Module References
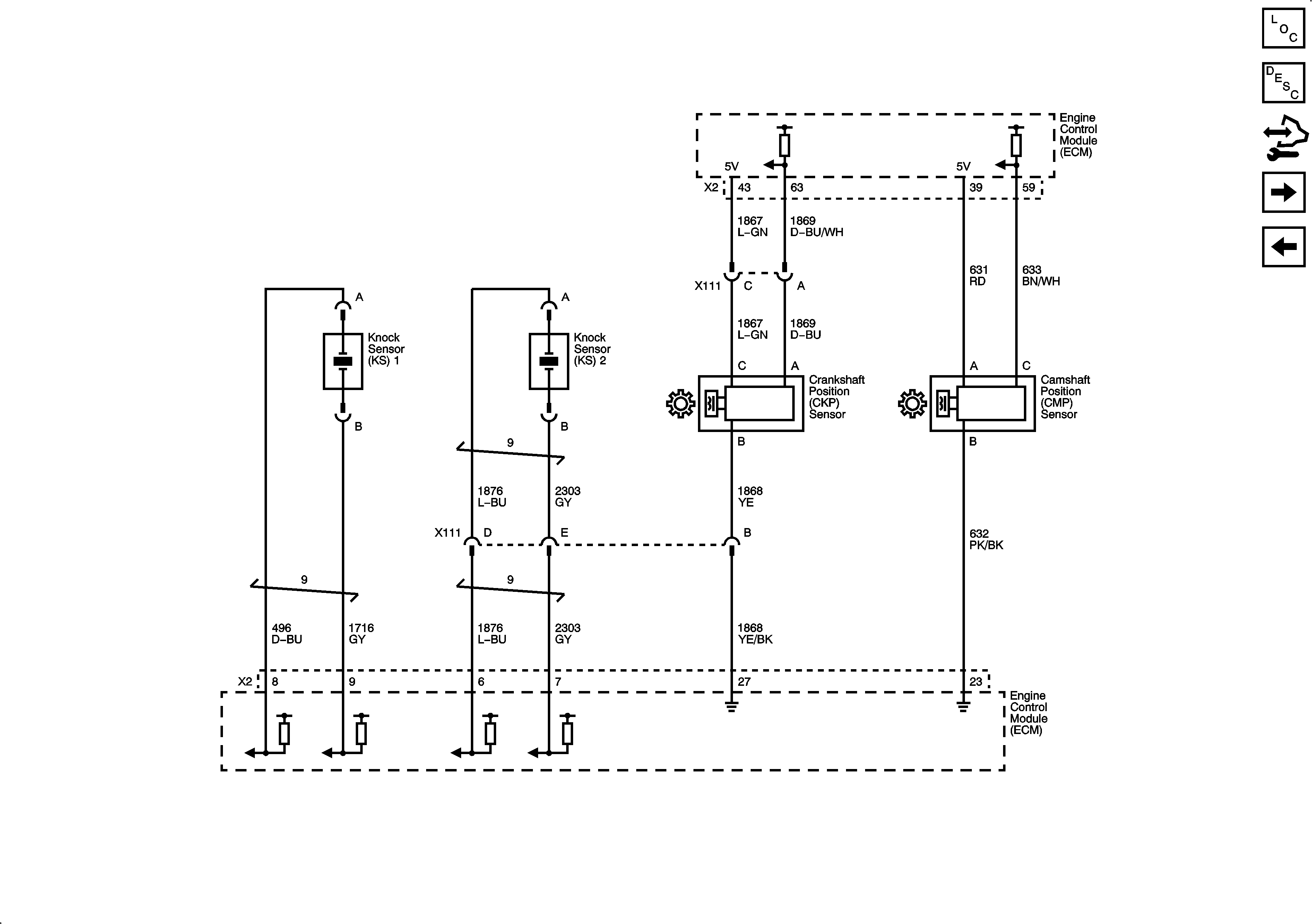
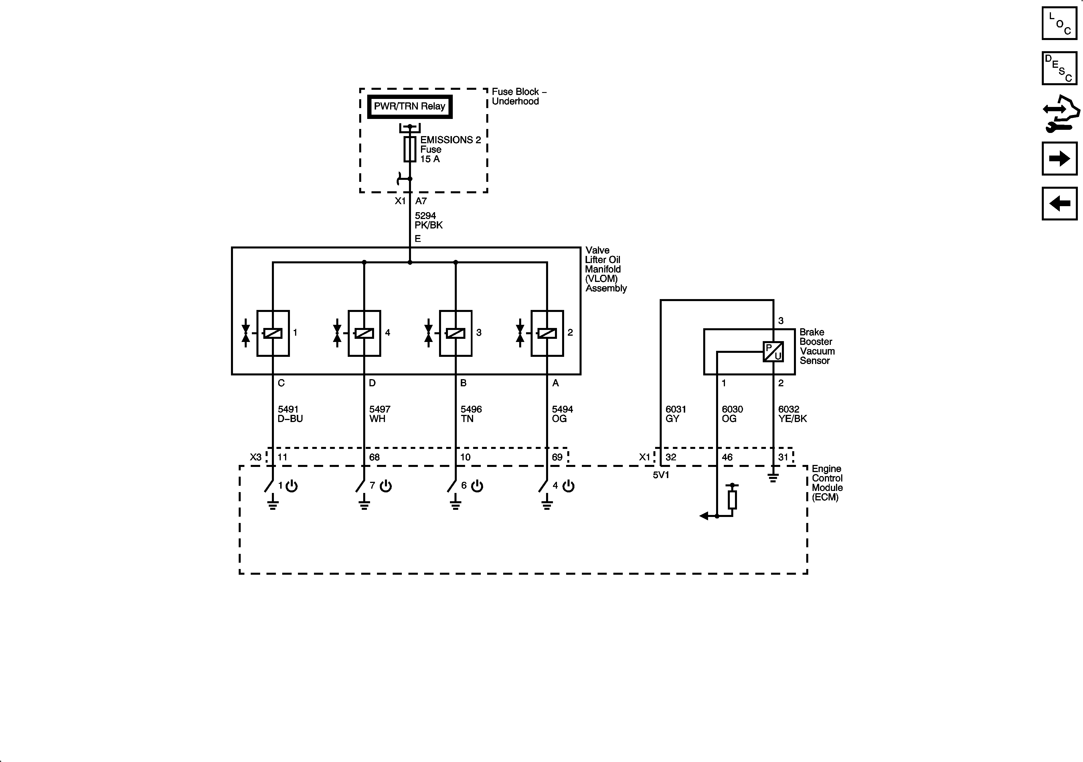
Ignition Controls Knock, CMP, CKP, Brake Vacuum Sensors and Valve Lifter Oil Manifold Assembly
Ignition Controls Bank 1 (Odd) Ignition Coils
Figure 9:

Ignition Controls Knock, CMP, CKP, Brake Vacuum Sensors and Valve Lifter Oil Manifold Assembly


Object Number: 1889044  Size: FS
Master Electrical Component List
Engine Control Module Description
Control Module References
Fuel Pump Controls
Ignition Controls Bank 2 (Even) Ignition Coils
Figure 10:

Fuel Pump Controls


Object Number: 1889046  Size: FS
Master Electrical Component List
Engine Control Module Description
Control Module References
Fuel Injectors
Ignition Controls Knock, CMP, CKP, Brake Vacuum Sensors and Valve Lifter Oil Manifold Assembly
Figure 11:

Fuel Injectors


Object Number: 1889049  Size: FS
Master Electrical Component List
Engine Control Module Description
Control Module References
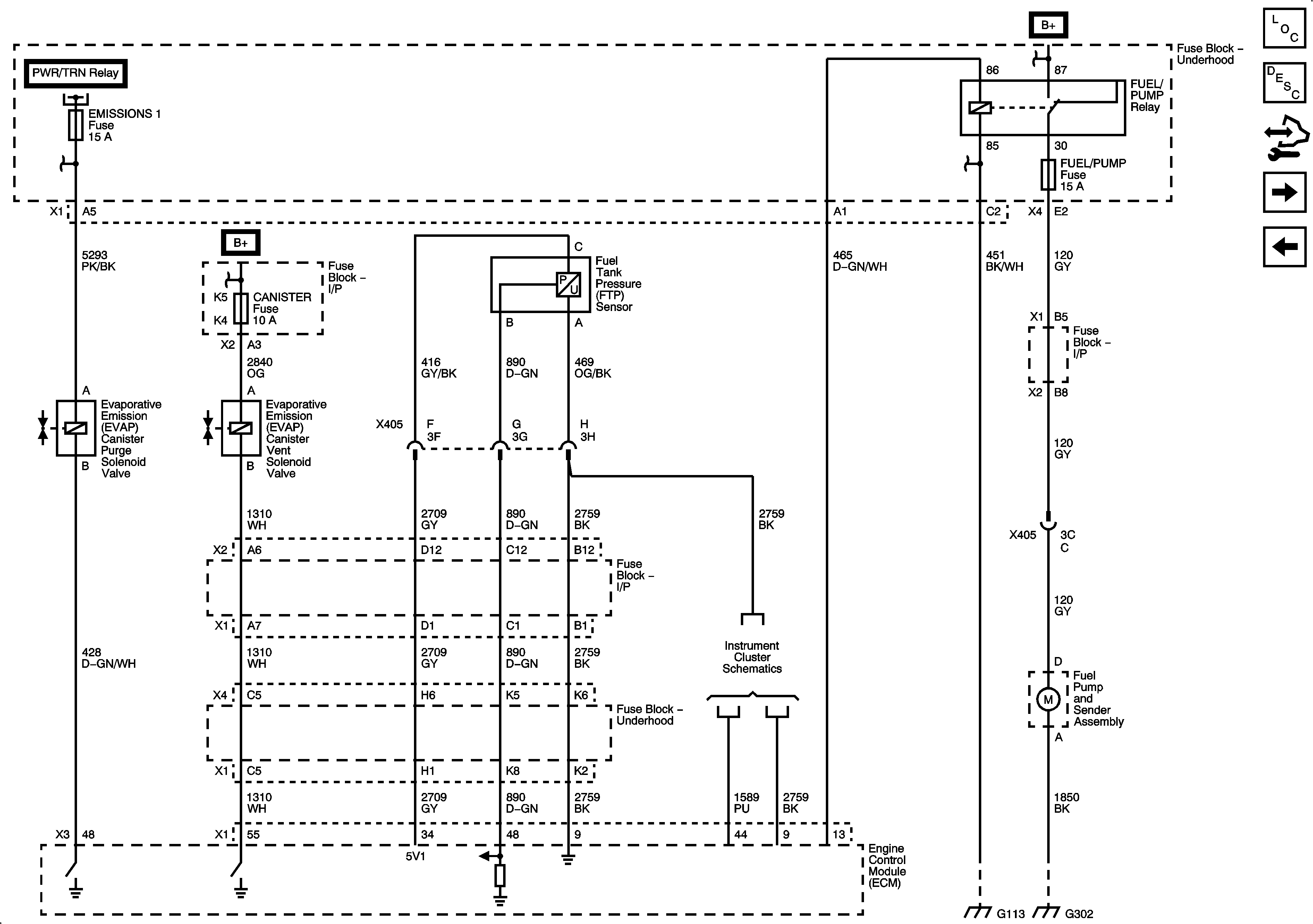
EVAP Solenoids and FTP Sensor
Fuel Pump Controls
Figure 12:

EVAP Solenoids and FTP Sensor


Object Number: 1889050  Size: FS
Master Electrical Component List
Engine Control Module Description
Control Module References
Controlled/Monitored Subsystem References
Fuel Injectors
Figure 13:

Controlled/Monitored Subsystem References


Object Number: 1889052  Size: FS
Master Electrical Component List
Engine Control Module Description
Control Module References
EVAP Solenoids and FTP Sensor