GM Service Manual Online
For 1990-2009 cars only
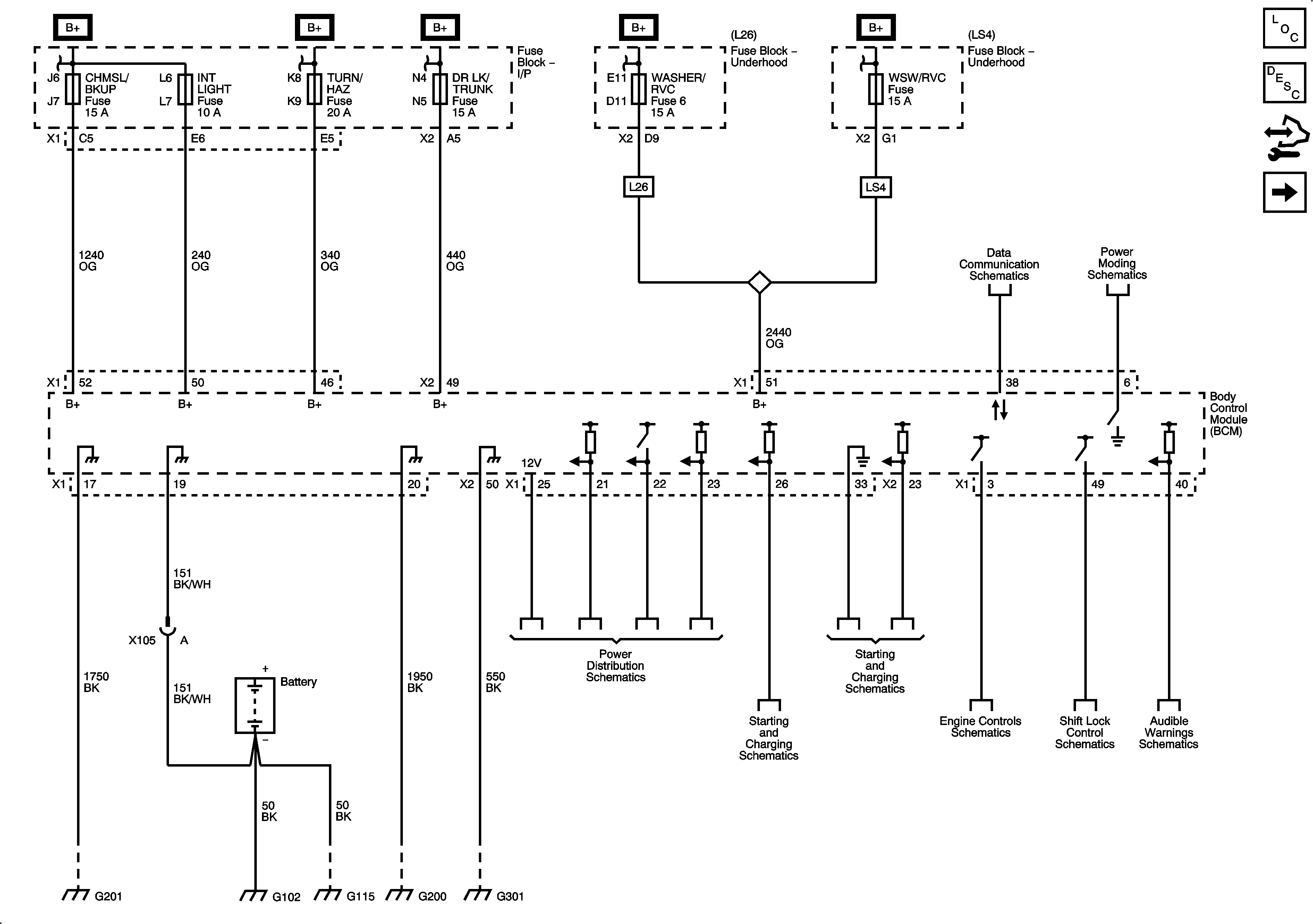
Figure 1:

Body Control Power, Ground, and References


Object Number: 1889000  Size: FS
Master Electrical Component List
Body Control System Description and Operation
Control Module References
Theft Deterrent, Keyless Entry, Body Rear End, Horns, ABS, Brake Warning, Defogger, Heated Seats, and Wiper/Washer System References
Figure 2:

Theft Deterrent, Keyless Entry, Body Rear End, Horns, ABS, Brake Warning, Defogger, Heated Seats, and Wiper/Washer System References


Object Number: 1889002  Size: FS
Master Electrical Component List
Body Control System Description and Operation
Control Module References
Door Lock/Indicator and Lighting System References 1 of 2
Body Control Power, Ground and References
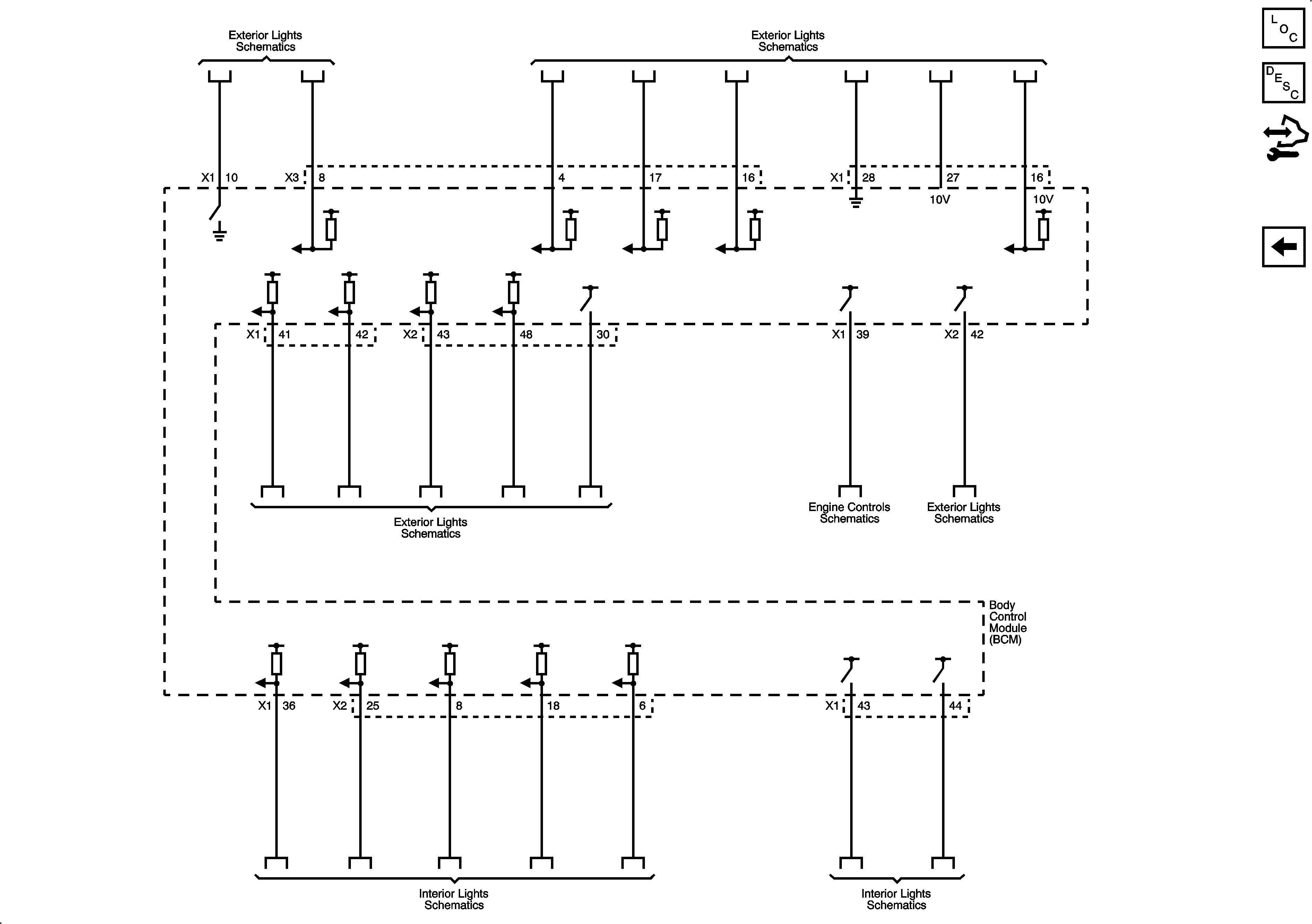
Figure 3:

Door Lock/Indicator and Lighting System References - 1 of 2


Object Number: 1889005  Size: FS
Master Electrical Component List
Body Control System Description and Operation
Control Module References
Lighting System References 2 of 2
Theft Deterrent, Keyless Entry, Body Rear End, Horns, ABS, Brake Warning, Defogger, Heated Seats, and Wiper/Washer System References
Figure 4:

Lighting System References - 2 of 2


Object Number: 1889006  Size: FS
Master Electrical Component List
Body Control System Description and Operation
Control Module References
Door Lock/Indicator and Lighting System References 1 of 2