GM Service Manual Online
For 1990-2009 cars only
Figure 1:

Power, Ground, and References


Object Number: 1888793  Size: FS
Master Electrical Component List
Radio/Audio System Description and Operation
Control Module References
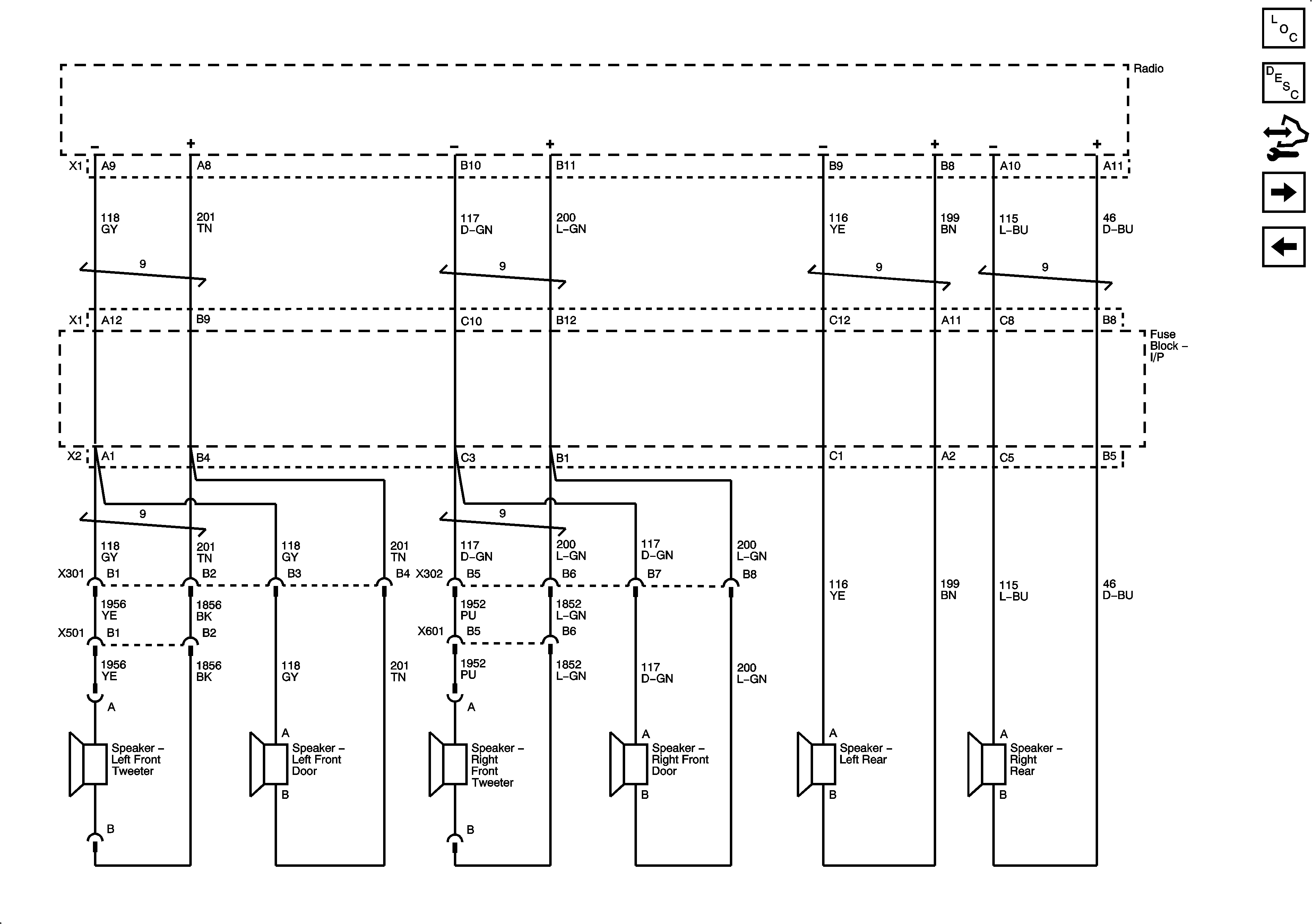
Radio to Speakers (UW6)
Figure 2:

Radio to Speakers - UW6


Object Number: 1888796  Size: FS
Master Electrical Component List
Radio/Audio System Description and Operation
Control Module References
Audio Signal Communication - U88
Power, Ground, and References
Figure 3:

Audio Signal Communication - U88


Object Number: 1888797  Size: FS
Master Electrical Component List
Radio/Audio System Description and Operation
Control Module References
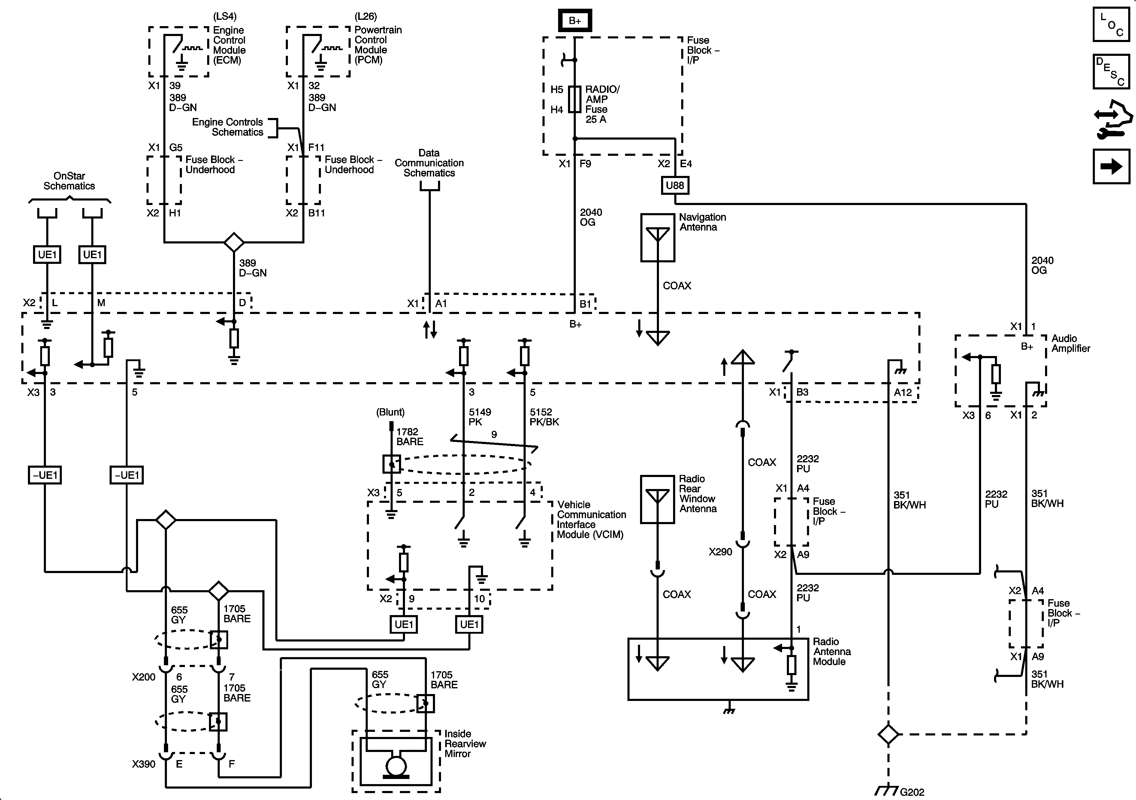
Speakers Front - U88
Radio to Speakers (UW6)
Figure 4:

Speakers - Front - U88


Object Number: 1888801  Size: FS
Master Electrical Component List
Radio/Audio System Description and Operation
Control Module References
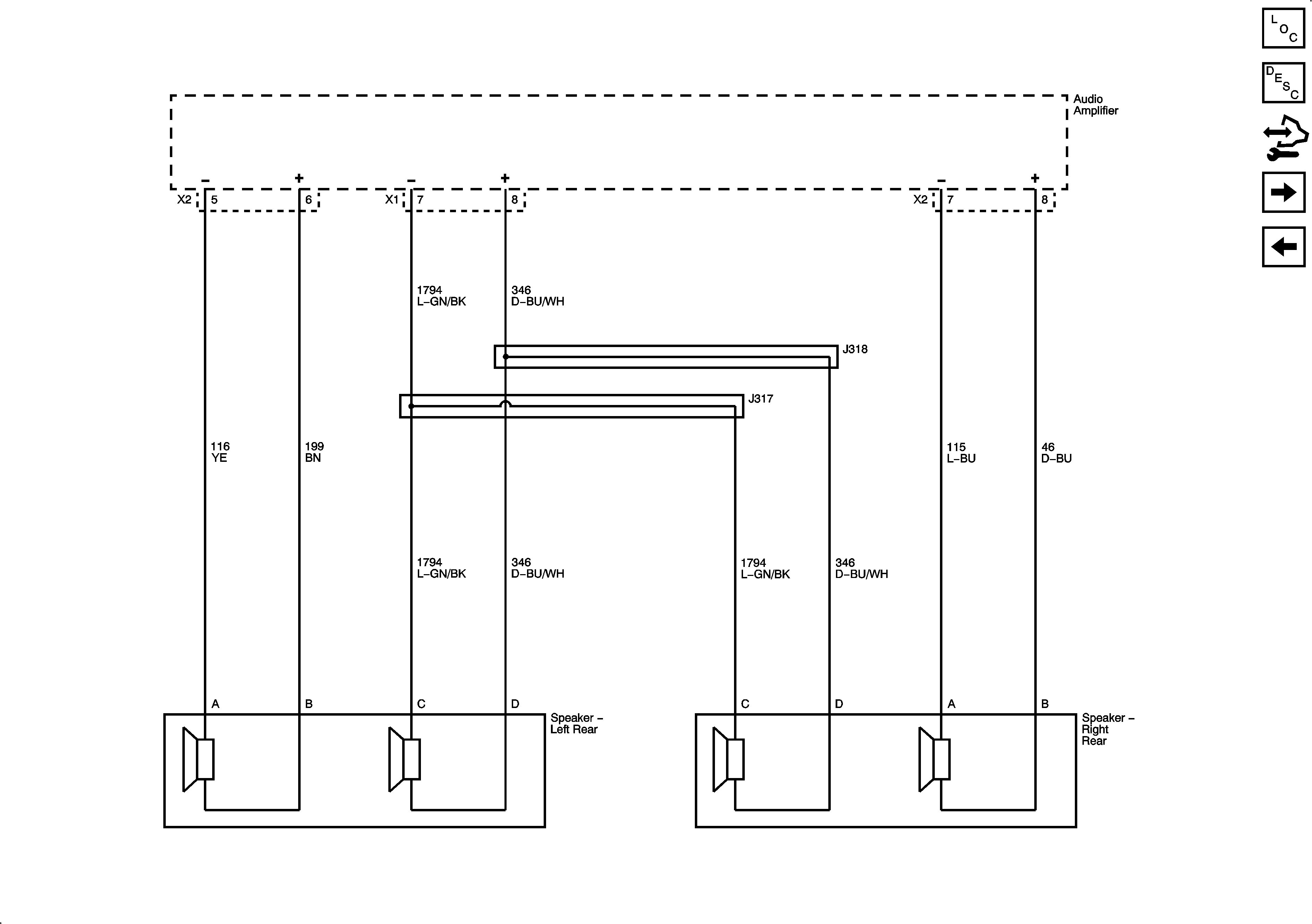
Speakers Rear - U88
Audio Signal Communication - U88
Figure 5:

Speakers - Rear - U88


Object Number: 1888805  Size: FS
Master Electrical Component List
Radio/Audio System Description and Operation
Control Module References
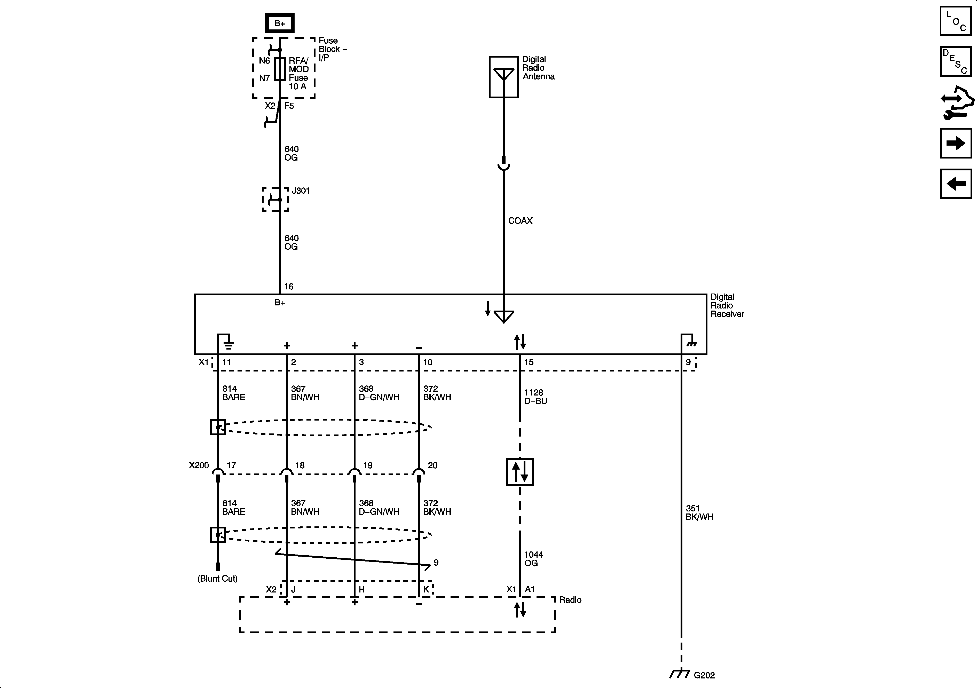
Satellite Radio (U2K)
Speakers Front - U88
Figure 6:

Satellite Radio - U2K


Object Number: 1888806  Size: FS
Master Electrical Component List
Radio/Audio System Description and Operation
Control Module References
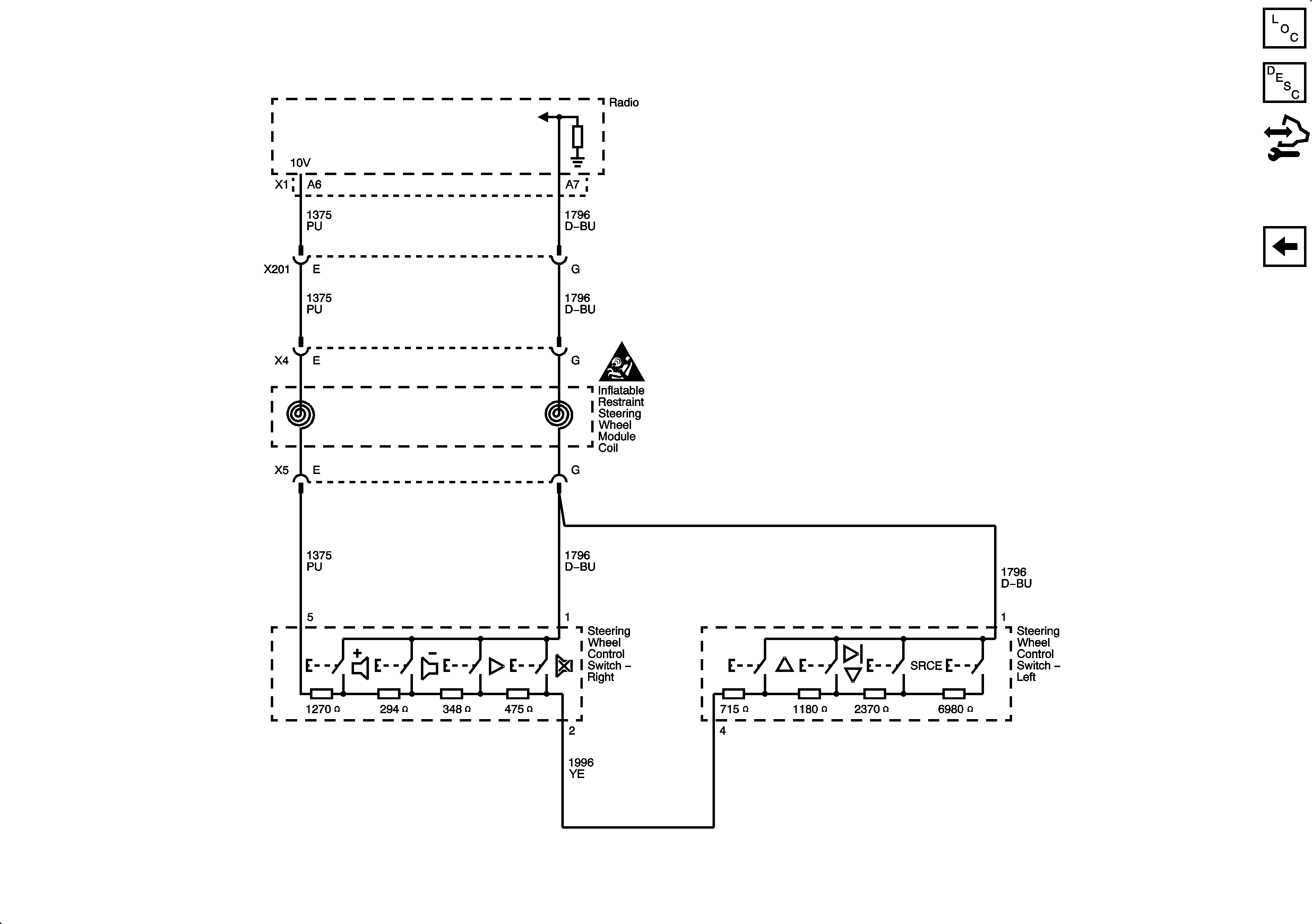
Steering Wheel Controls
Speakers Rear - U88
Figure 7:

Steering Wheel Controls


Object Number: 1993522  Size: FS
Master Electrical Component List
Radio/Audio System Description and Operation
Control Module References
Satellite Radio (U2K)