GM Service Manual Online
For 1990-2009 cars only
Makes
🢒
Pontiac
🢒
2008
🢒
Grand Prix
🢒
Diagnostic Navigation
🢒
Vehicle Diagnostic Information
🢒 Data Communication Schematics
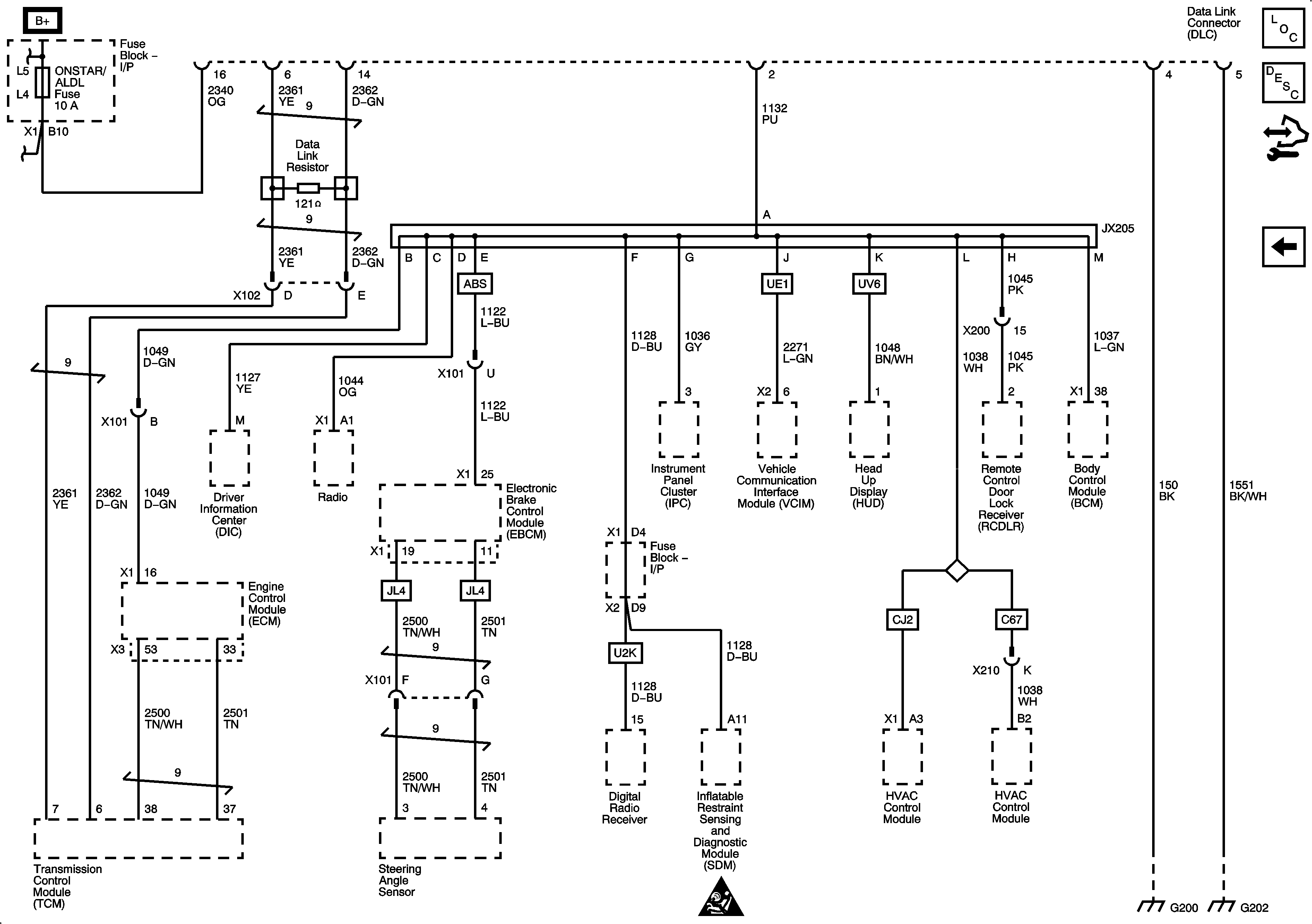
Figure
1:
L26
Master Electrical Component List
Data Link Communications Description and Operation
Control Module References
LS4
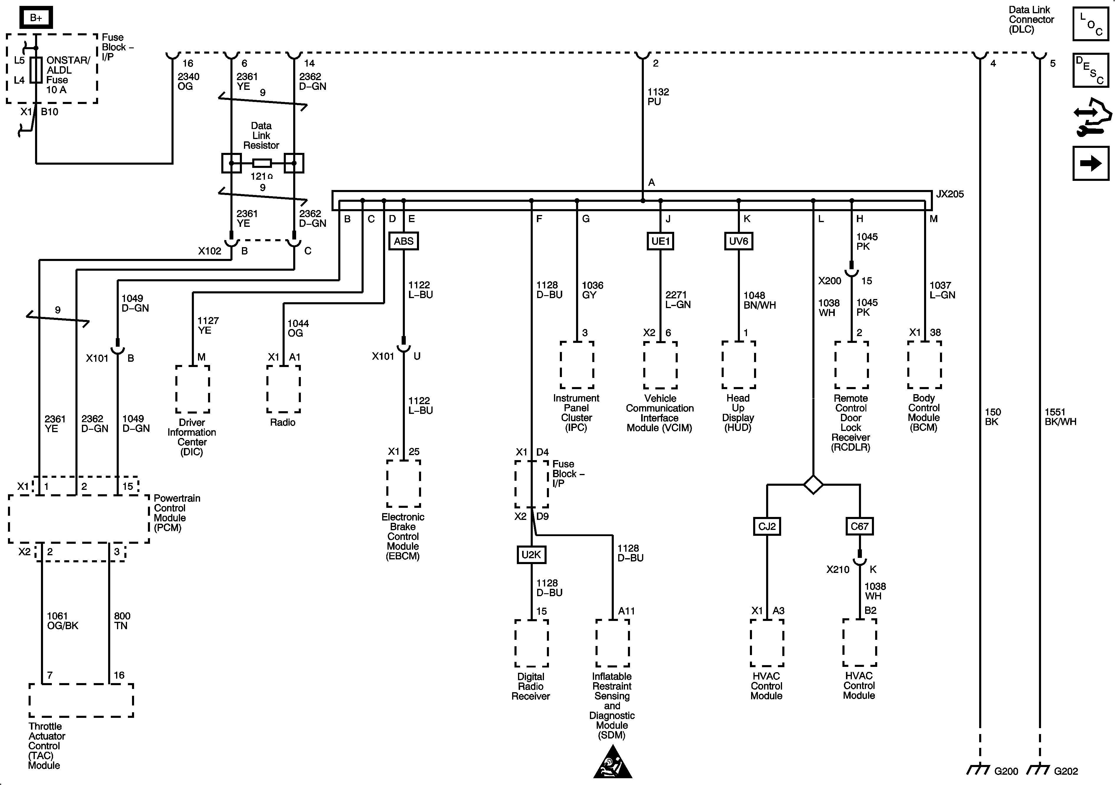
Figure
2:
LS4
Master Electrical Component List
Data Link Communications Description and Operation
Control Module References
L26