GM Service Manual Online
For 1990-2009 cars only
Makes
🢒
Pontiac
🢒
2008
🢒
Grand Prix
🢒
Diagnostic Navigation
🢒
Vehicle Diagnostic Information
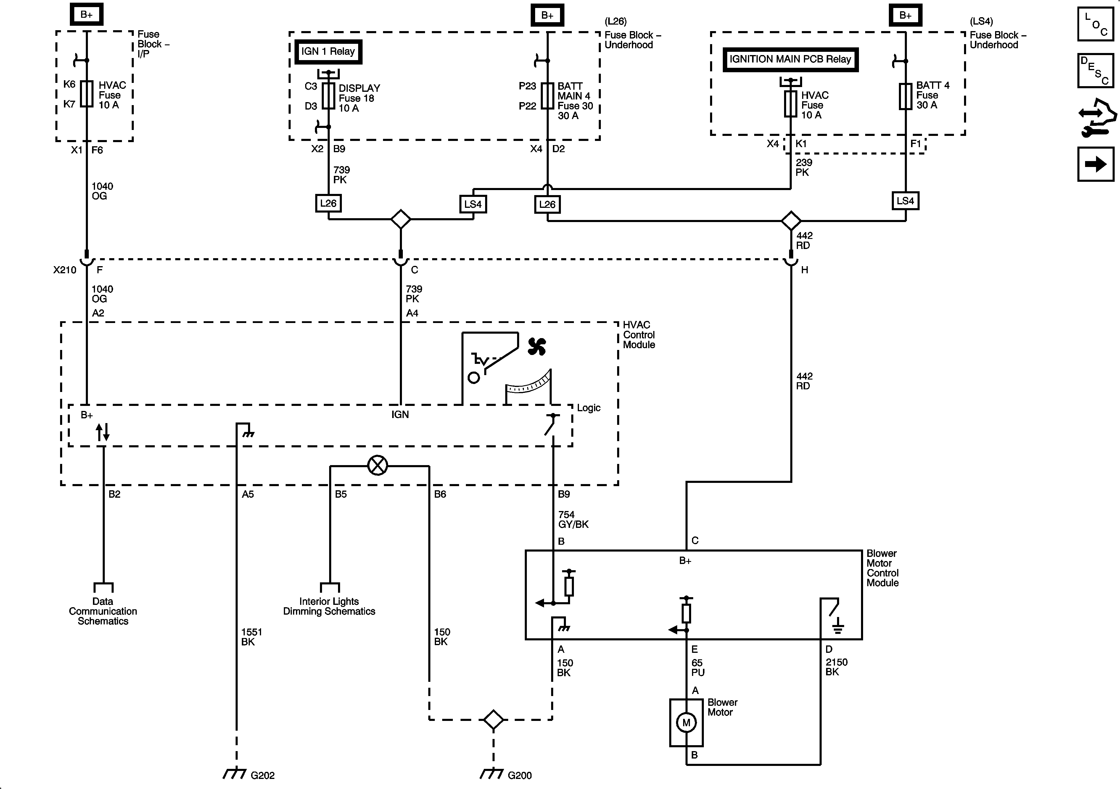
🢒 HVAC Schematics
Figure
1:
Power, Ground, and Blower Motor Controls
Master Electrical Component List
Air Delivery Description and Operation
Control Module References
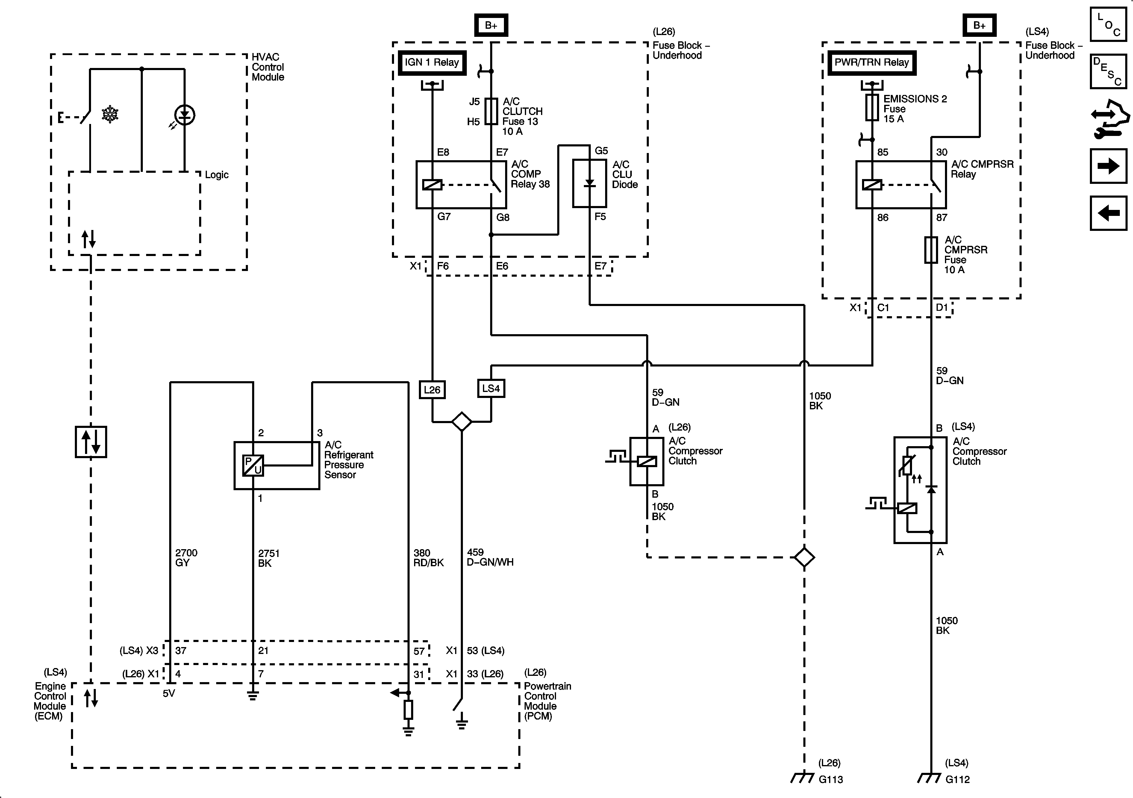
A/C Compressor Controls
Figure
2:
A/C Compressor Controls
Master Electrical Component List
Air Temperature Description and Operation
Control Module References
Mode and Air Temperature Controls
Power, Ground, and Blower Motor Controls
Figure
3:
Mode and Air Temperature Controls
Master Electrical Component List
Air Delivery Description and Operation
Control Module References
A/C Compressor Controls