GM Service Manual Online
For 1990-2009 cars only
Makes
🢒
Pontiac
🢒
2008
🢒
Grand Prix
🢒
Diagnostic Navigation
🢒
Vehicle Diagnostic Information
🢒 Instrument Cluster Schematics
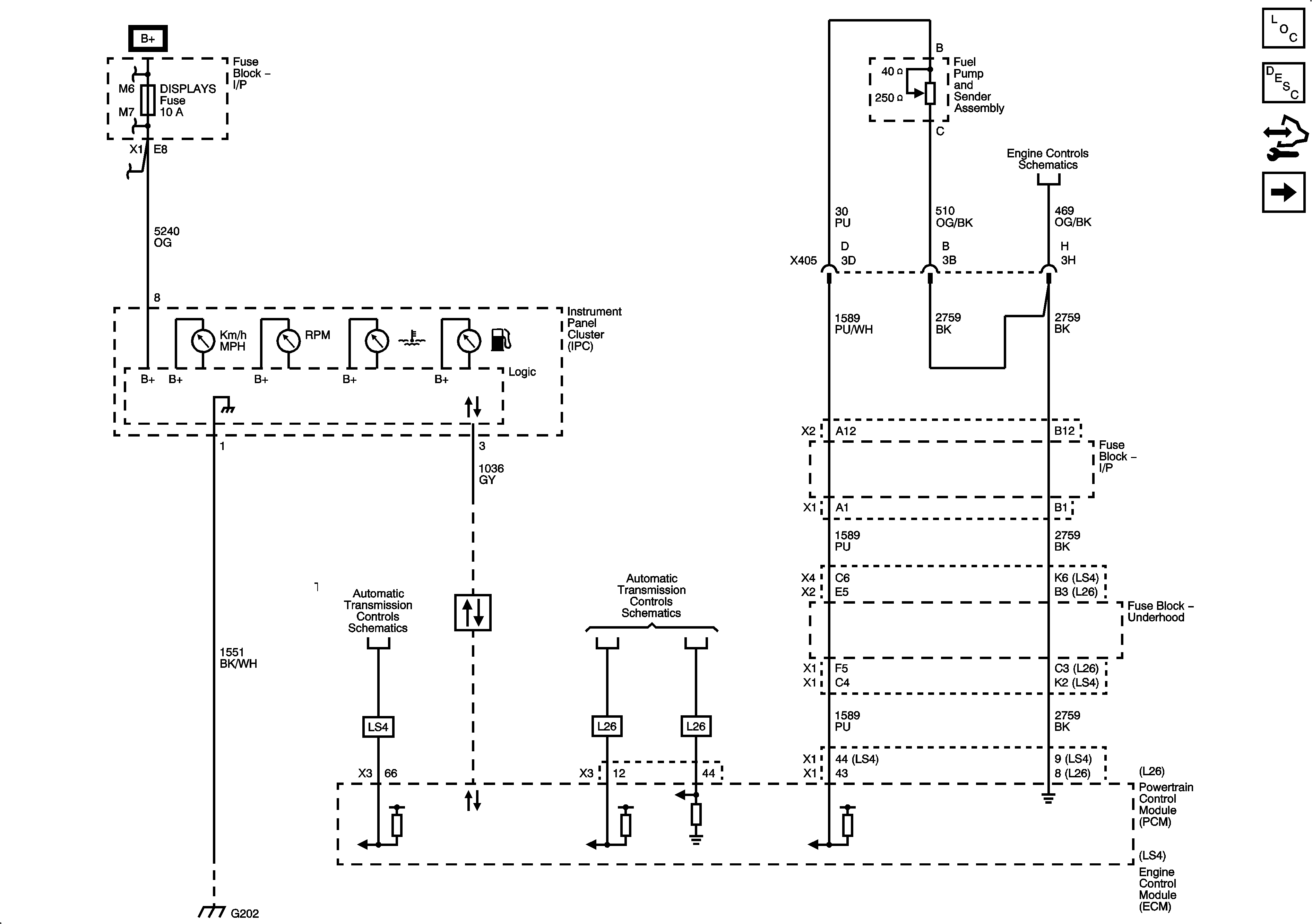
Figure
1:
Power, Ground, and Gages
Master Electrical Component List
Instrument Cluster Description and Operation
Control Module References
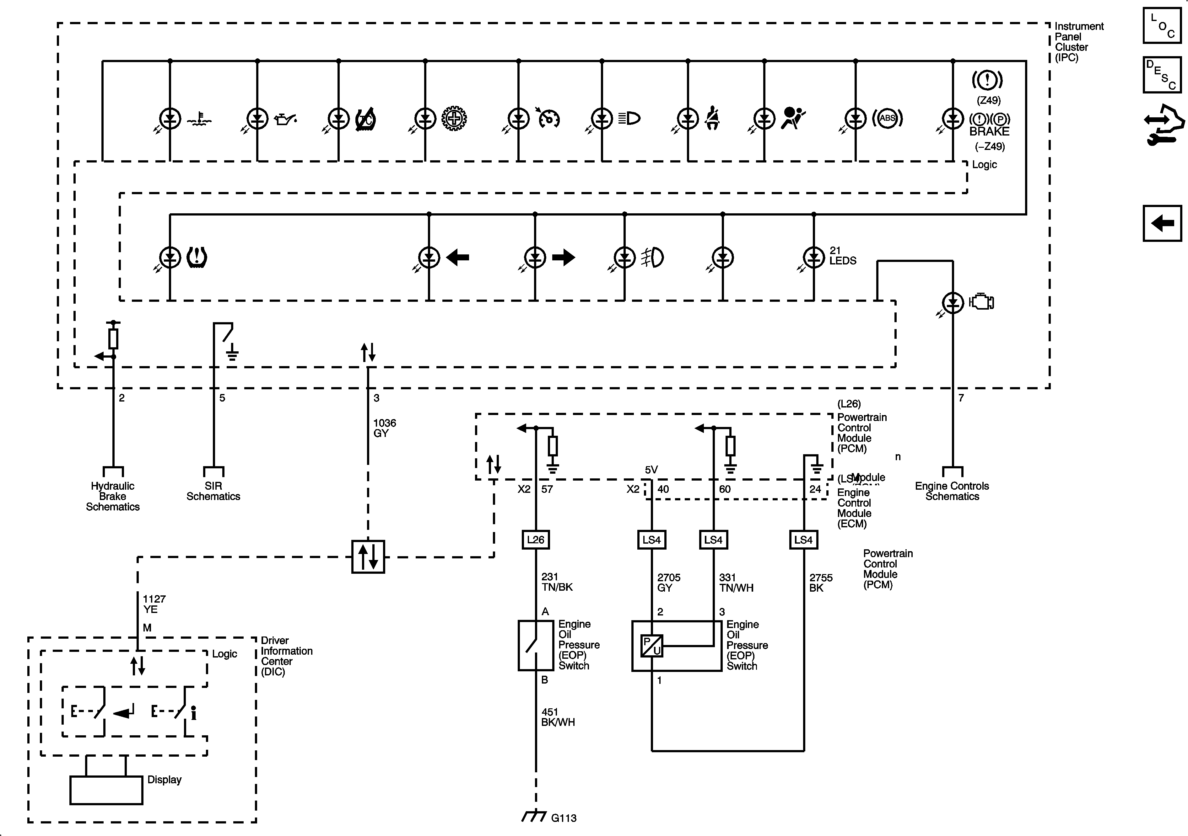
Indicators
Figure
2:
Indicators
Master Electrical Component List
Instrument Cluster Description and Operation
Control Module References
Power, Ground, and Gages