GM Service Manual Online
For 1990-2009 cars only
Makes
🢒
Pontiac
🢒
2008
🢒
Grand Prix
🢒
Diagnostic Navigation
🢒
Vehicle Diagnostic Information
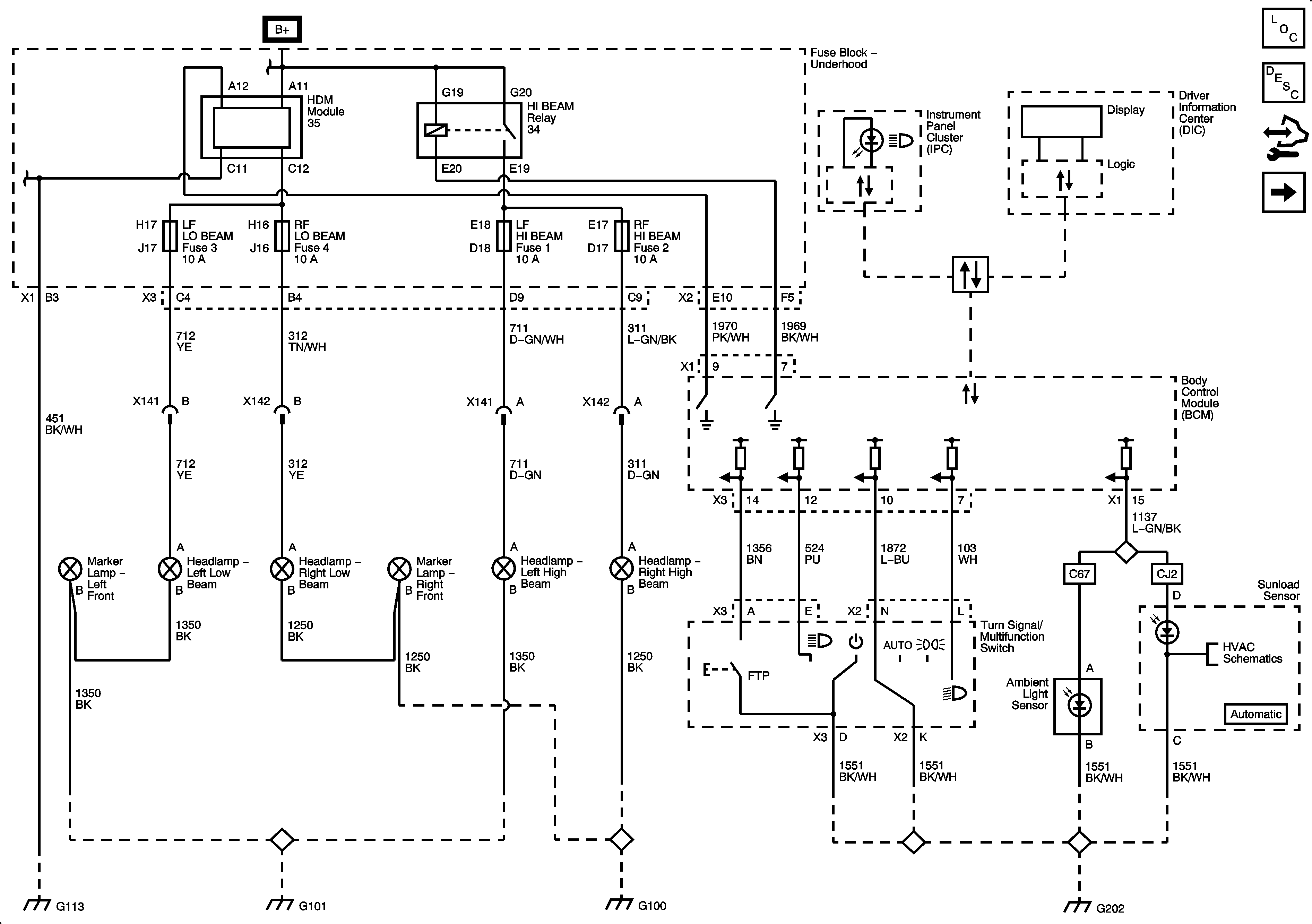
🢒 Headlights/Daytime Running Lights (DRL) Schematics
Figure
1:
L26
Master Electrical Component List
Exterior Lighting Systems Description and Operation
Control Module References
LS4
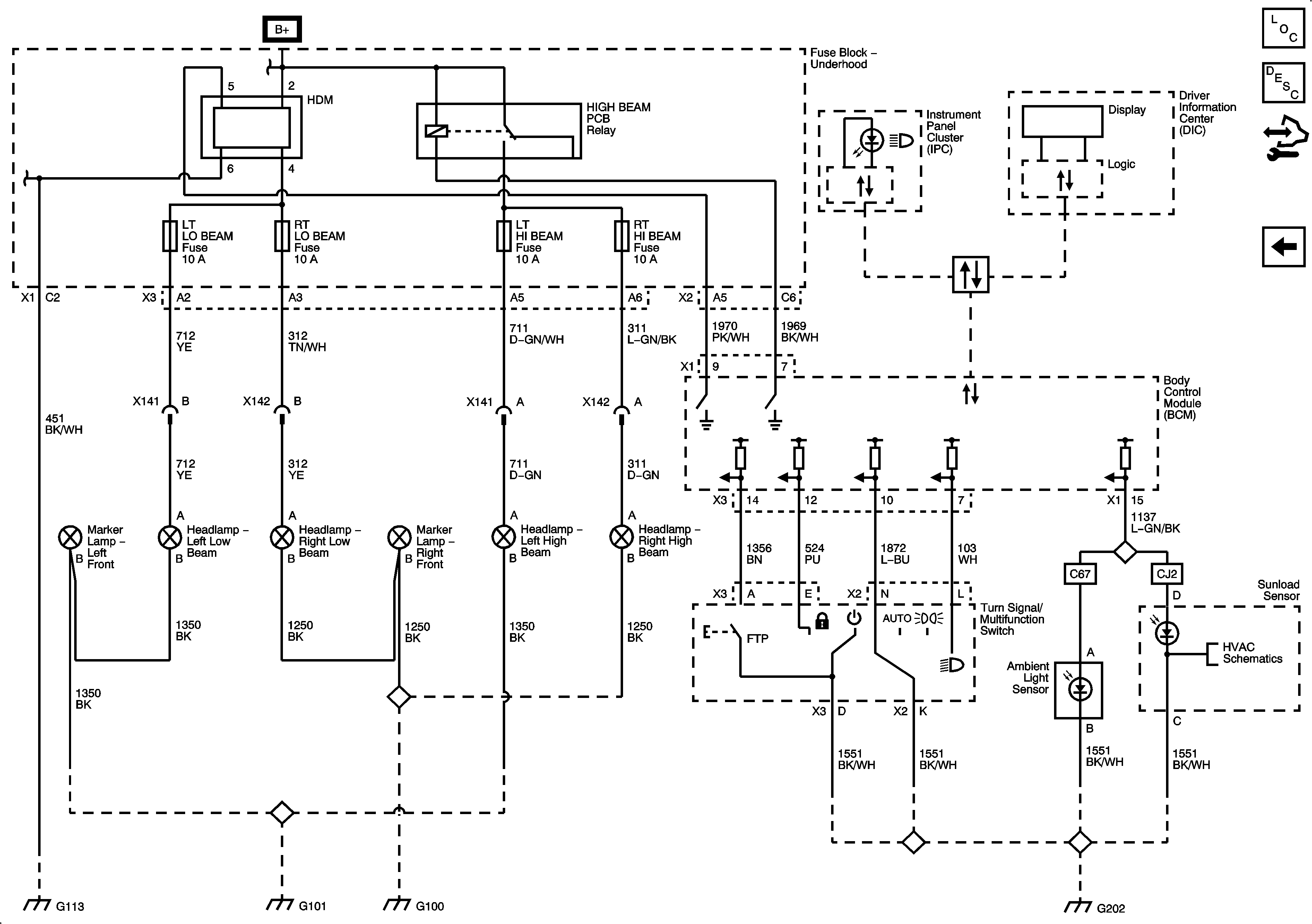
Figure
2:
LS4
Master Electrical Component List
Exterior Lighting Systems Description and Operation
Control Module References
Headlights/Automatic Head Lamps