GM Service Manual Online
For 1990-2009 cars only
Figure 1:

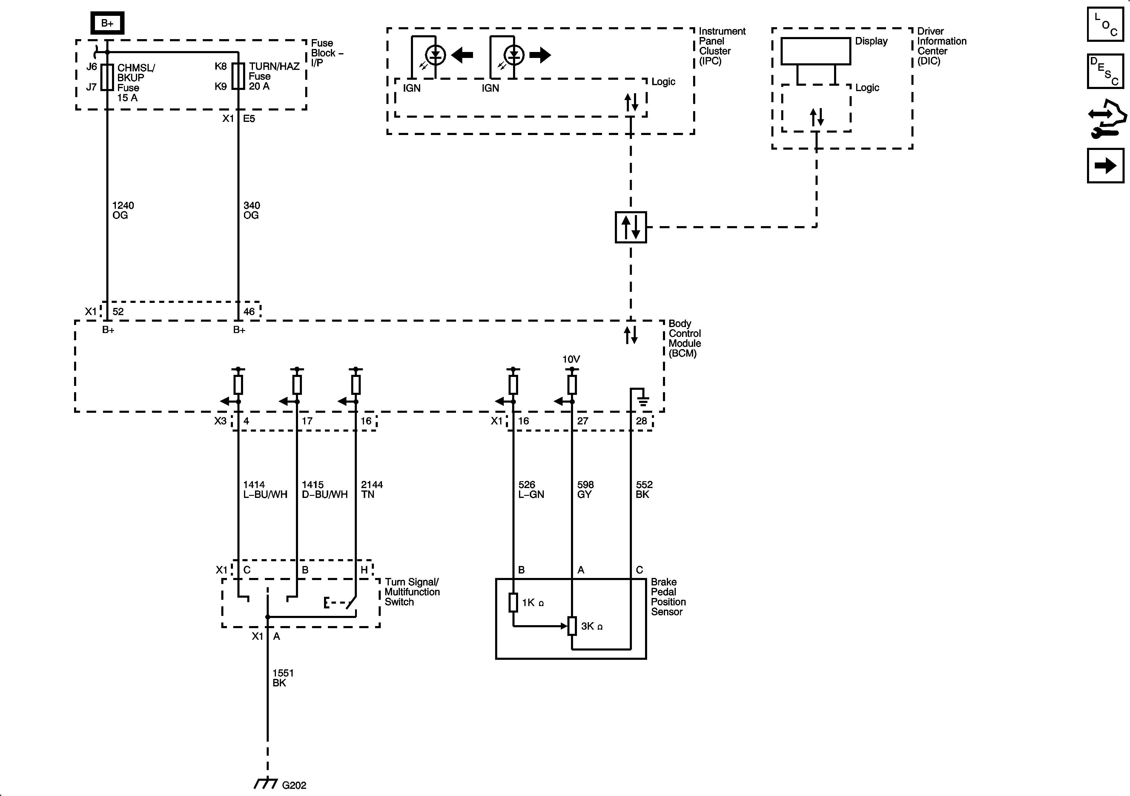
Turn Signal, Hazard and Stop Lamps Inputs


Object Number: 1888830  Size: FS
Master Electrical Component List
Exterior Lighting Systems Description and Operation
Control Module References
Turn Signal, Hazard, and Stop Lamps Outputs
Figure 2:

Turn Signal, Hazard and Stop Lamps Outputs


Object Number: 1888832  Size: FS
Master Electrical Component List
Exterior Lighting Systems Description and Operation
Control Module References
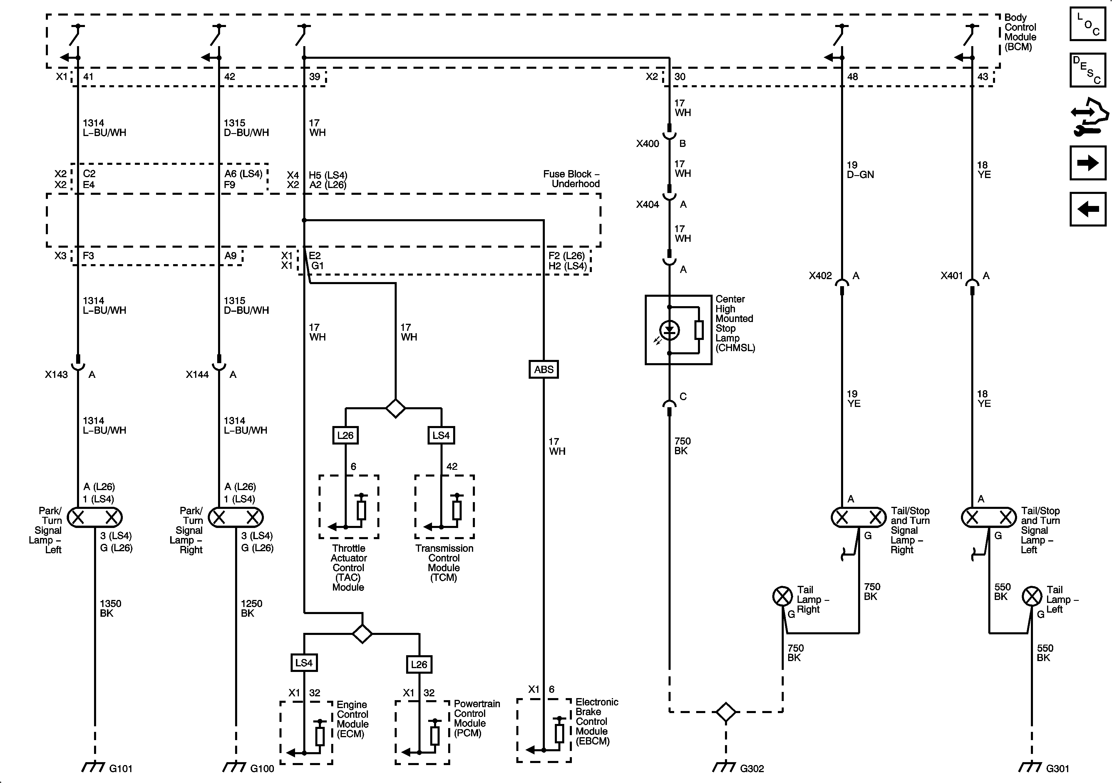
Park Lamps
Turn Signal, Hazard, and Stop Lamps Inputs
Figure 3:

Park Lamps


Object Number: 1888834  Size: FS
Master Electrical Component List
Exterior Lighting Systems Description and Operation
Control Module References
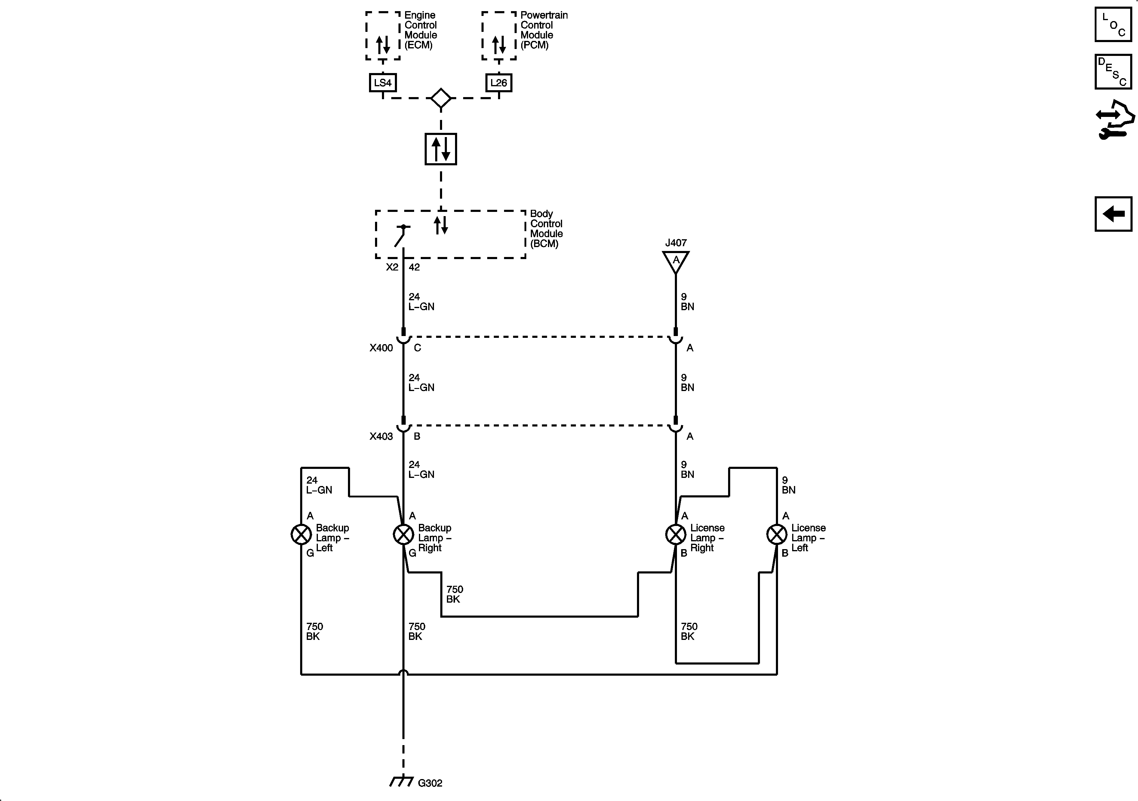
Backup and License Lamps
Turn Signal, Hazard, and Stop Lamps Outputs
Figure 4:

Backup and License Lamps


Object Number: 1888835  Size: FS
Master Electrical Component List
Exterior Lighting Systems Description and Operation
Control Module References
Park Lamps