GM Service Manual Online
For 1990-2009 cars only
Makes
🢒
Pontiac
🢒
2008
🢒
Grand Prix
🢒
Diagnostic Navigation
🢒
Vehicle Diagnostic Information
🢒 Interior Lights Schematics
Figure
1:
Interior Lights Switches
Master Electrical Component List
Interior Lighting Systems Description and Operation
Control Module References
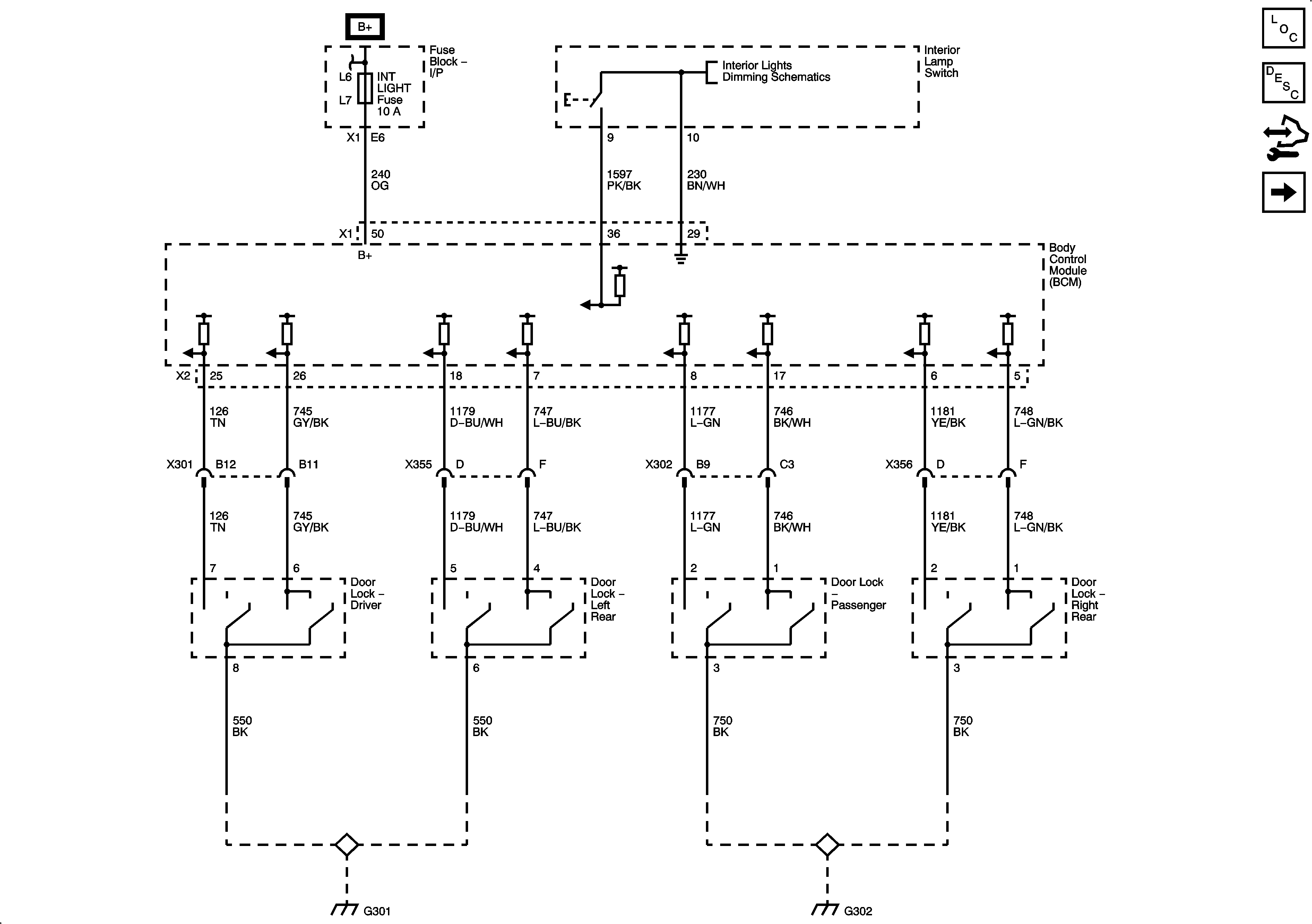
Lamps
Figure
2:
Courtesy Lamps
Master Electrical Component List
Interior Lighting Systems Description and Operation
Control Module References
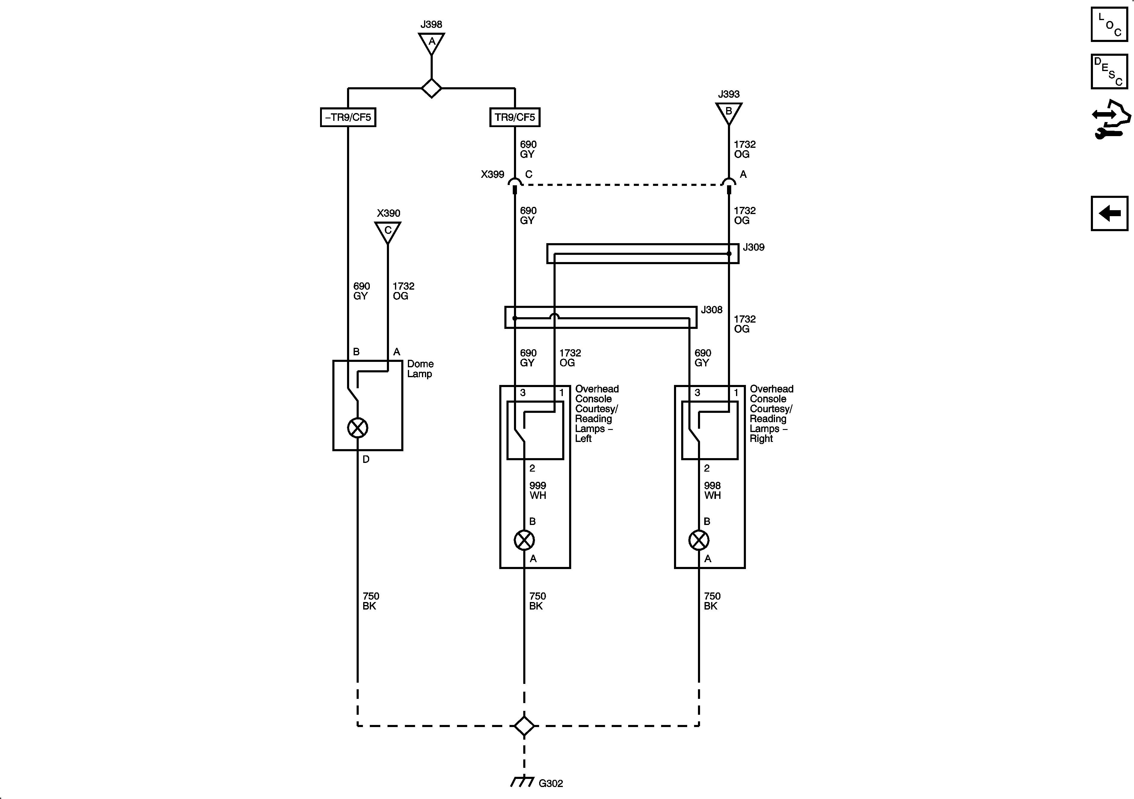
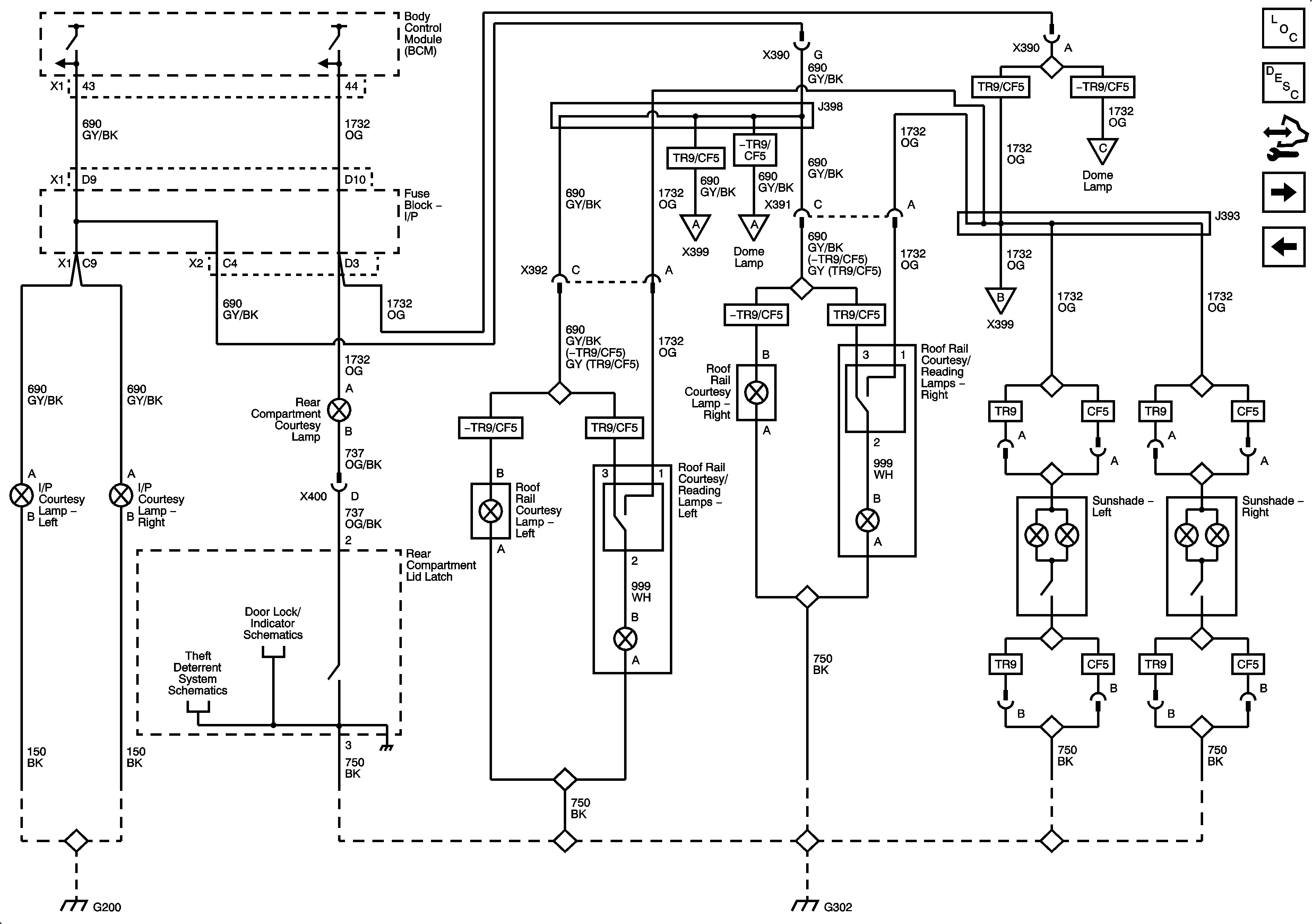
Overhead Lighting
Interior Lights Switches
Figure
3:
Overhead Lighting
Master Electrical Component List
Interior Lighting Systems Description and Operation
Control Module References
Lamps