GM Service Manual Online
For 1990-2009 cars only
Makes
🢒
Pontiac
🢒
2008
🢒
Grand Prix
🢒
Diagnostic Navigation
🢒
Vehicle Diagnostic Information
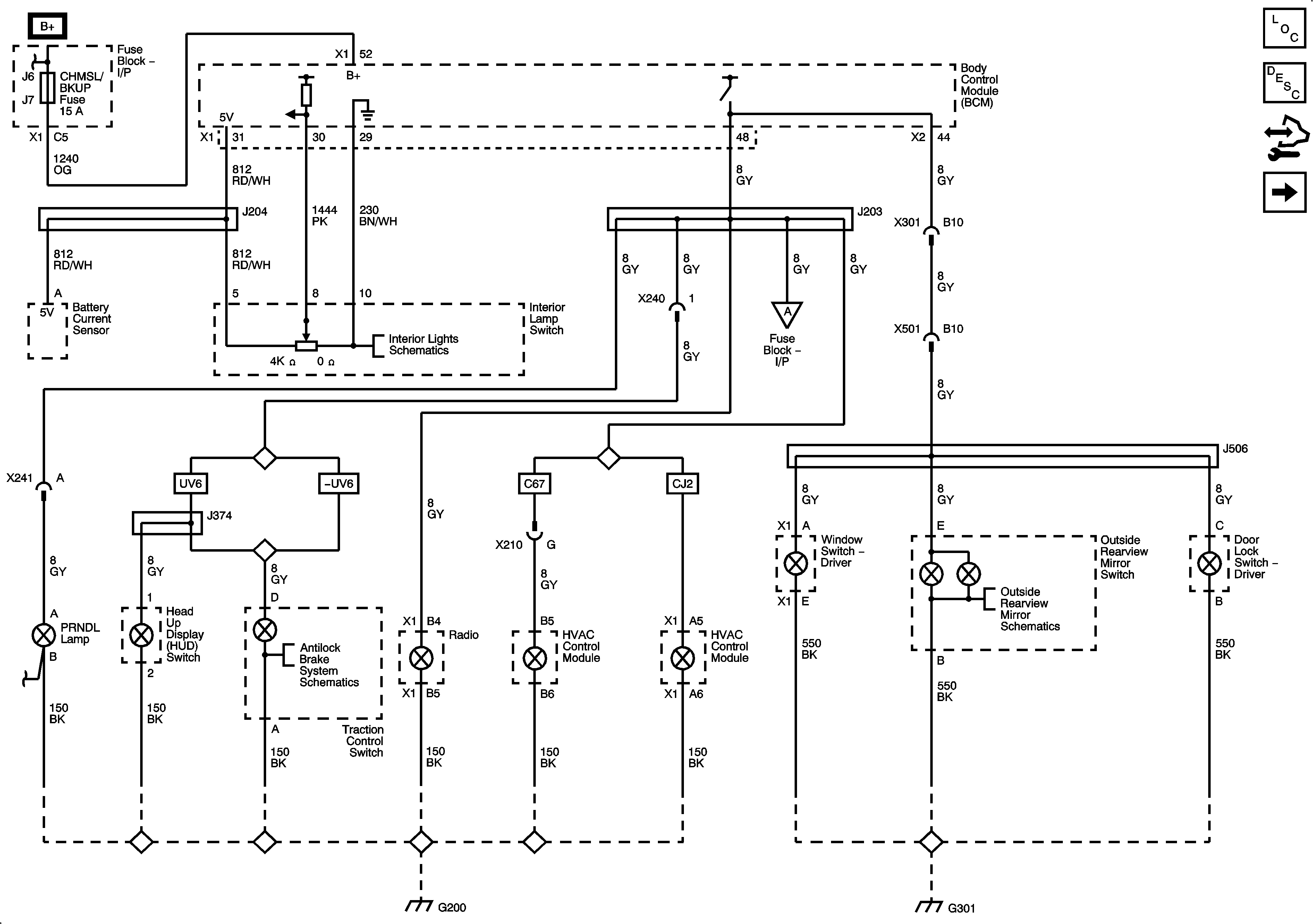
🢒 Interior Lights Dimming Schematics
Figure
1:
Interior Lamp Switch, Instrument Panel and Driver Door Lighting
Master Electrical Component List
Interior Lighting Systems Description and Operation
Control Module References
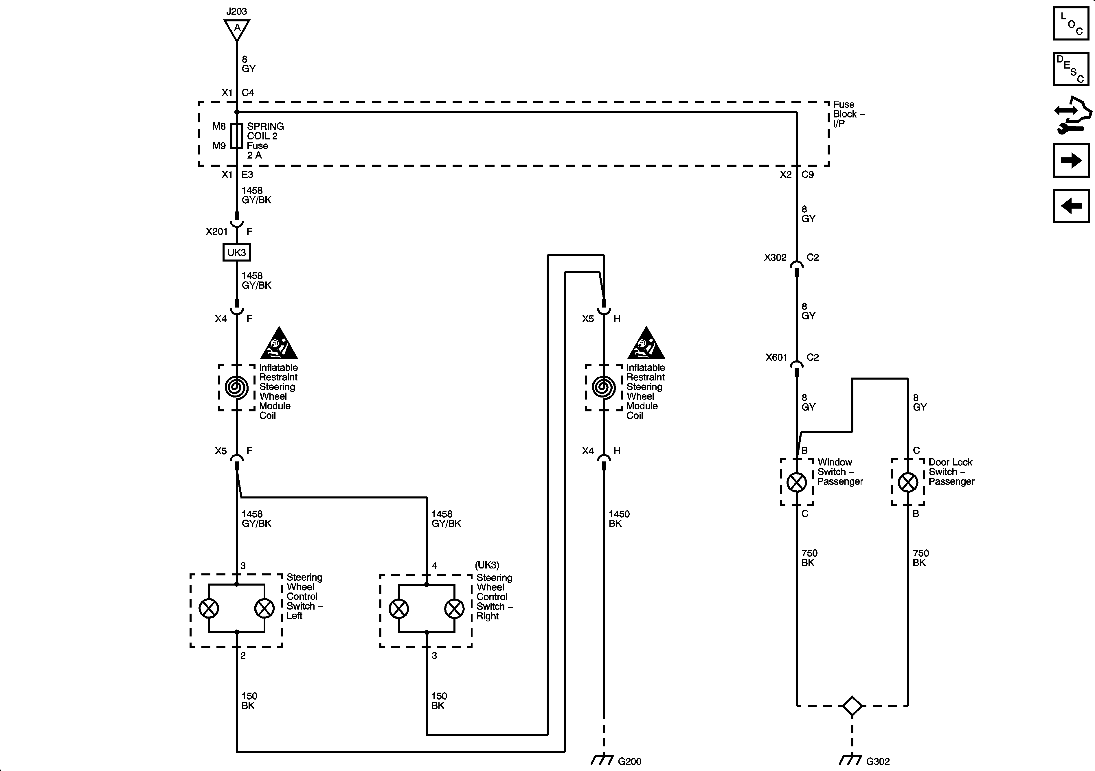
Steering Wheel and Front Passenger Door Lighting
Figure
2:
Steering Wheel and Front Passenger Door Lighting
Master Electrical Component List
Interior Lighting Systems Description and Operation
Control Module References
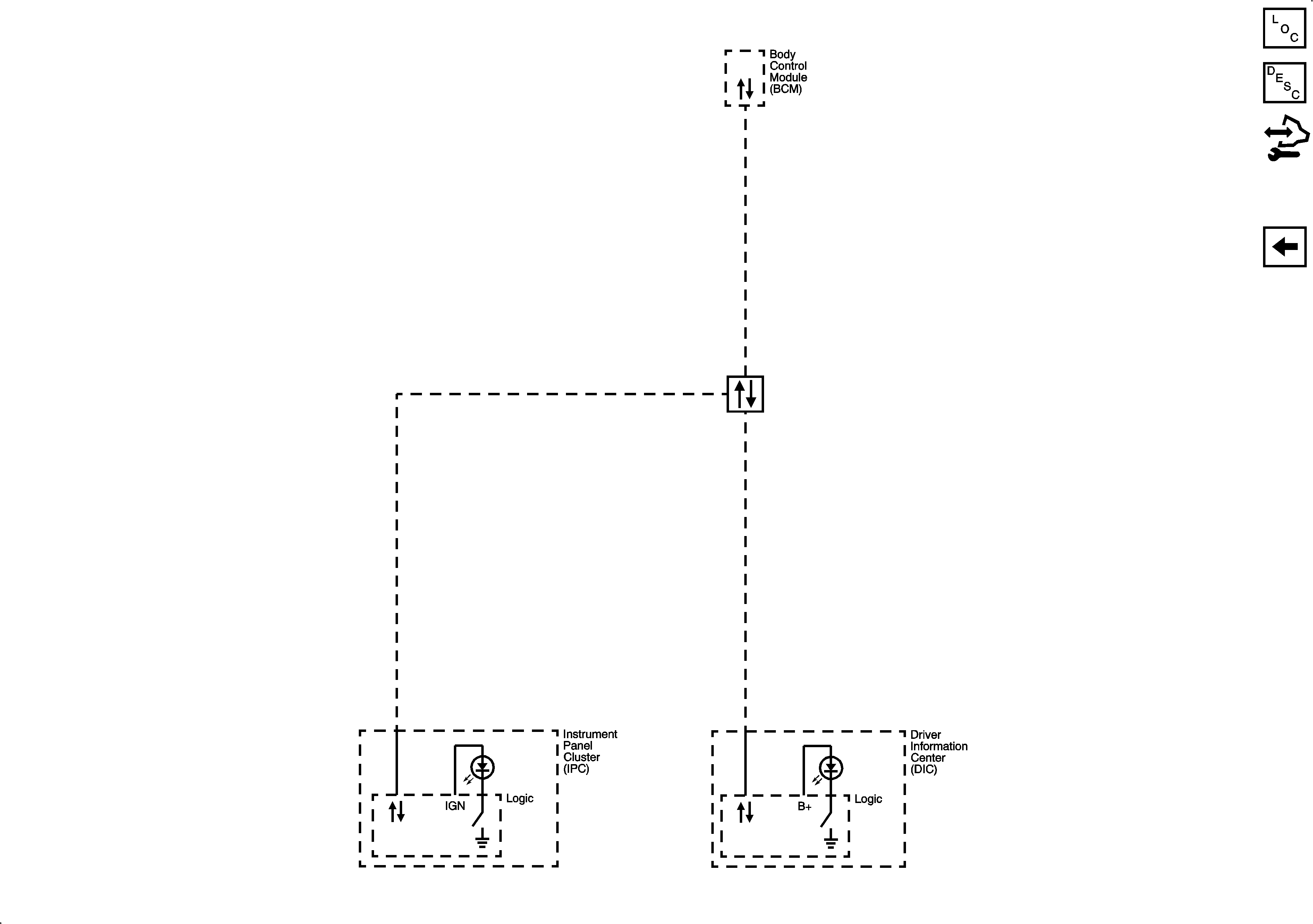
Class 2 Dimming
Interior Lamp Switch, I/P and Driver Door Lighting
Figure
3:
Class 2 Dimming
Master Electrical Component List
Interior Lighting Systems Description and Operation
Control Module References
Steering Wheel and Front Passenger Door Lighting