GM Service Manual Online
For 1990-2009 cars only
Makes
🢒
Pontiac
🢒
2008
🢒
Grand Prix
🢒
Diagnostic Navigation
🢒
Vehicle Diagnostic Information
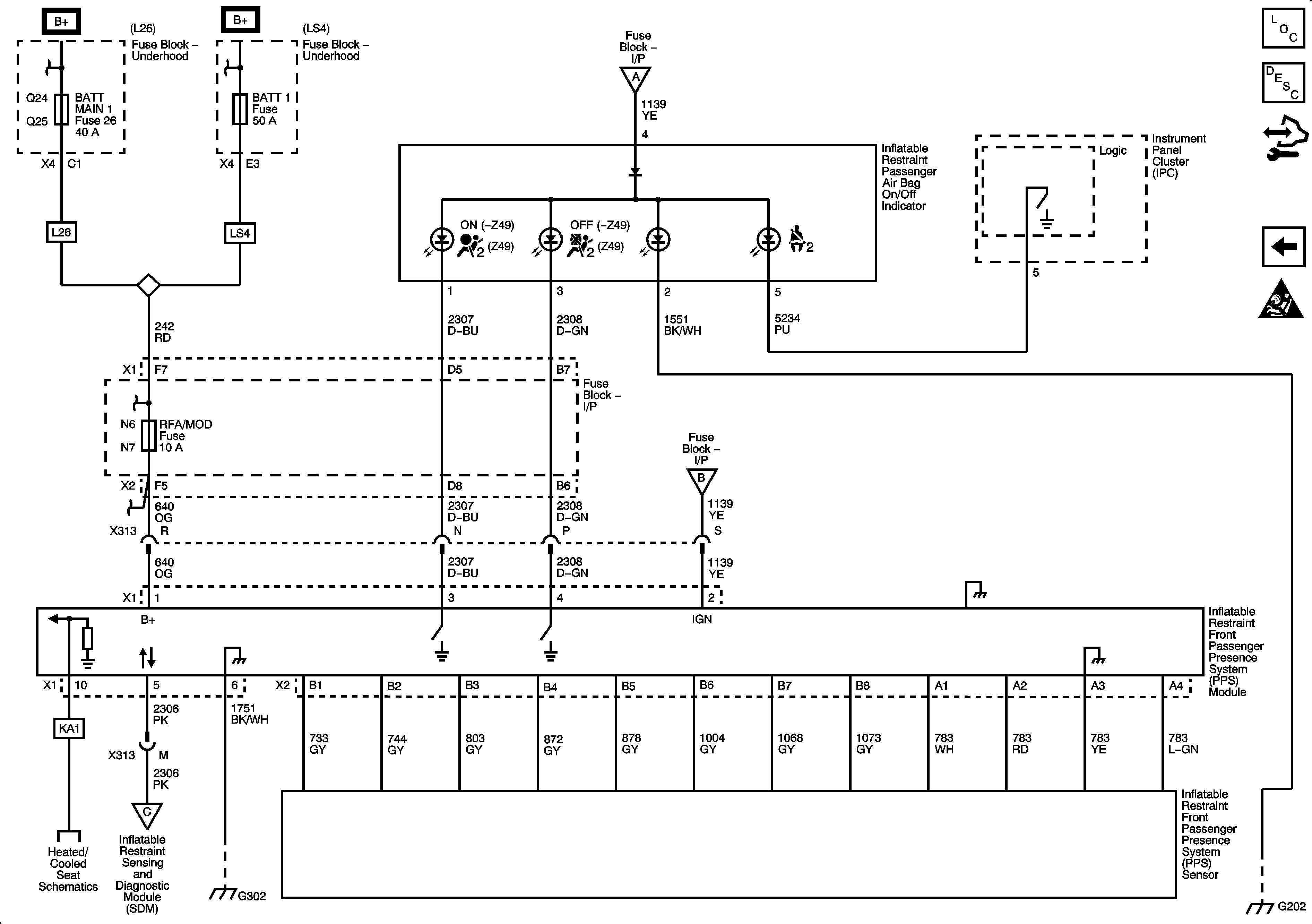
🢒 SIR Schematics
Figure
1:
Power, Ground, DLC, Indicators, Sensors and References
Master Electrical Component List
SIR System Description and Operation
Control Module References
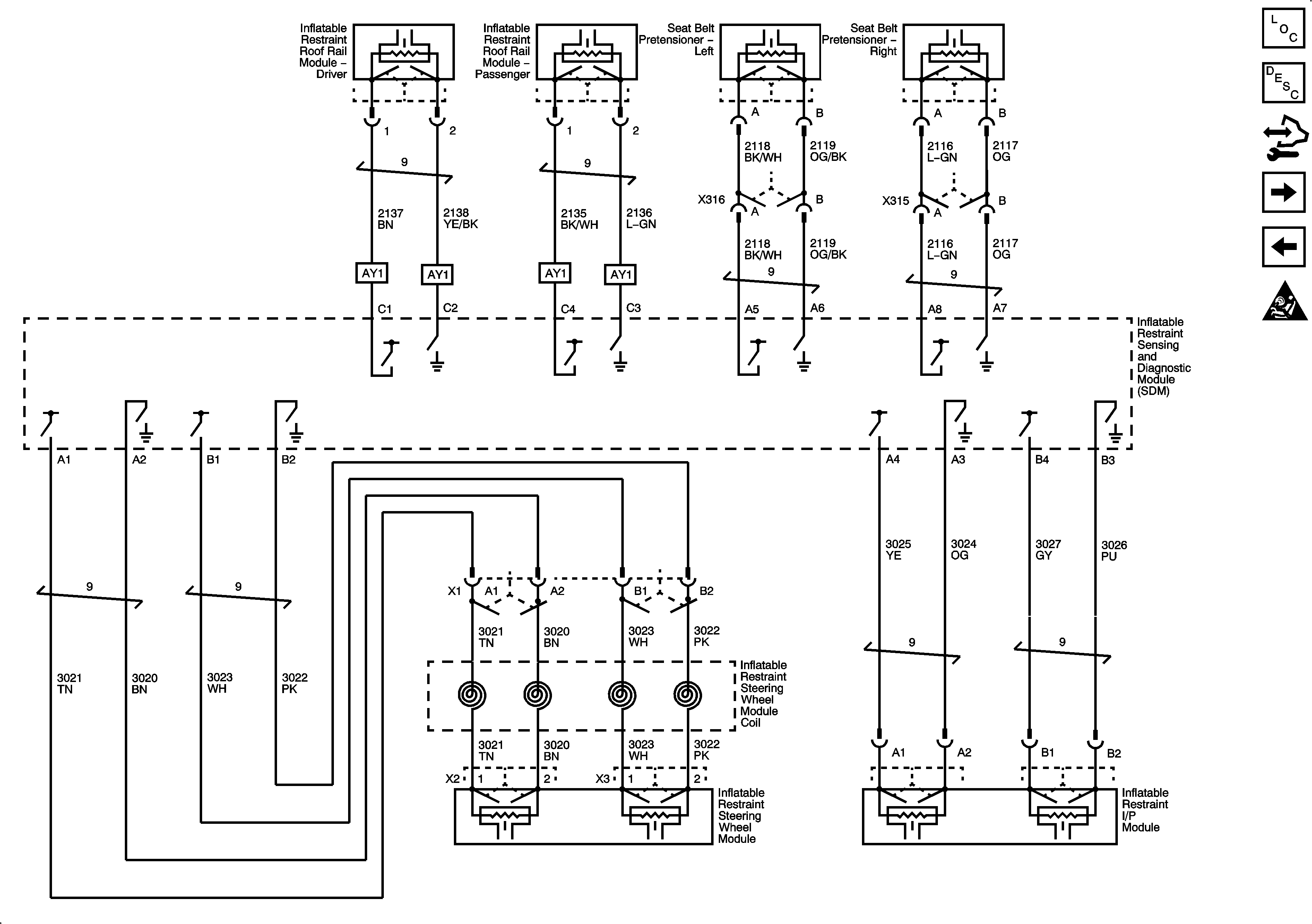
Deployment Loops
Figure
2:
Deployment Loops
Master Electrical Component List
SIR System Description and Operation
Control Module References
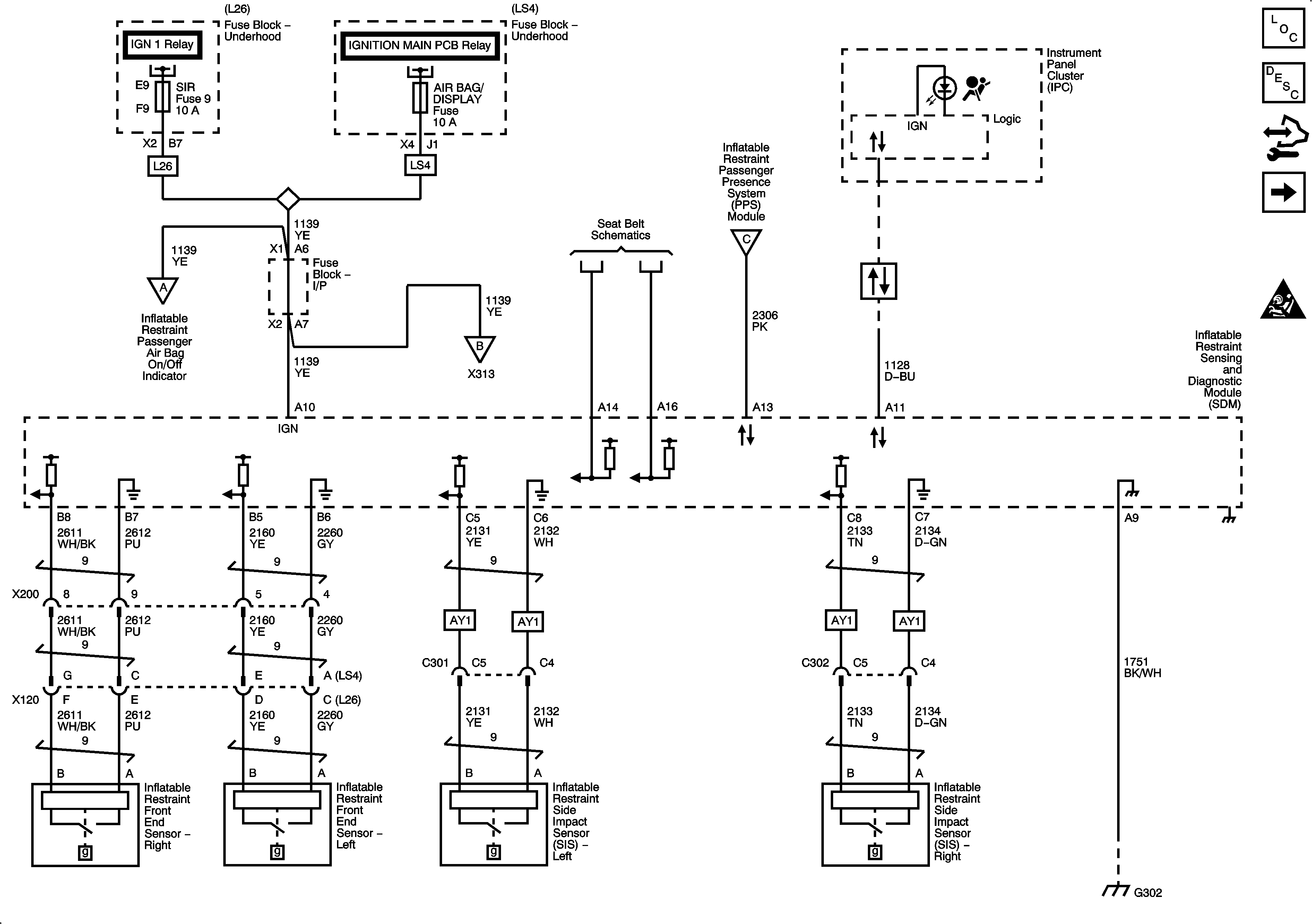
Passenger Presence System
Power, Ground, DLC, Indicators, Sensors and References
Figure
3:
Passenger Presence System
Master Electrical Component List
SIR System Description and Operation
Control Module References
Deployment Loops