GM Service Manual Online
For 1990-2009 cars only
Makes
🢒
Pontiac
🢒
2008
🢒
Grand Prix
🢒
Body Systems
🢒
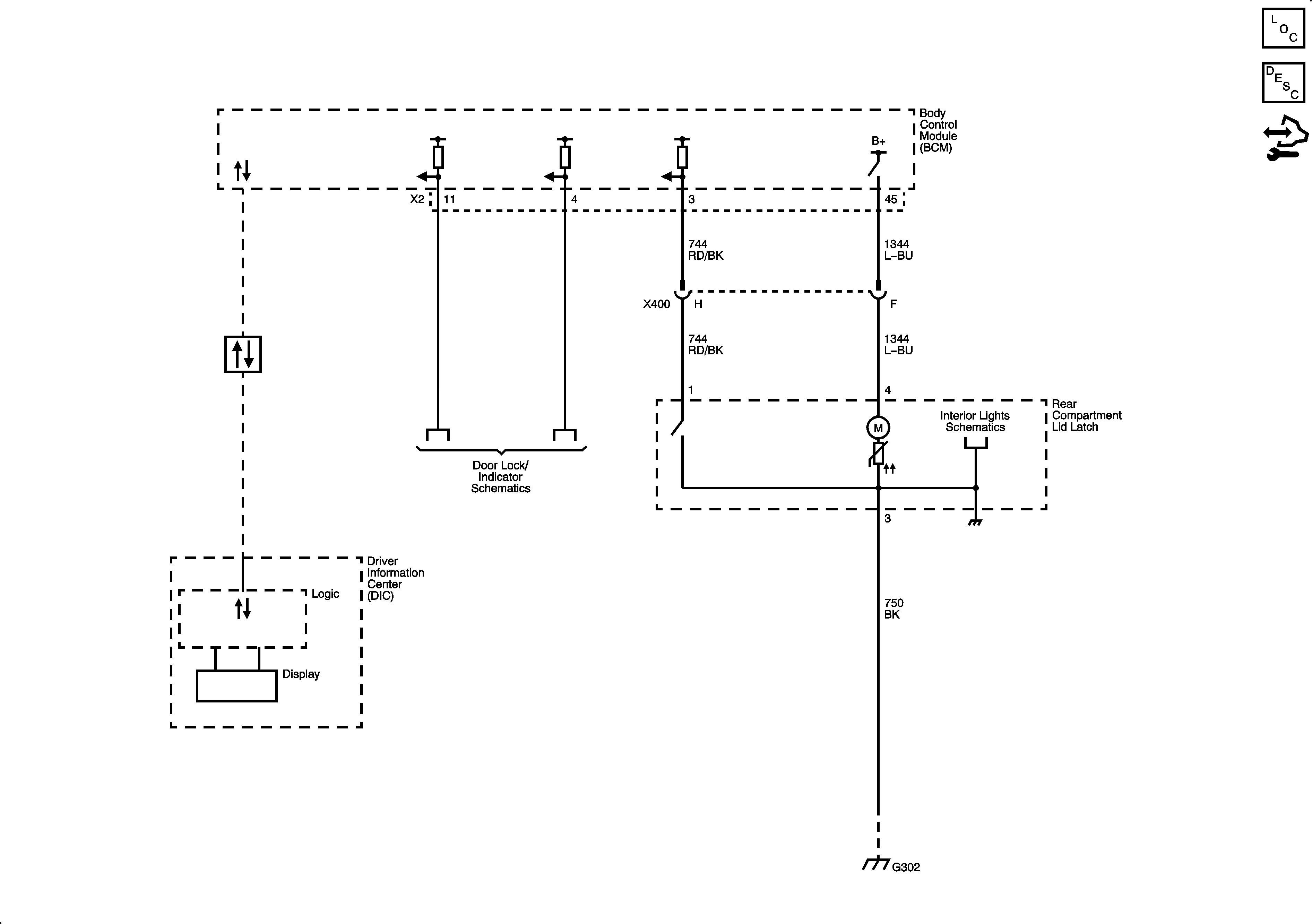
Vehicle Access
🢒 Release Systems Schematics
Body Rear End
Master Electrical Component List
Luggage Compartment Description and Operation
Control Module References