GM Service Manual Online
For 1990-2009 cars only
Figure 1:

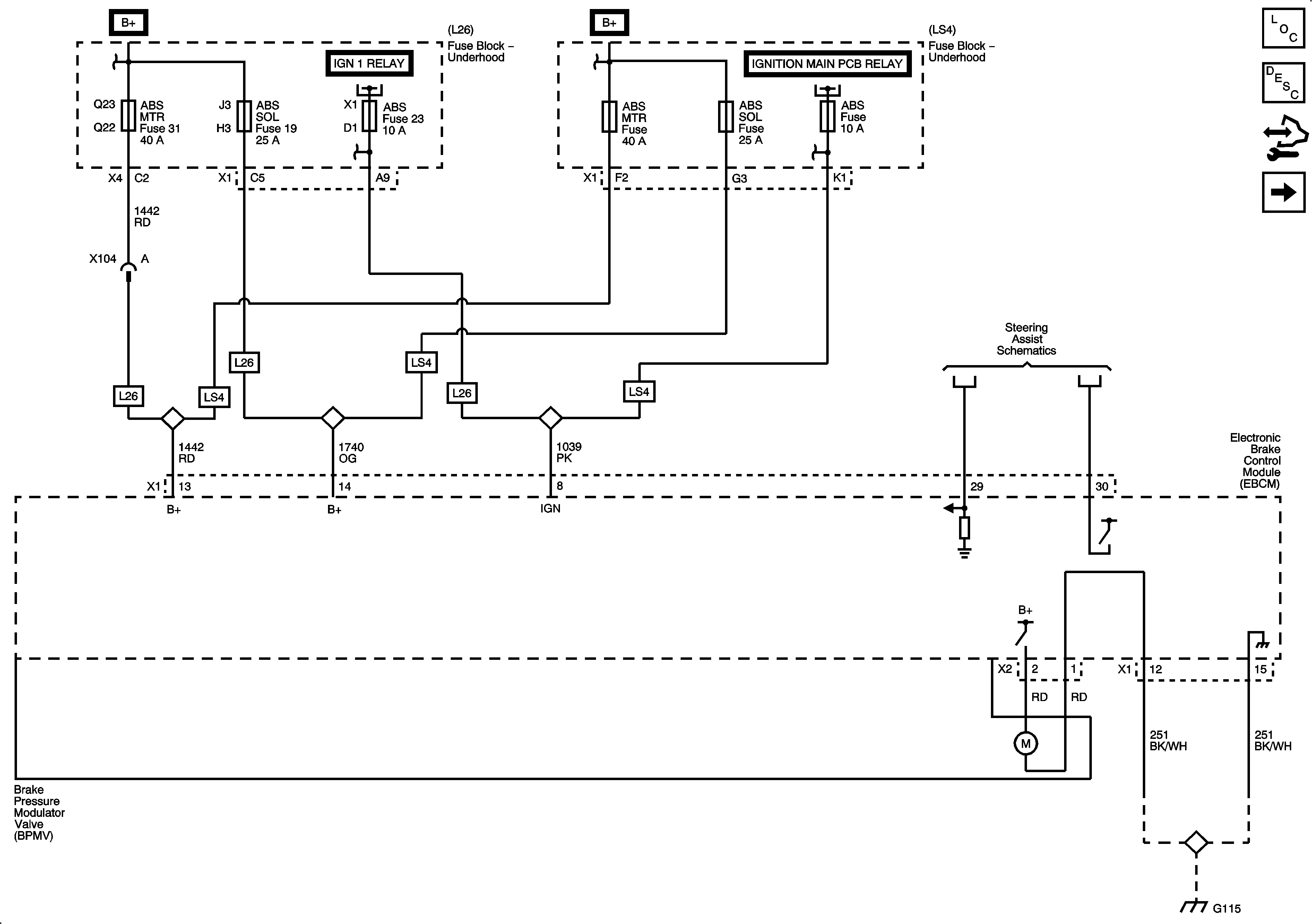
Power, Ground, and Brake Pressure Modulator


Object Number: 1889078  Size: FS
Master Electrical Component List
ABS Description and Operation
Control Module References
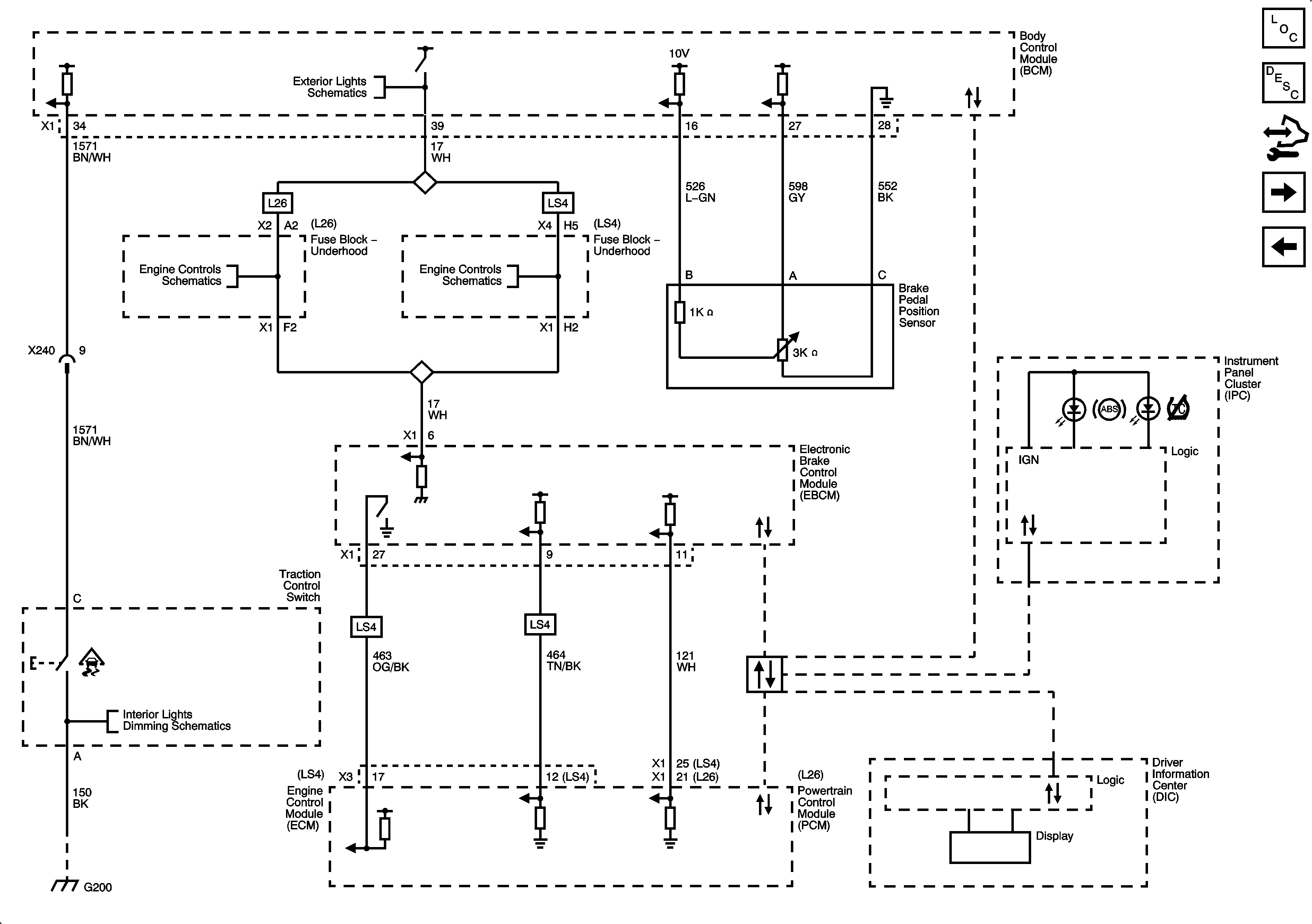
Indicator, ABS, Stability and Traction Controls
Figure 2:

Indicator, ABS, Stability, and Traction Controls


Object Number: 1889080  Size: FS
Master Electrical Component List
ABS Description and Operation
Control Module References
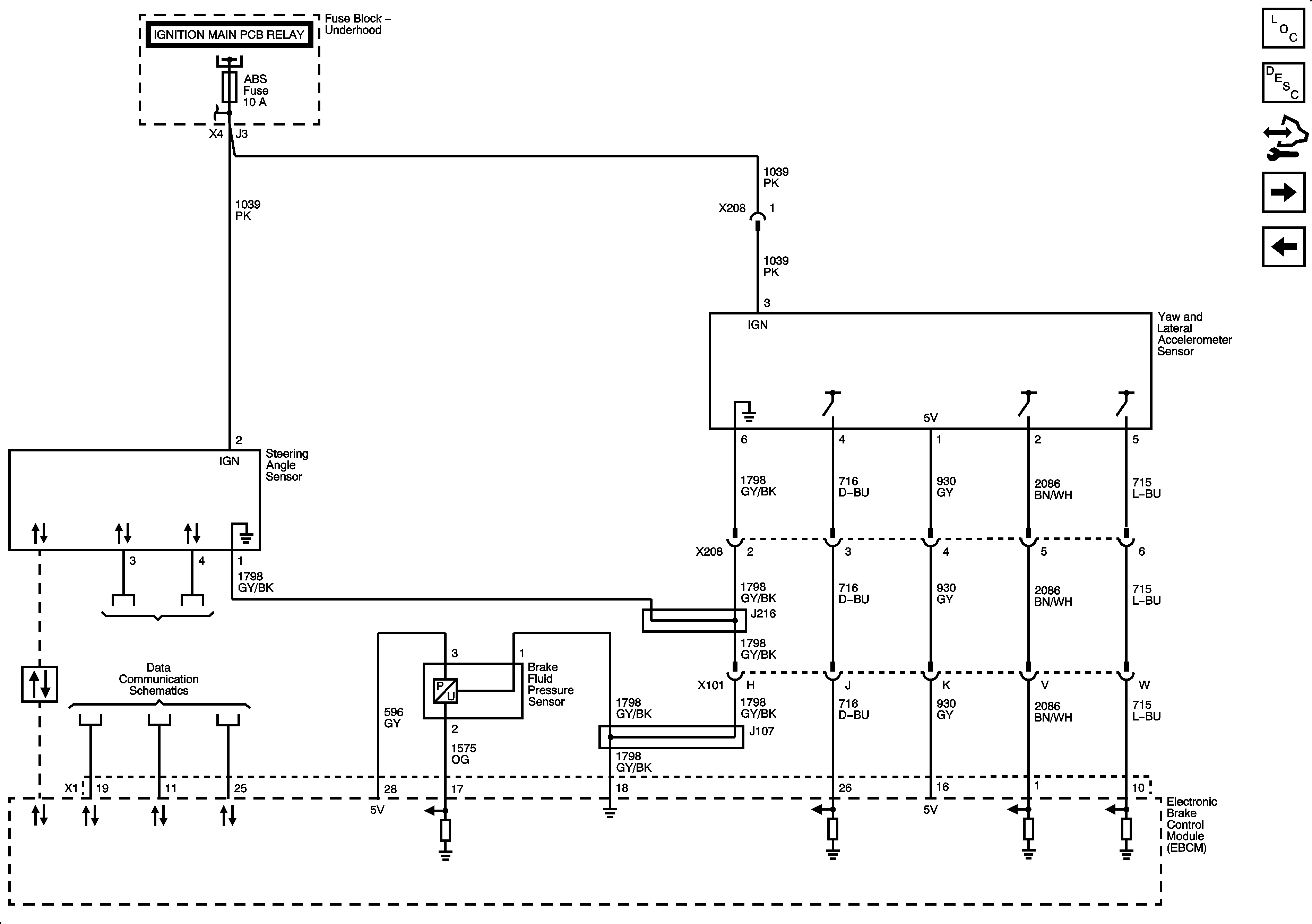
Stability Controls Sensors (JL4)
Power, Ground, and Brake Pressure Modulator
Figure 3:

Stability Controls Sensors - JL4


Object Number: 1889083  Size: FS
Master Electrical Component List
ABS Description and Operation
Control Module References
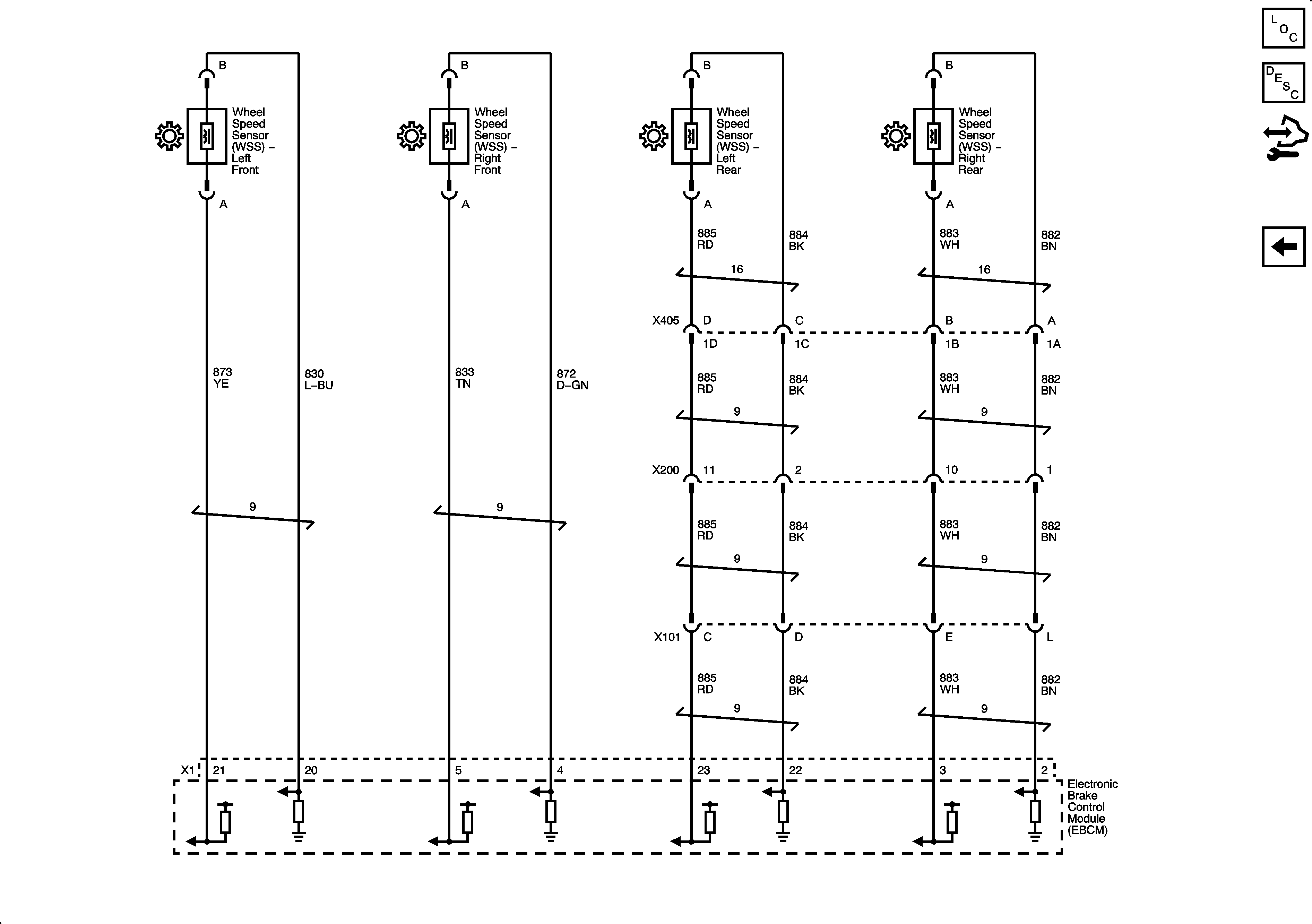
Wheel Speed Sensors
Indicator, ABS, Stability and Traction Controls
Figure 4:

Wheel Speed Sensors


Object Number: 1889086  Size: FS
Master Electrical Component List
ABS Description and Operation
Control Module References
Stability Controls Sensors (JL4)