GM Service Manual Online
For 1990-2009 cars only
Makes
🢒
Pontiac
🢒
2008
🢒
Grand Prix
🢒
Transmission/Transaxle
🢒
Shift Lock Control
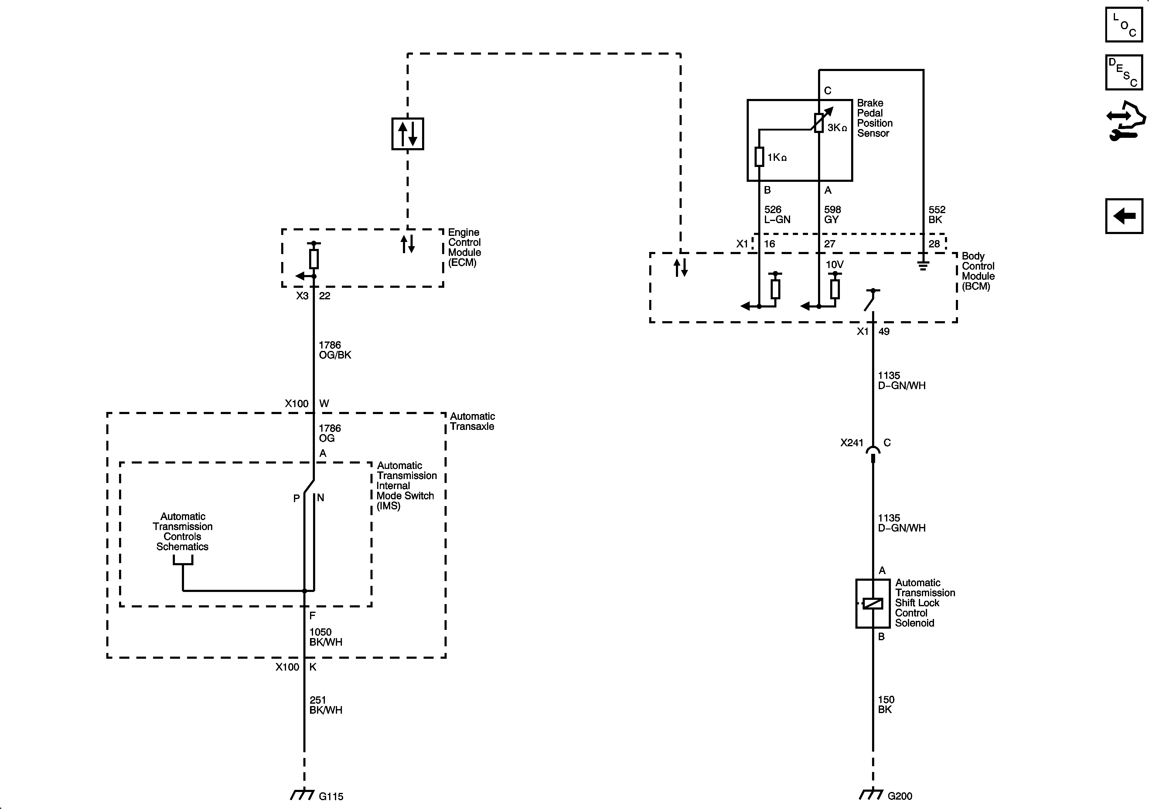
🢒 Shift Lock Control Schematics
Figure
1:
L26
Master Electrical Component List
Automatic Transmission Shift Lock Control Description and Operation L26/L32/3.6L
Control Module References
Shift Lock Control LS4
Figure
2:
LS4
Master Electrical Component List
Automatic Transmission Shift Lock Control Description and Operation LS4/5.3L
Control Module References
Shift Lock Control