GM Service Manual Online
For 1990-2009 cars only
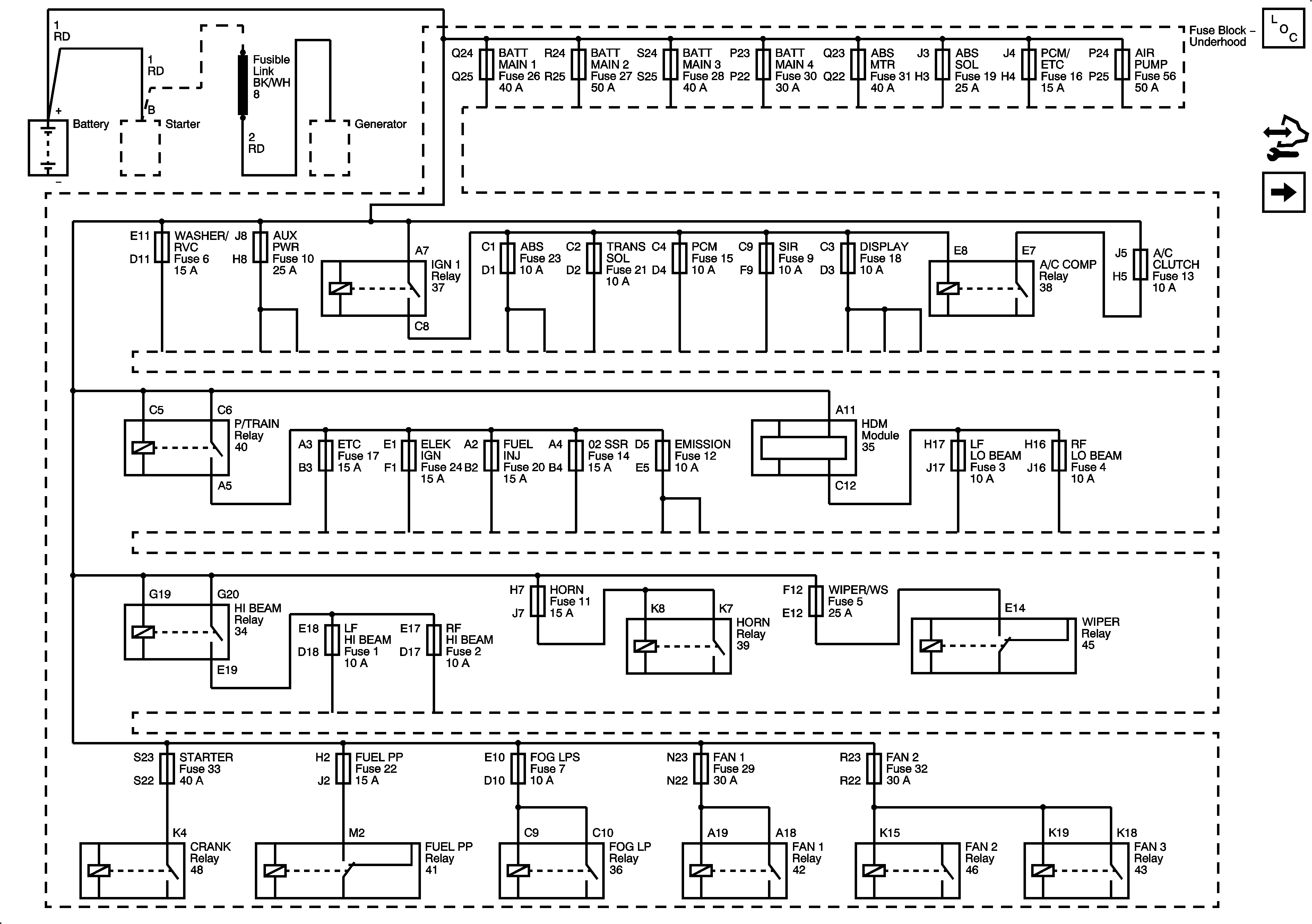
Figure 1:

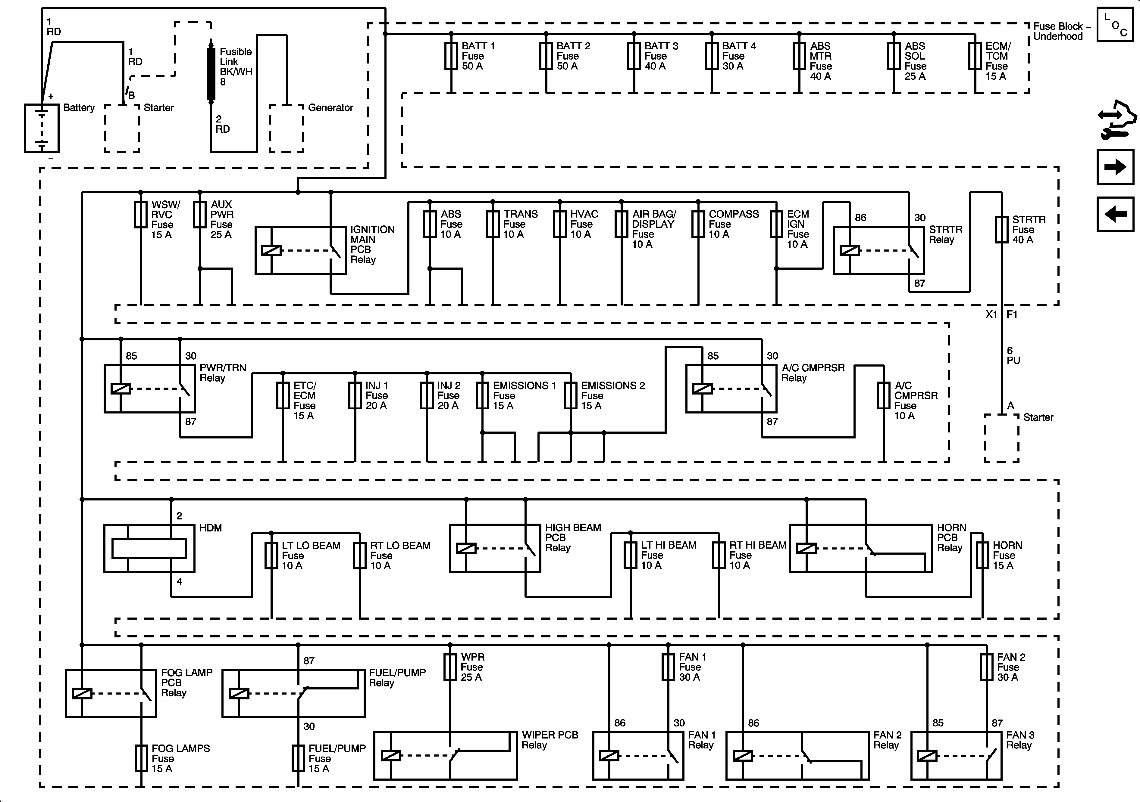
Fuse Block Underhood Bussing (L26)


Object Number: 1888919  Size: FS
Master Electrical Component List
Control Module References
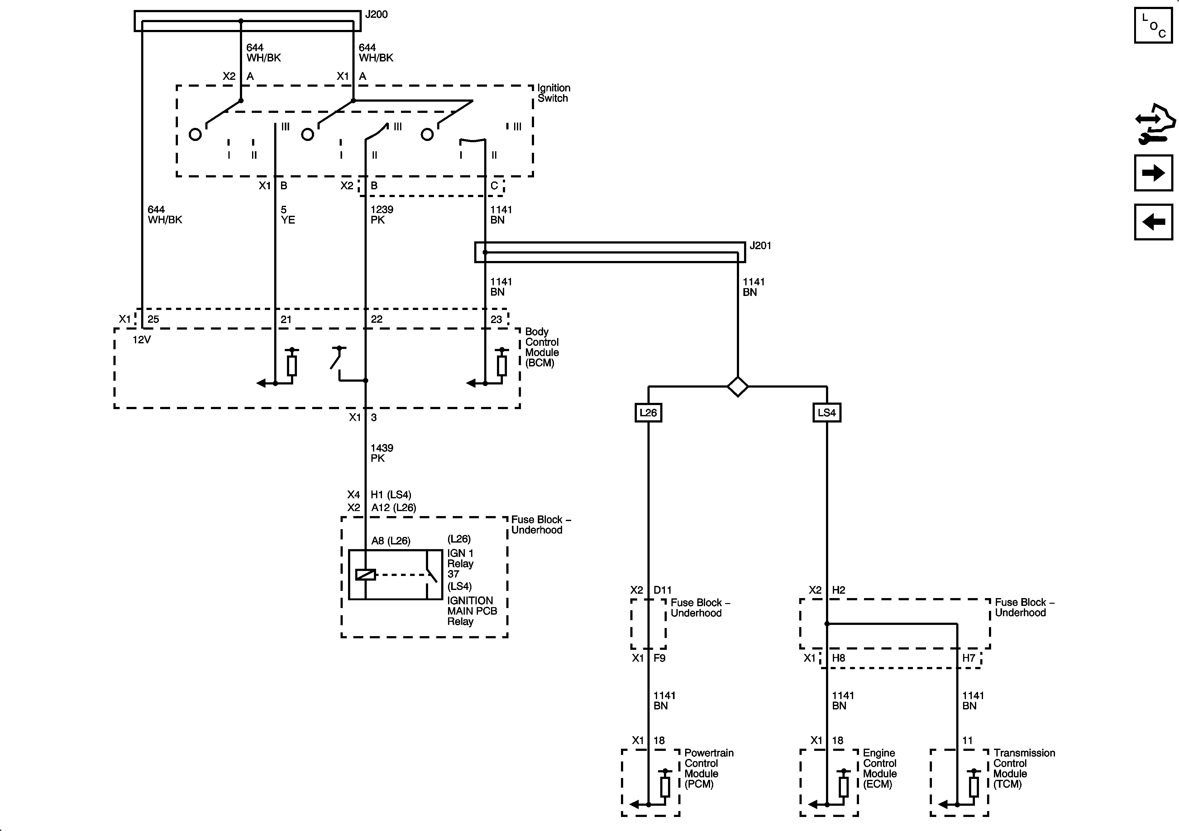
Ignition Switch
Figure 2:

Fuse Block Underhood Bussing (LS4)


Object Number: 1888975  Size: FS
Master Electrical Component List
Control Module References
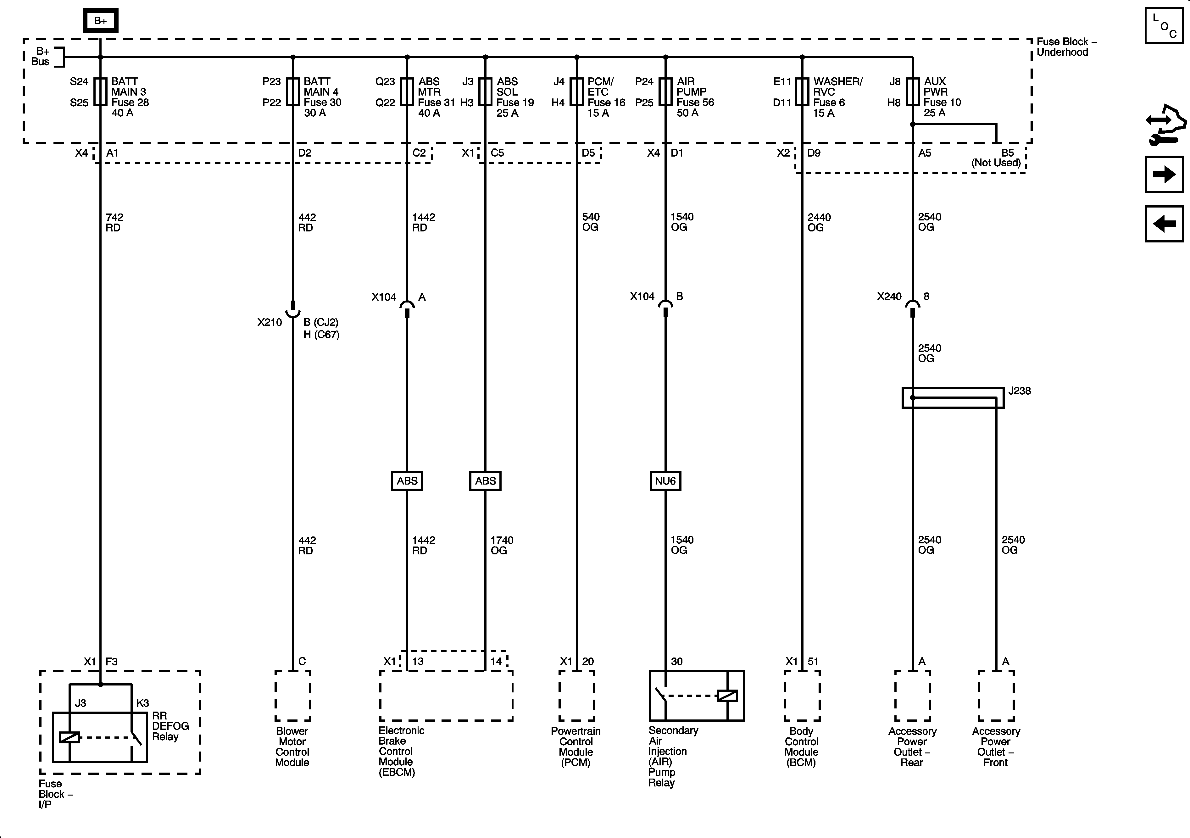
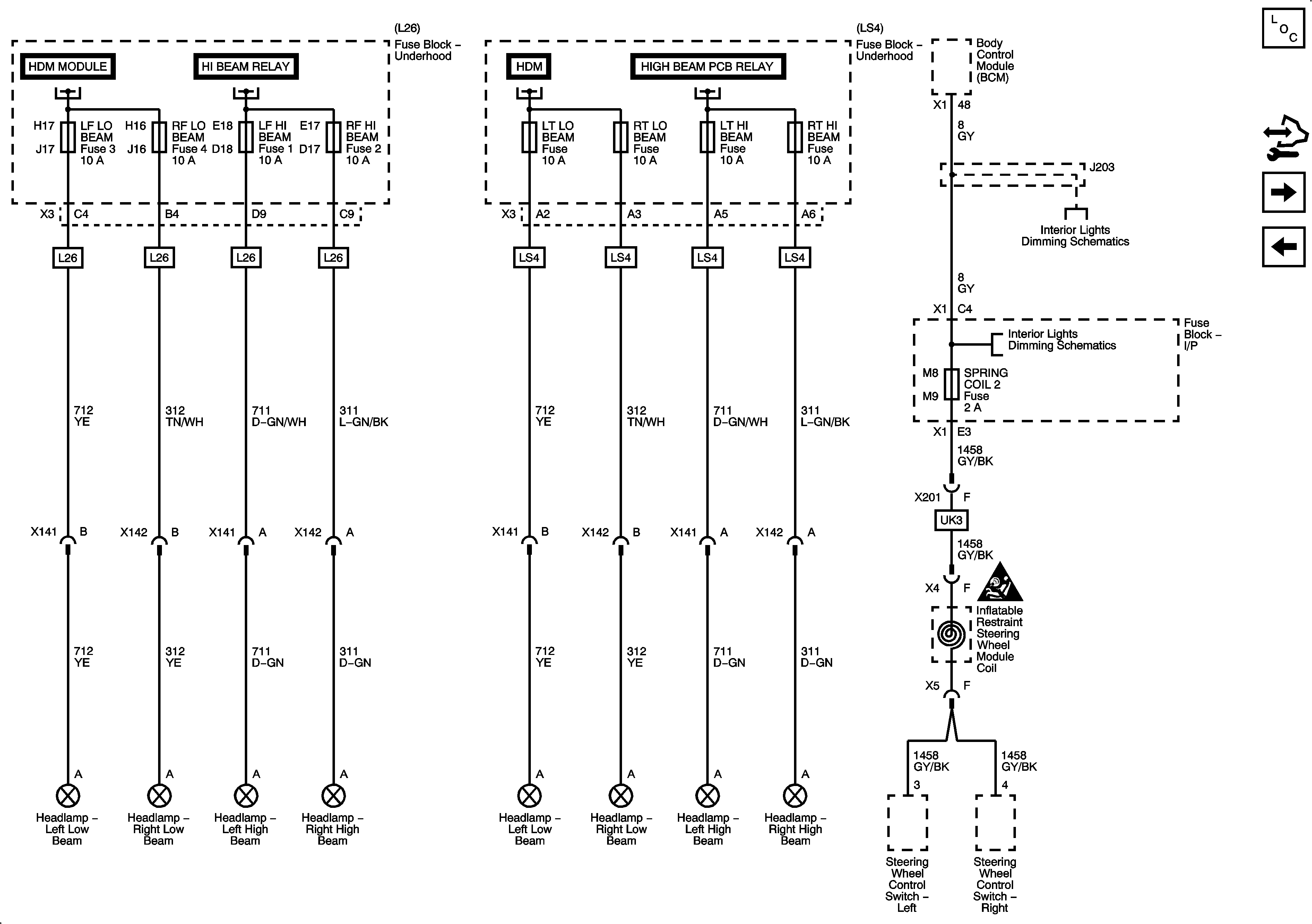
BATT 3, BATT4, ABS MTR, ABS SOL, ECM/TCM/WSW/RVC and AUX PWR Fuses
LF LOW BEAM, RF LOW BEAM, LF HIGH BEAM, RF HIGH BEAM, and SPRING COIL 2 Fuses
Figure 3:

Ignition Switch


Object Number: 1888925  Size: FS
Master Electrical Component List
Control Module References
BATT MAIN 1 (L26), BATT 1 (LS4), PK LAMPS, DISPLAYS, CHMSL/BKUP, INT LIGHT, RFA MOD, RADIO/AMP, ONSTAR/ALDL, HVAC, CANISTER Fuses and PKLP Relay
Fuse Block Underhood Bussing (L26)
Figure 4:

BATT MAIN 1, PK LAMPS, DISPLAYS, CHMSL/BKUP, INT LIGHT, RFA MOD, RADIO/AMP,ONSTAR/ALDL, HVAC CANISTER Fuses


Object Number: 1888927  Size: FS
Master Electrical Component List
Control Module References
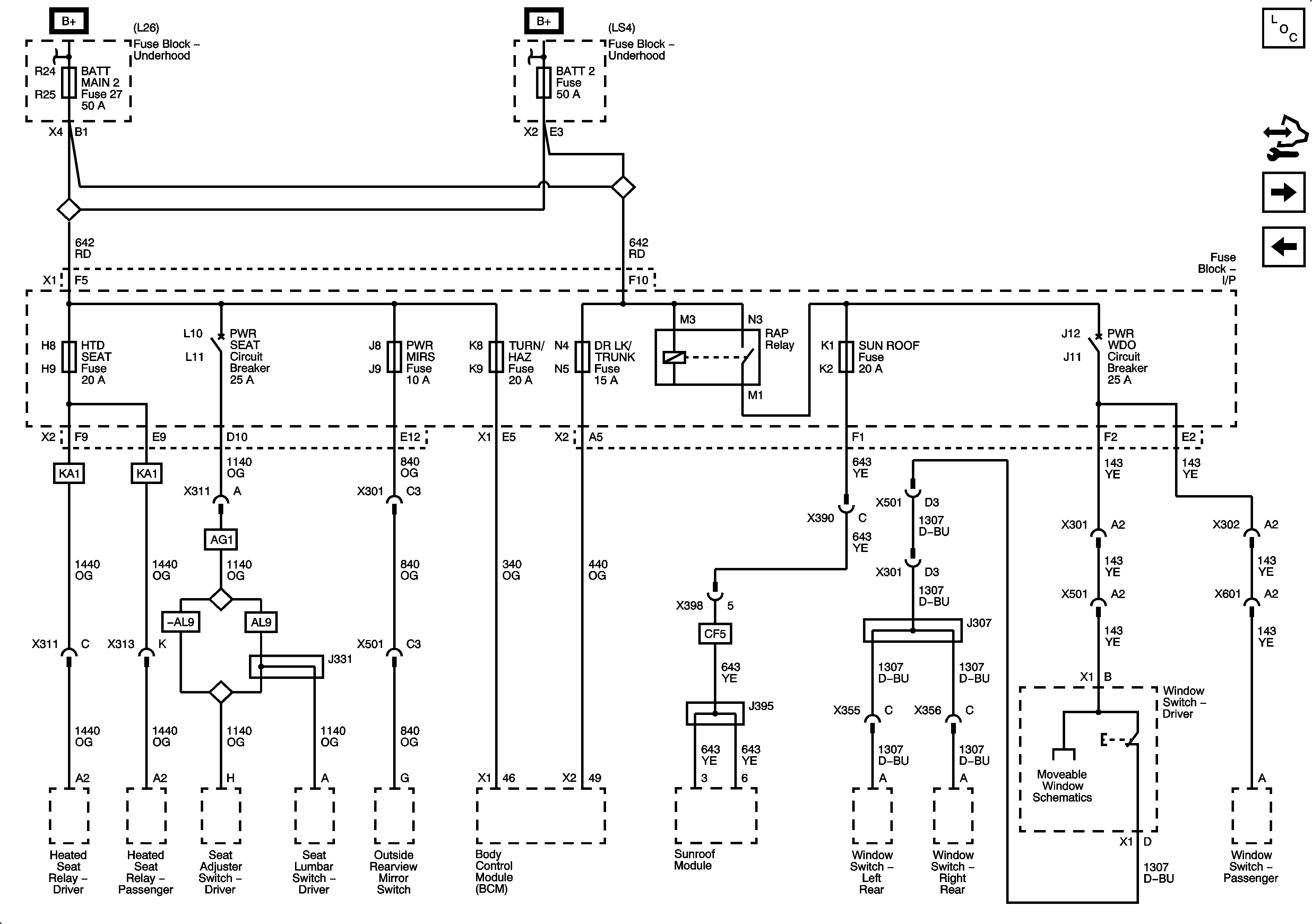
BATT MAIN 2, HDT SEAT, PWR MIRS, TURN/HAZ, DR LK/TURN, SUNROOF, Fuses, PWR SEAT, PWR WDO Circuit Breakers and RAP Relay
Ignition Switch
Figure 5:

BATT MAIN 2, HDT SEAT, PWR MIRS, TURN/HAZ, DR LK/TURN, SUNROOF Fuses, PWR SEAT, PWR WDO Circuit Breakers


Object Number: 1888934  Size: FS
Master Electrical Component List
Control Module References
BATT MAIN 3, BATT MAIN 4, ABS MTR, ABS SOL, PCM/ETC, AIR PUMP, WASHER RVC, and AUX PWR Fuses
BATT MAIN 1 (L26), BATT 1 (LS4), PK LAMPS, DISPLAYS, CHMSL/BKUP, INT LIGHT, RFA MOD, RADIO/AMP, ONSTAR/ALDL, HVAC, CANISTER Fuses and PKLP Relay
Figure 6:

BATT MAIN 3, BATT MAIN 4, ABS MTR, ABS SOL, PCM/ETC, AIR PUMP, WASHER RVC, and AUX PWR Fuses


Object Number: 1888940  Size: FS
Master Electrical Component List
Control Module References
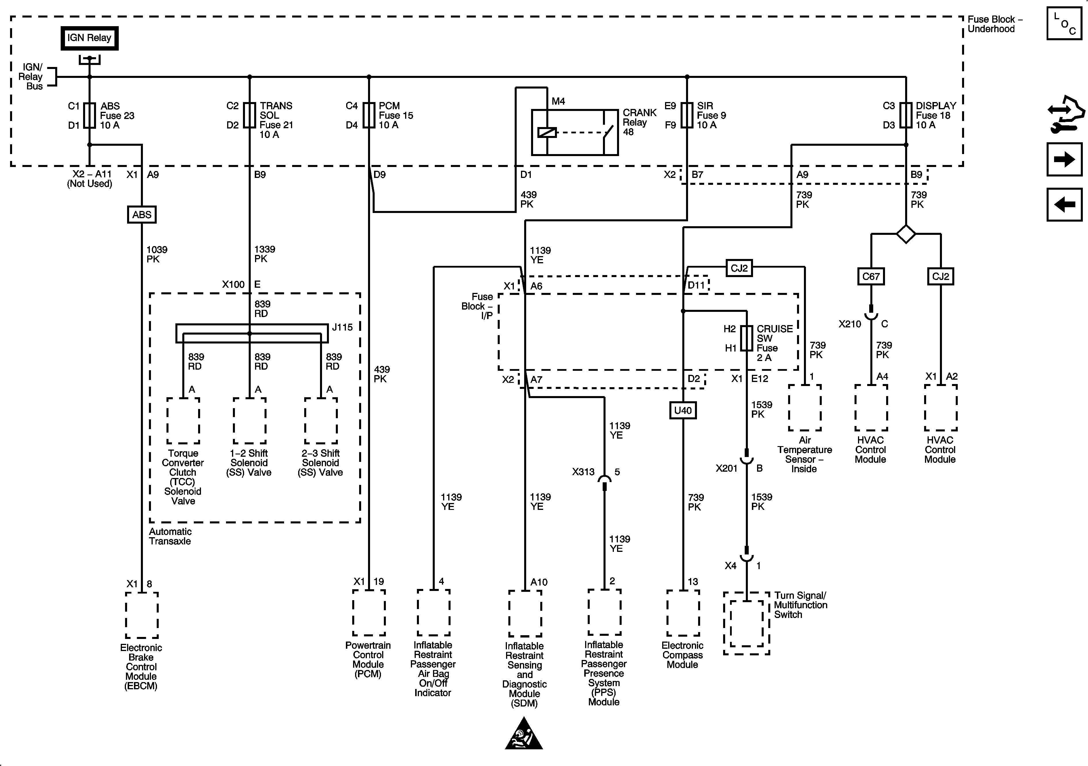
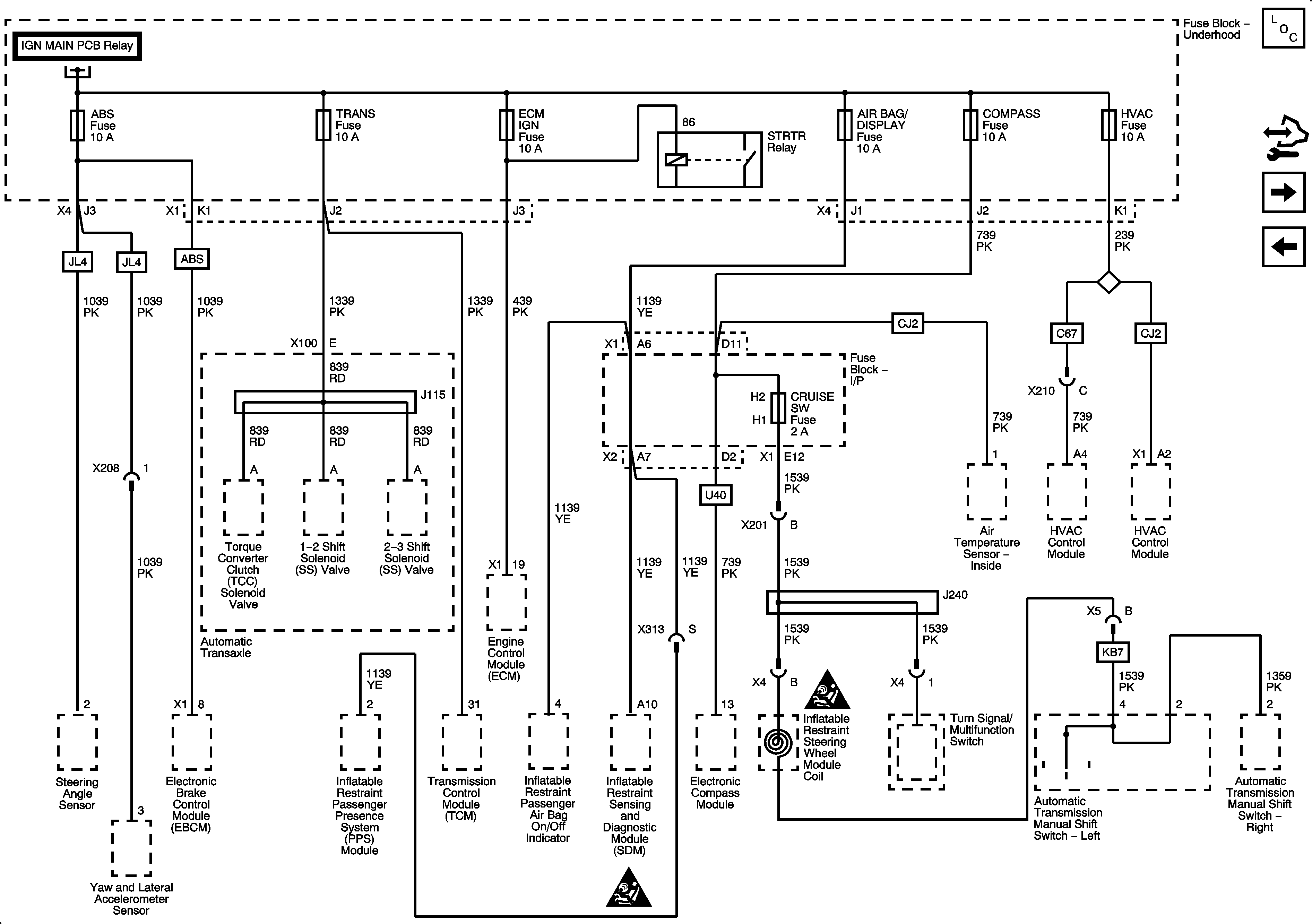
ABS, TRANS SOL, PCM, SIR, DISPLAY, CRUISE SW Fuses, and CRANK Relay
BATT MAIN 2, HDT SEAT, PWR MIRS, TURN/HAZ, DR LK/TURN, SUNROOF, Fuses, PWR SEAT, PWR WDO Circuit Breakers and RAP Relay
Figure 7:

BATT 3, BATT 4, ABS MTR, ABS SOL, ECM/TCM/WSW/RVC AND AUX PWR Fuses


Object Number: 1888984  Size: FS
Master Electrical Component List
Control Module References
ABS, TRANS, ECM, IGN, AIRBAG/DISPLAY, COMPASS, HVAC Fuses and STRTR Relay
Fuse Block Underhood Bussing (LS4)
Figure 8:

ABS, TRANS SOL, PCM, SIR, DISPLAY, CRUISE SW Fuses and Crank Relay


Object Number: 1888947  Size: FS
Master Electrical Component List
Control Module References
ETC, ELEC IGN, FUEL INJ, O2 SSR AND EMISSION Fuses
BATT MAIN 3, BATT MAIN 4, ABS MTR, ABS SOL, PCM/ETC, AIR PUMP, WASHER RVC, and AUX PWR Fuses
Figure 9:

ABS, TRANS, ECM IGN, AIRBAG/DISPLAY, COMPASS, HVAC Fuses and STRTR Relay


Object Number: 1888985  Size: FS
Master Electrical Component List
Control Module References
ETC /ECM, Injector 1 and Injector 2 Fuses (LS4)
BATT 3, BATT4, ABS MTR, ABS SOL, ECM/TCM/WSW/RVC and AUX PWR Fuses
Figure 10:

ETC, ELEC IGN, FUEL INJ, O2 SSR, and EMISSION Fuses


Object Number: 1888950  Size: FS
Master Electrical Component List
Control Module References
LF LOW BEAM, RF LOW BEAM, LF HIGH BEAM, RF HIGH BEAM, and SPRING COIL 2 Fuses
ABS, TRANS SOL, PCM, SIR, DISPLAY, CRUISE SW Fuses, and CRANK Relay
Figure 11:

ETC / ECM, Injector 1 and Injector 2 Fuses (LS4)


Object Number: 1888989  Size: FS
Master Electrical Component List
Control Module References
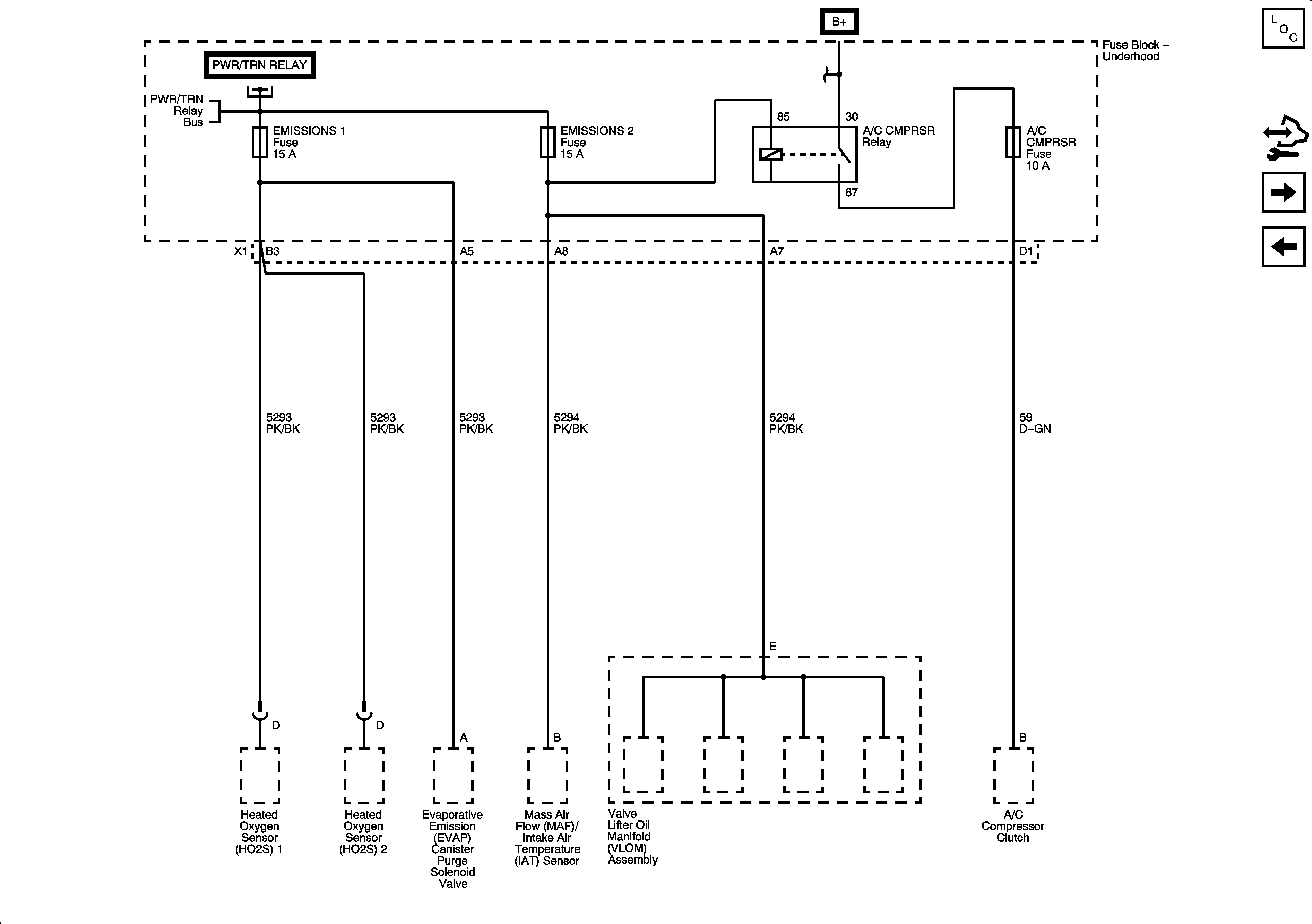
EMISSIONS 1, EMISSIONS 2, A/C COMPRSR Fuses and A/C COMPRSR Relay
ABS, TRANS, ECM, IGN, AIRBAG/DISPLAY, COMPASS, HVAC Fuses and STRTR Relay
Figure 12:

EMISSION 1, EMISSION 2, A/C COMPRSR Fuses and A/C COMPRSR Relay


Object Number: 1888991  Size: FS
Master Electrical Component List
Control Module References
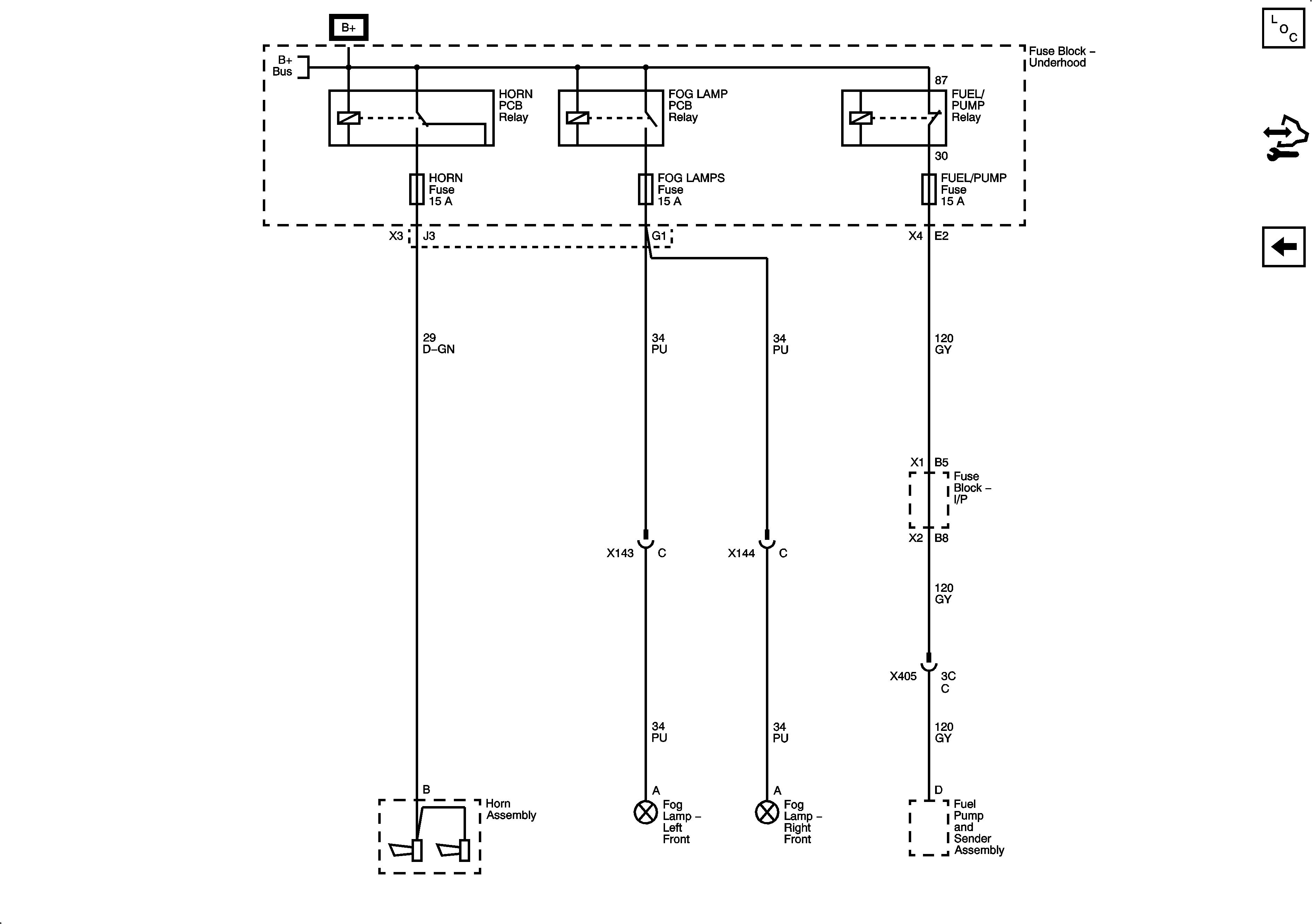
Horn, Fog Lamps, Fuel / Pump Fuses, Horn PCB, Fog Lamp PCB, and Fuel / Pump Relay (LS4)
ETC /ECM, Injector 1 and Injector 2 Fuses (LS4)
Figure 13:

LF LOW BEAM, RF LOW BEAM, LF HIGH BEAM, RF HIGH BEAM, and SPRING COIL 2 Fuses


Object Number: 1888955  Size: FS
Master Electrical Component List
Control Module References
Fuse Block Underhood Bussing (LS4)
ETC, ELEC IGN, FUEL INJ, O2 SSR AND EMISSION Fuses
Figure 14:

Horn, Fog Lamps, Fuel / Pump Fuses, Horn PCB, Fog Lamp PCB, and Fuel / Pump Relays (LS4)


Object Number: 1888993  Size: FS
Master Electrical Component List
Control Module References
EMISSIONS 1, EMISSIONS 2, A/C COMPRSR Fuses and A/C COMPRSR Relay