GM Service Manual Online
For 1990-2009 cars only
Makes
🢒
Pontiac
🢒
2008
🢒
Grand Prix
🢒
Roof
🢒
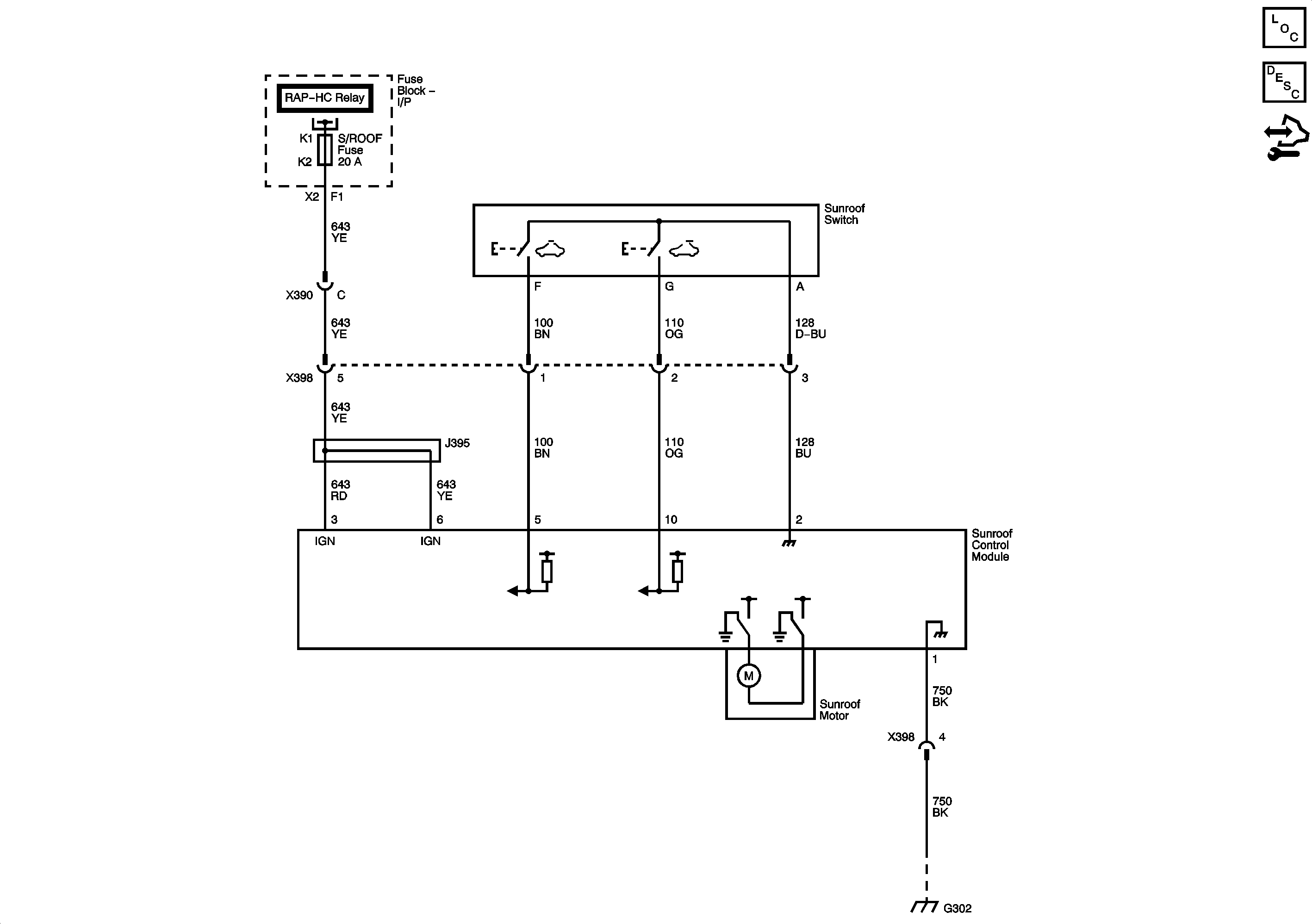
Sunroof
🢒 Sunroof Schematics
Master Electrical Component List
Sunroof Description and Operation One Connector System
Control Module References