GM Service Manual Online
For 1990-2009 cars only
Makes
🢒
Pontiac
🢒
2008
🢒
Grand Prix
🢒
Seats
🢒
Seat Heating and Cooling
🢒 Heated/Cooled Seat Schematics
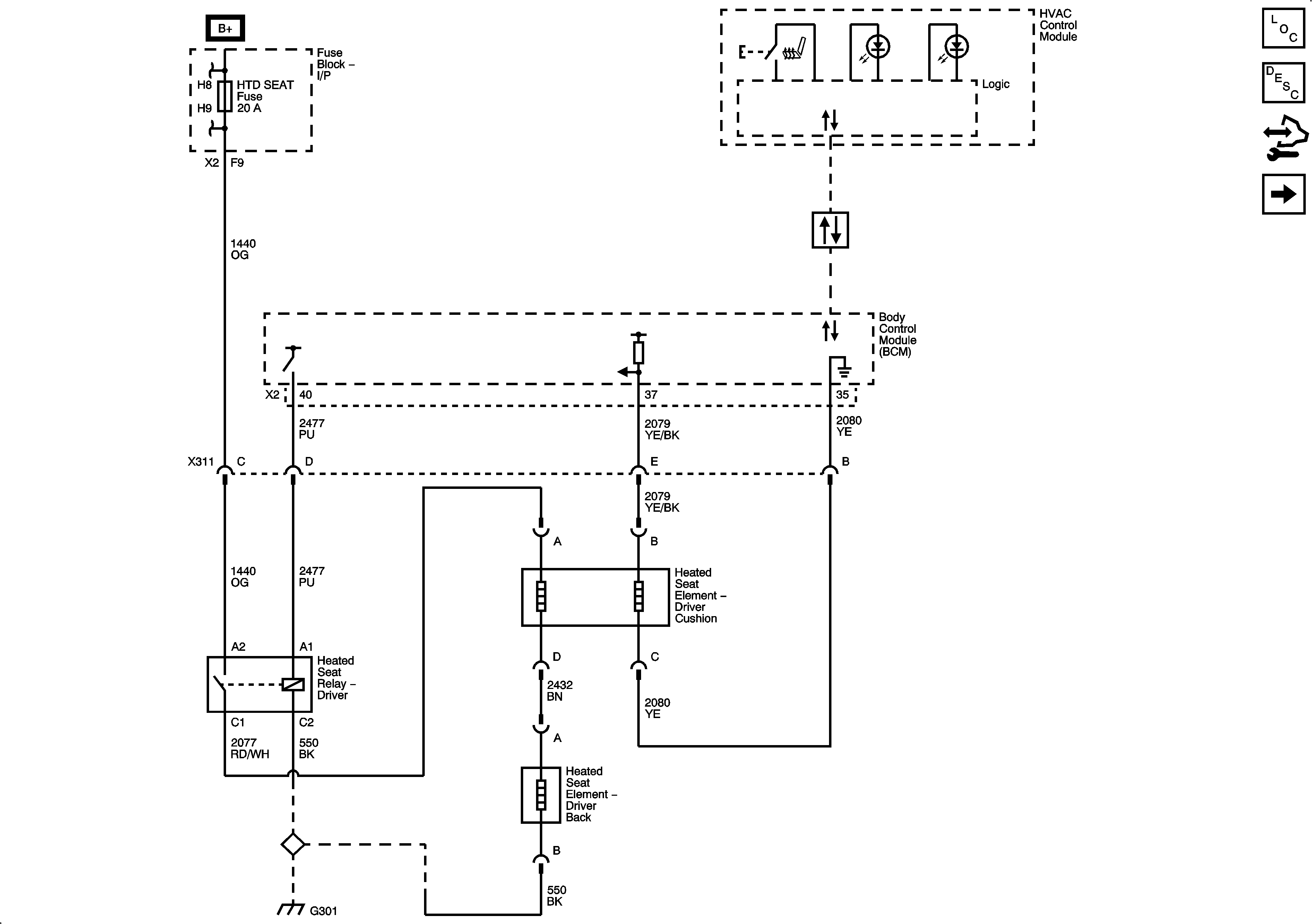
Figure
1:
Heat Controls - Driver
Master Electrical Component List
Heated Seats Description and Operation
Control Module References
Heat Control Passenger
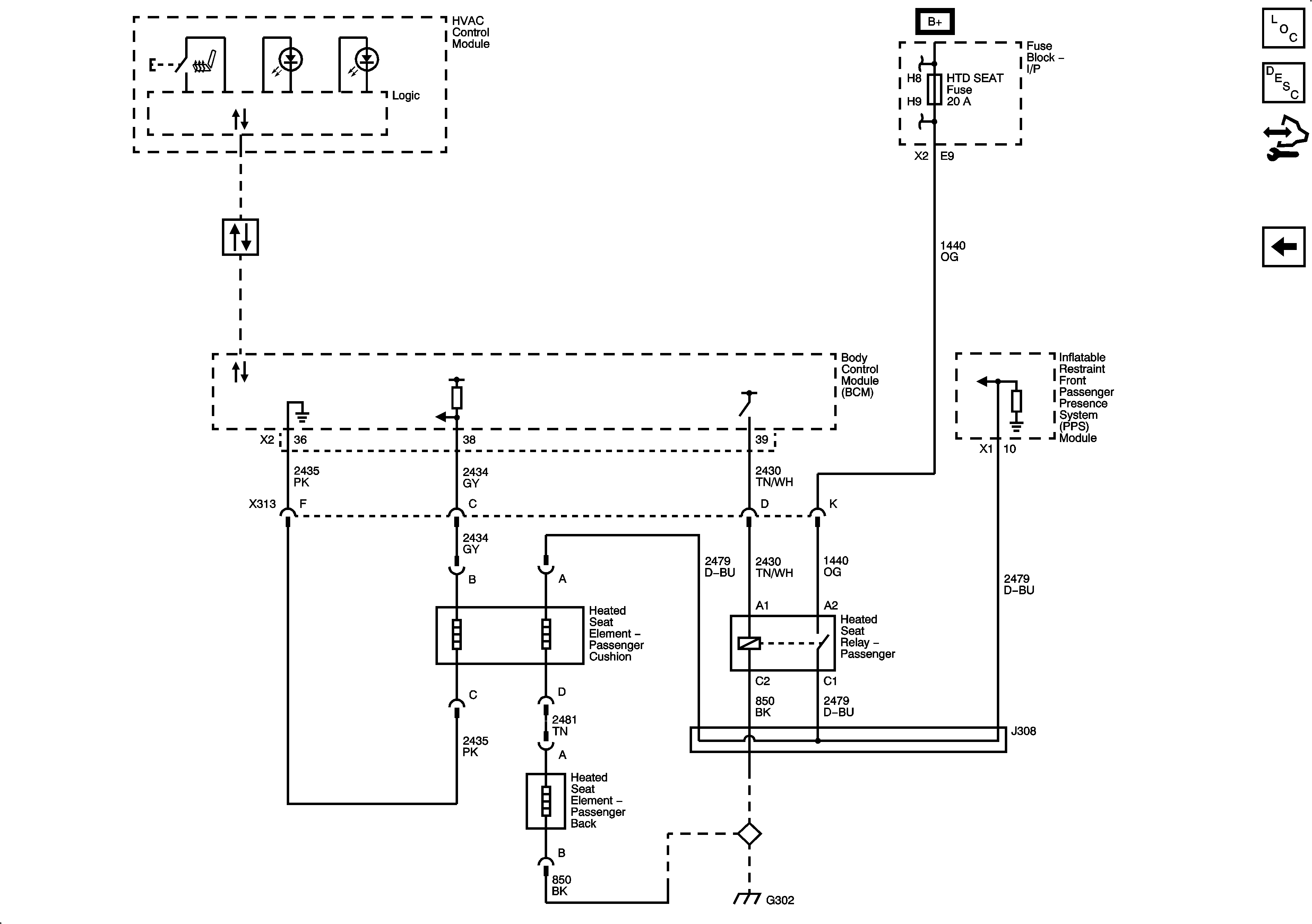
Figure
2:
Heat Controls - Passenger
Master Electrical Component List
Heated Seats Description and Operation
Control Module References
Heat Controls Driver