GM Service Manual Online
For 1990-2009 cars only

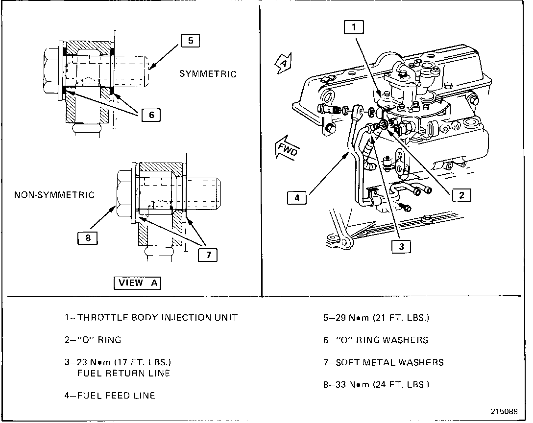
BANGO FUEL FEEDLINE ATTACHMENT TWO TYPES OF SEALING WASHERS

THERE ARE TWO DESIGNS USED FOR ATTACHING THE FUEL FEED LINE TO THE THROTTLE BODY INJECTION ASSEMBLY. ONE DESIGN USES A FITTING WITH SYMMETRIC SEALING FACES AND IS ATTACHED TO THE FUEL METER BODY WITH A BANJO BOLT AND TWO SPECIAL "O" RING WASHERS. THE OTHER DESIGN USES A FITTING WITH NON-SYMMETRIC SEALING FACES. IT ATTACHES USING A BANJO BOLT AND TWO SPECIAL SOFT METAL WASHERS. THESE TWO DESIGNS ARE NOT INTERCHANGEABLE WITH ONE ANOTHER. FIGURE SHOWS THE DIFFERENT DESIGNS. ANY TIME THE FUEL FEED LINE IS DISCONNECTED, THE WASHERS AND SEALING FACES OF THE FITTING MUST BE INSPECTED. IF THE MATING SURFACE OF THE FITTING OR WASHERS ARE SCRATCHED OR DAMAGED IN ANY MANNER THEY MUST BE REPLACED WITH THE CORRECT SERVICE REPLACEMENT PART. THE BOLT TORQUE IS 29 N.M (21 LBS. FT.) FOR THE FITTING WITH SYMMETRIC SEALING FACES AND 33 N.M (24 LBS. FT.) ON FEED LINES WITH NON-SYMMETRIC SEALING FACES. NOTICE: IT IS IMPORTANT THAT TORQUE BE APPLIED AT A SLOW AND CONSTANT RATE USING AN ACCURATE NEEDLE TYPE TORQUE WRENCH. OVER TORQUE MAY RESULT IN BOLT DAMAGE AND UNDER TORQUE MAY RESULT IN A LEAK AT THE FITTING. NOTE THIS INFORMATION IN SECTION 6C15 OF THE 1983 FIRENZA, OMEGA & CUTLASS CIERA SERVICE MANUAL ON PAGES 6C15-3, 6C15-4 (FIG. 6C15-6), AND 6C15-5 (INSTALLATION OF T.B.I.).


Object Number: 83681  Size: FS

General Motors bulletins are intended for use by professional technicians, not a "do-it-yourselfer". They are written to inform those technicians of conditions that may occur on some vehicles, or to provide information that could assist in the proper service of a vehicle. Properly trained technicians have the equipment, tools, safety instructions and know-how to do a job properly and safely. If a condition is described, do not assume that the bulletin applies to your vehicle, or that your vehicle will have that condition. See a General Motors dealer servicing your brand of General Motors vehicle for information on whether your vehicle may benefit from the information.