GM Service Manual Online
For 1990-2009 cars only
Makes
🢒
Pontiac
🢒
2004
🢒
Matiz
🢒
Accessories
🢒
Entertainment
🢒 Radio/Audio System Schematics
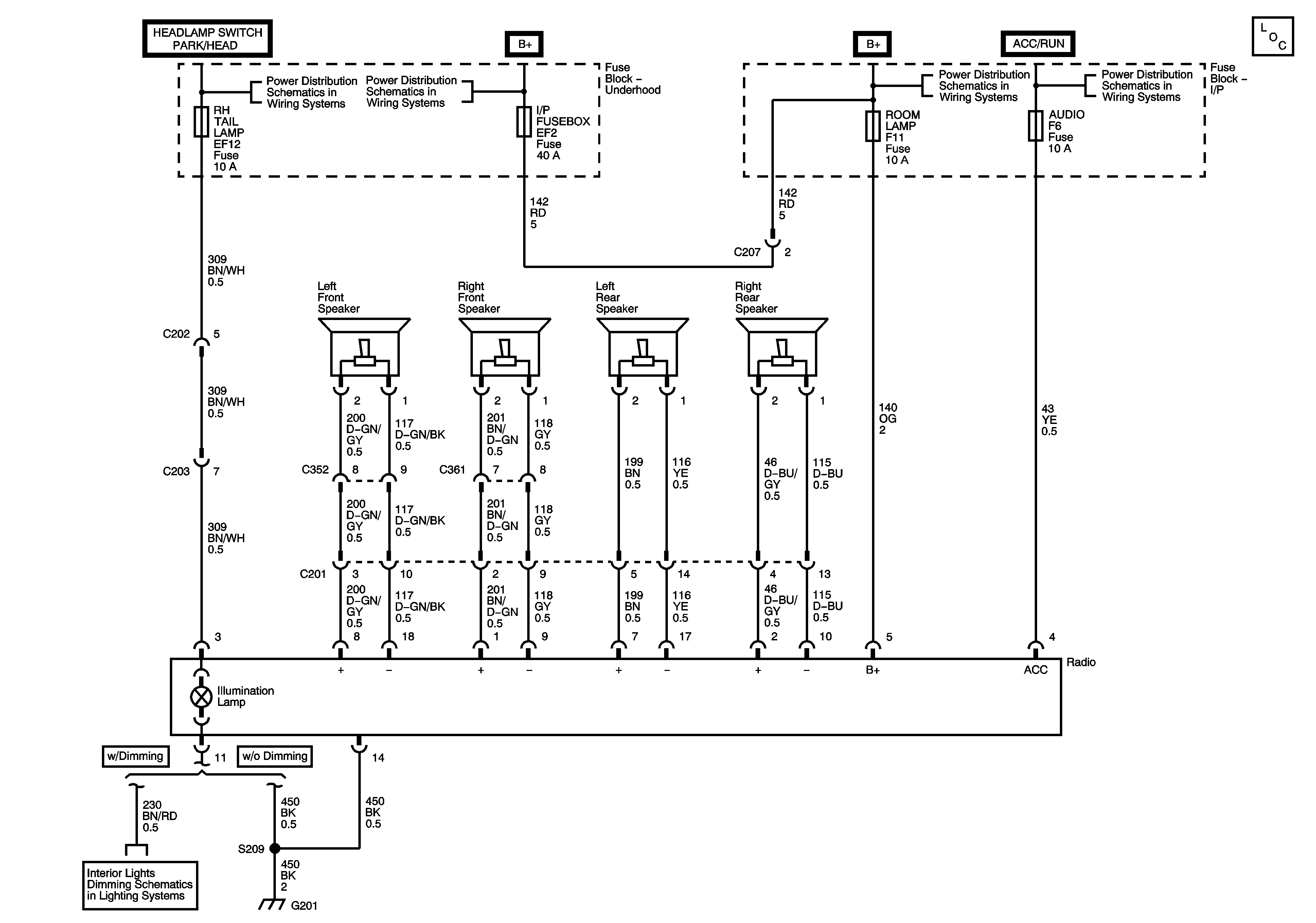
Figure
1:
Radio - LHD
Master Electrical Component List
Underhood Fuse Block - ABS - RH TAIL LAMP, LH TAIL LAMP and HORN Fuses
Underhood Fuse Block (0.8L) - IP FUSEBOX Fuse, IGNITION SWITCH, IP FUSE BLOCK (0.8L) - STOP LAMPS, ROOM LAMP, HAZARD LAMP and CENTRAL DOOR LOCK Fuses
Underhood Fuse Block (0.8L) - IP FUSEBOX Fuse, IGNITION SWITCH, IP FUSE BLOCK (0.8L) - STOP LAMPS, ROOM LAMP, HAZARD LAMP and CENTRAL DOOR LOCK Fuses
Instrument Panel Fuse Block - ECM and TCM Fuses, Underhood Fuse Block - AUDIO, CIGAR LIGHTER, CLUSTER, AIRBAG, POWER WINDOW and TURN SIGNAL Fuses
Interior Lamps (w/ Dimming Controls)
Interior Lamps (w/ Dimming Controls)
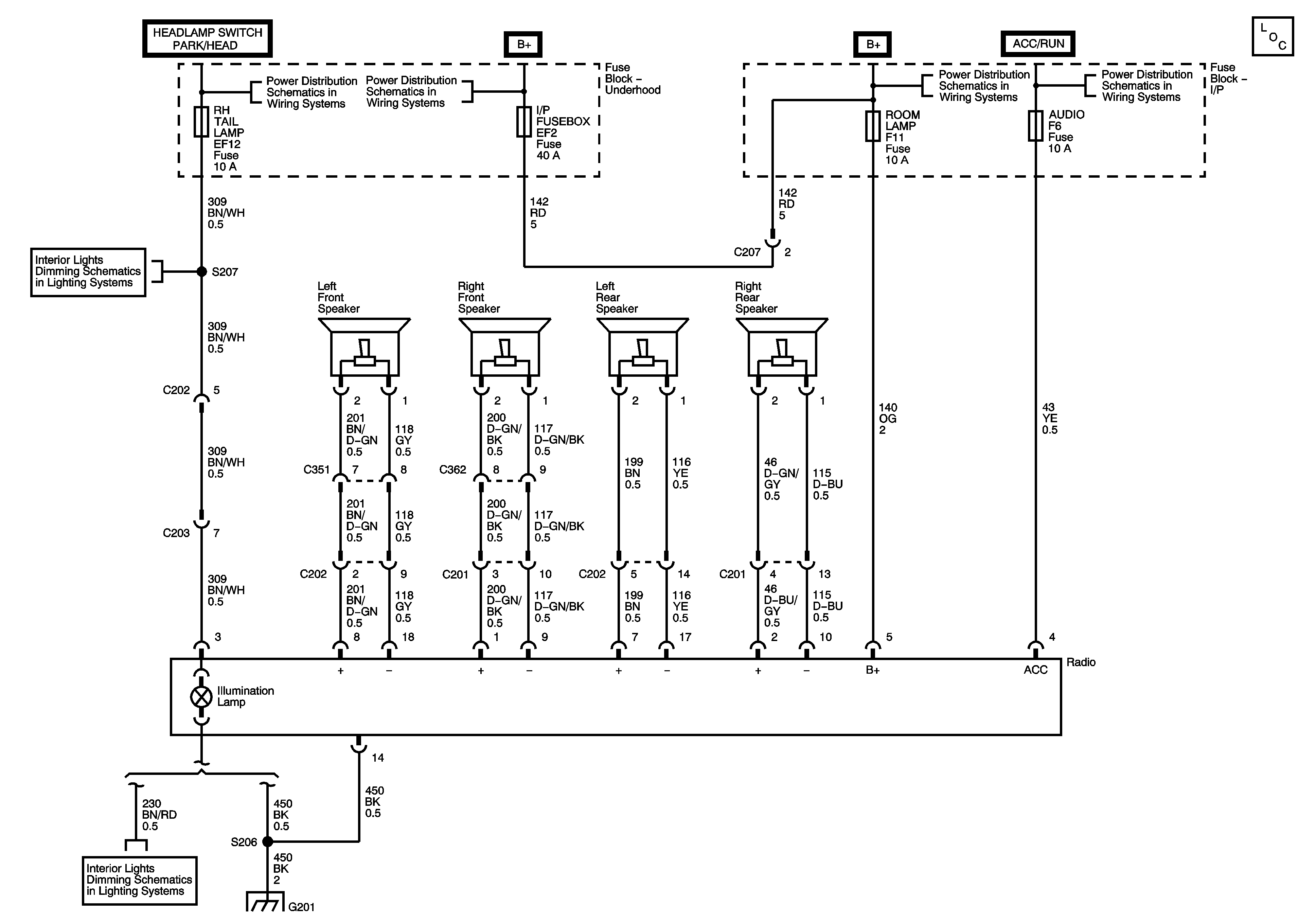
Figure
2:
Radio - RHD
Master Electrical Component List
Underhood Fuse Block - ABS - RH TAIL LAMP, LH TAIL LAMP and HORN Fuses
Underhood Fuse Block (0.8L) - IP FUSEBOX Fuse, IGNITION SWITCH, IP FUSE BLOCK (0.8L) - STOP LAMPS, ROOM LAMP, HAZARD LAMP and CENTRAL DOOR LOCK Fuses
Underhood Fuse Block (0.8L) - IP FUSEBOX Fuse, IGNITION SWITCH, IP FUSE BLOCK (0.8L) - STOP LAMPS, ROOM LAMP, HAZARD LAMP and CENTRAL DOOR LOCK Fuses
Instrument Panel Fuse Block - ECM and TCM Fuses, Underhood Fuse Block - AUDIO, CIGAR LIGHTER, CLUSTER, AIRBAG, POWER WINDOW and TURN SIGNAL Fuses
Interior Lamps (w/ Dimming Controls)