GM Service Manual Online
For 1990-2009 cars only
Makes
🢒
Pontiac
🢒
2004
🢒
Matiz
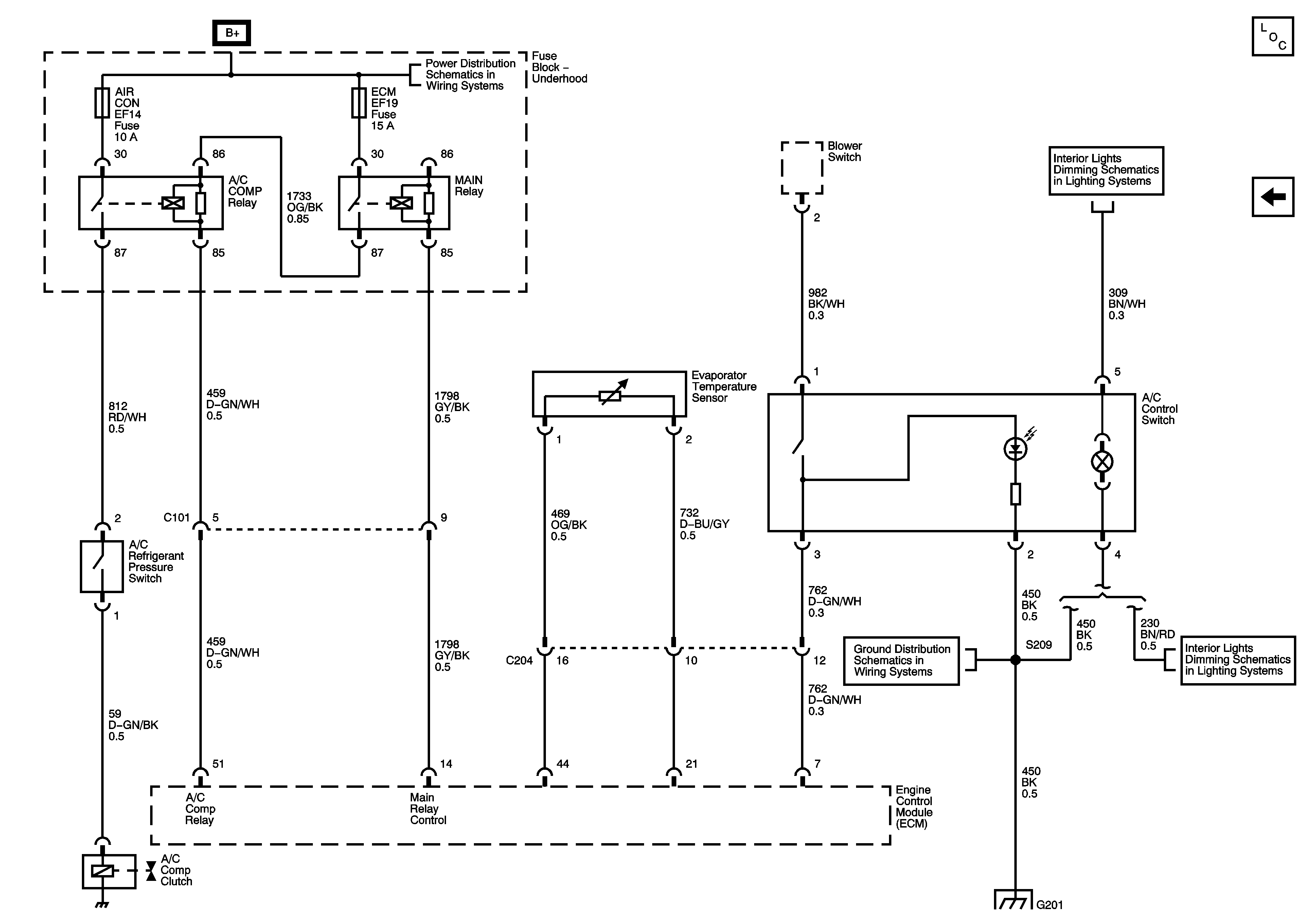
🢒 Compressor Controls (Fenix)
Compressor Controls (Fenix)
Compressor Controls (Fenix)
Master Electrical Component List
Compressor Controls (Sirius D3/D4)
Underhood Fuse Block (0.8L) - ECM and FUEL PUMP Fuses
Interior Lamps (w/ Dimming Controls)
Interior Lamps (w/ Dimming Controls)
G201 (0.8L)