GM Service Manual Online
For 1990-2009 cars only
Makes
🢒
Pontiac
🢒
2004
🢒
Matiz
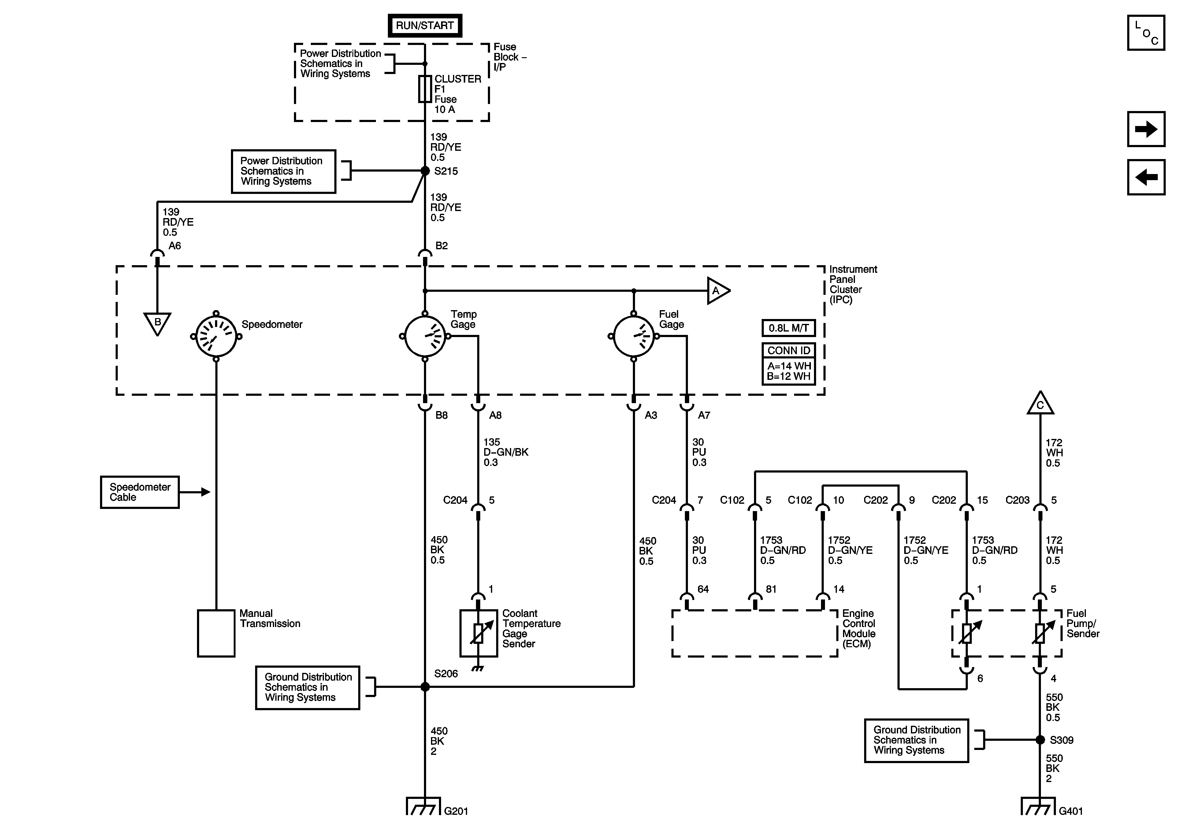
🢒 Instrument Cluster Gages (0.8L Sirius-D3)
Instrument Cluster Gages (0.8L Sirius-D3)
Instrument Cluster Gages (0.8L Sirius-D3)
Master Electrical Component List
Instrument Cluster Gages (0.8L A/T or 1.0L)
Instrument Cluster Gages (0.8L Fenix - M/T)
Underhood Fuse Block - Battery Feeds
Instrument Panel Fuse Block - ECM and TCM Fuses, Underhood Fuse Block - AUDIO, CIGAR LIGHTER, CLUSTER, AIRBAG, POWER WINDOW and TURN SIGNAL Fuses
Instrument Cluster Gages (0.8L A/T or 1.0L)
Instrument Cluster Gages (0.8L A/T or 1.0L)
G201 (0.8L) (Contd)
G401, G402, G403, and G404
Instrument Cluster Gages (0.8L A/T or 1.0L)