GM Service Manual Online
For 1990-2009 cars only
Makes
🢒
Pontiac
🢒
2004
🢒
Matiz
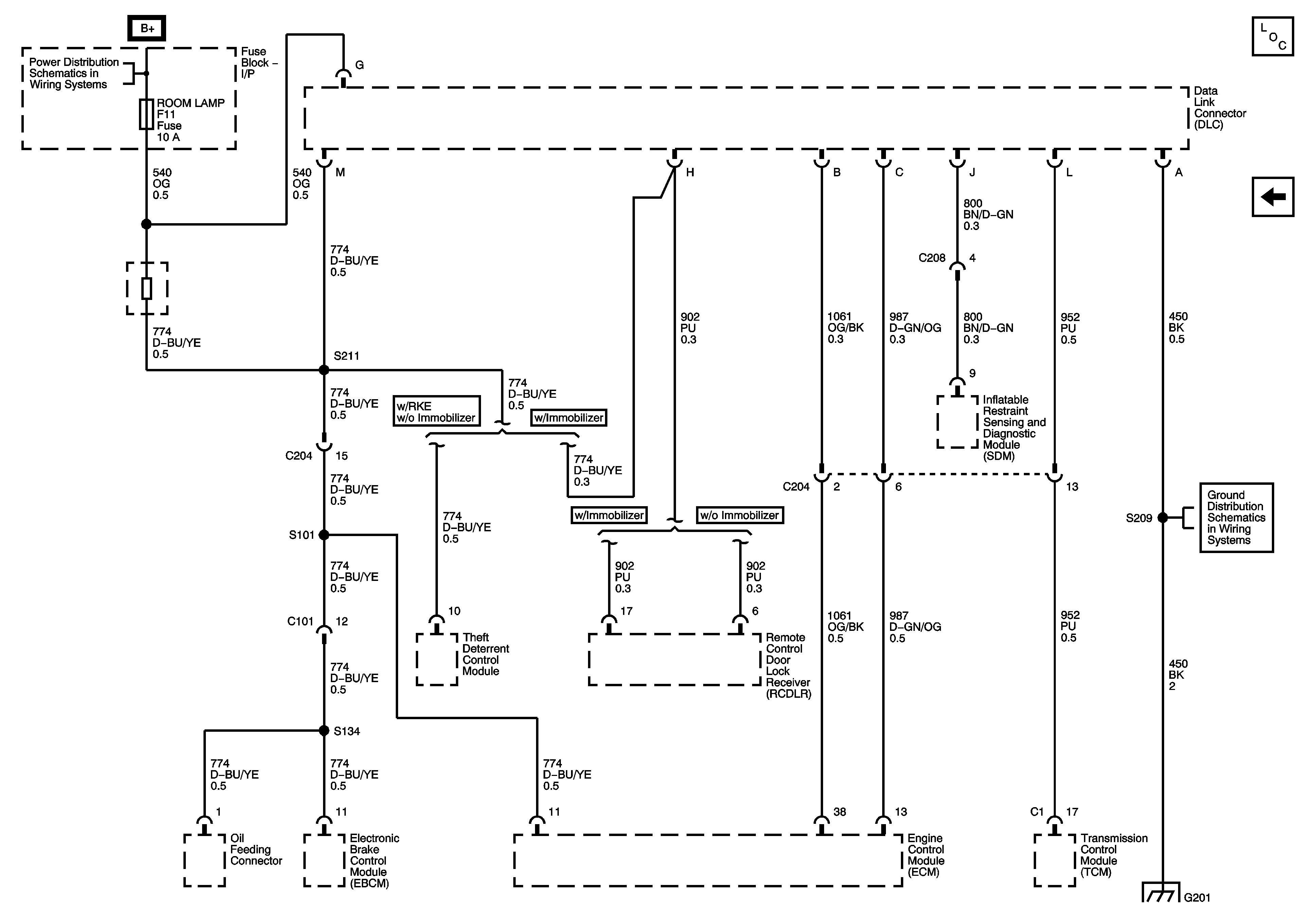
🢒 Data Link Connector (DLC) (Fenix)
Data Link Connector (DLC) (Fenix)
Data Link Connector (DLC) (Fenix)
Master Electrical Component List
Data Link Connector (DLC) (Sirius-D4)
Underhood Fuse Block (0.8L) - IP FUSEBOX Fuse, IGNITION SWITCH, IP FUSE BLOCK (0.8L) - STOP LAMPS, ROOM LAMP, HAZARD LAMP and CENTRAL DOOR LOCK Fuses
G201 (0.8L)