GM Service Manual Online
For 1990-2009 cars only
Makes
🢒
Pontiac
🢒
2004
🢒
Matiz
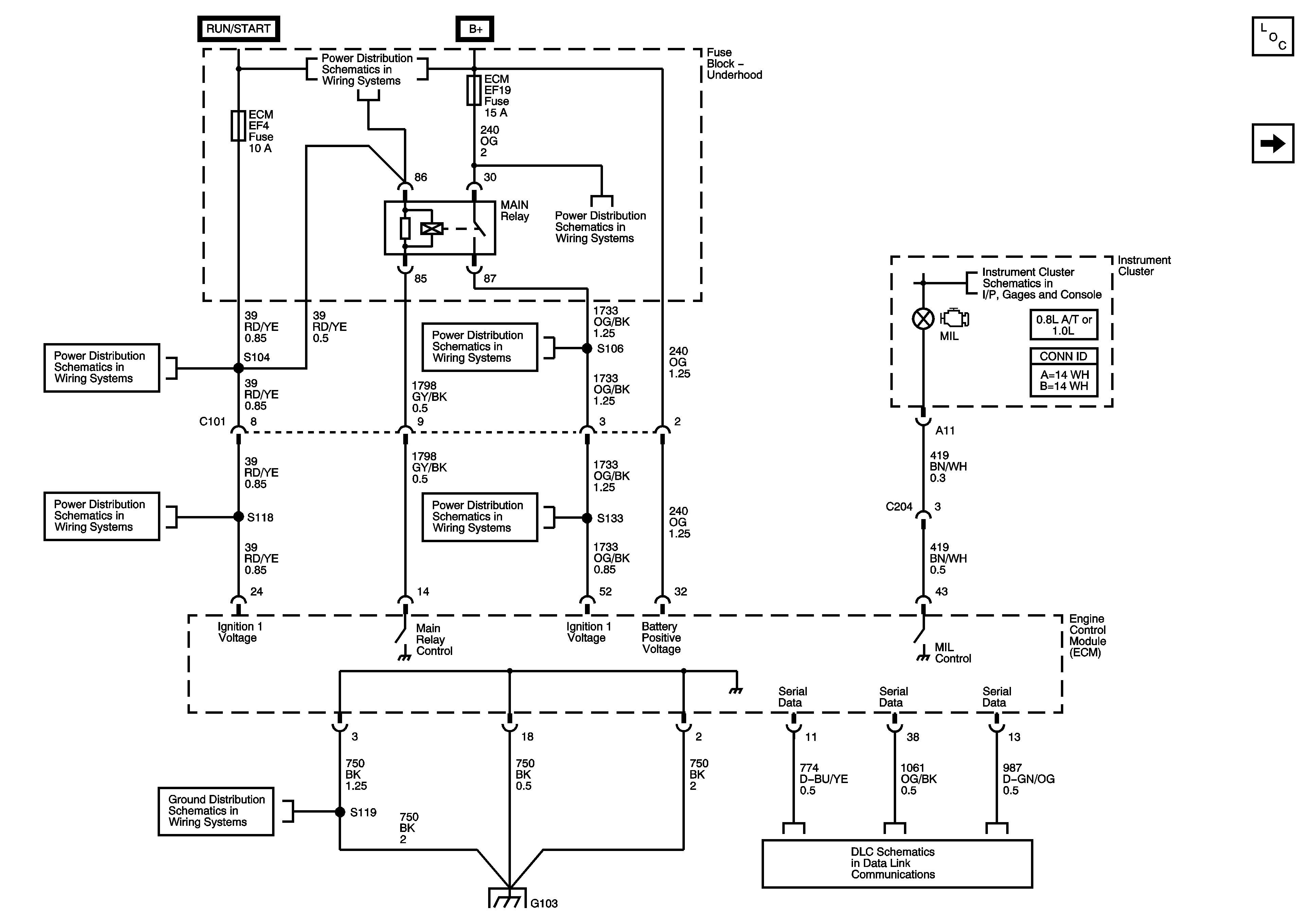
🢒 Module Power, Ground, Serial Data, Malfuntion Indicator Lamp (MIL)
Module Power, Ground, Serial Data, Malfuntion Indicator Lamp (MIL)
Module Power, Ground, Serial Data, Malfunction Indicator Lamp (MIL)
Master Electrical Component List
Engine Data Sensors - Pressure and Temperature, Oxygen Sensor
Underhood Fuse Block - Battery Feeds
Underhood Fuse Block (0.8L) - ECM and FUEL PUMP Fuses
Underhood Fuse Block - Battery Feeds
Underhood Fuse Block (0.8L) - ECM and FUEL PUMP Fuses
Underhood Fuse Block - Battery Feeds
Underhood Fuse Block (0.8L) - ECM and FUEL PUMP Fuses
G103 (0.8L Sirius-D3)
Data Link Connector (DLC) (Sirius-D3)