GM Service Manual Online
For 1990-2009 cars only
Makes
🢒
Pontiac
🢒
2004
🢒
Matiz
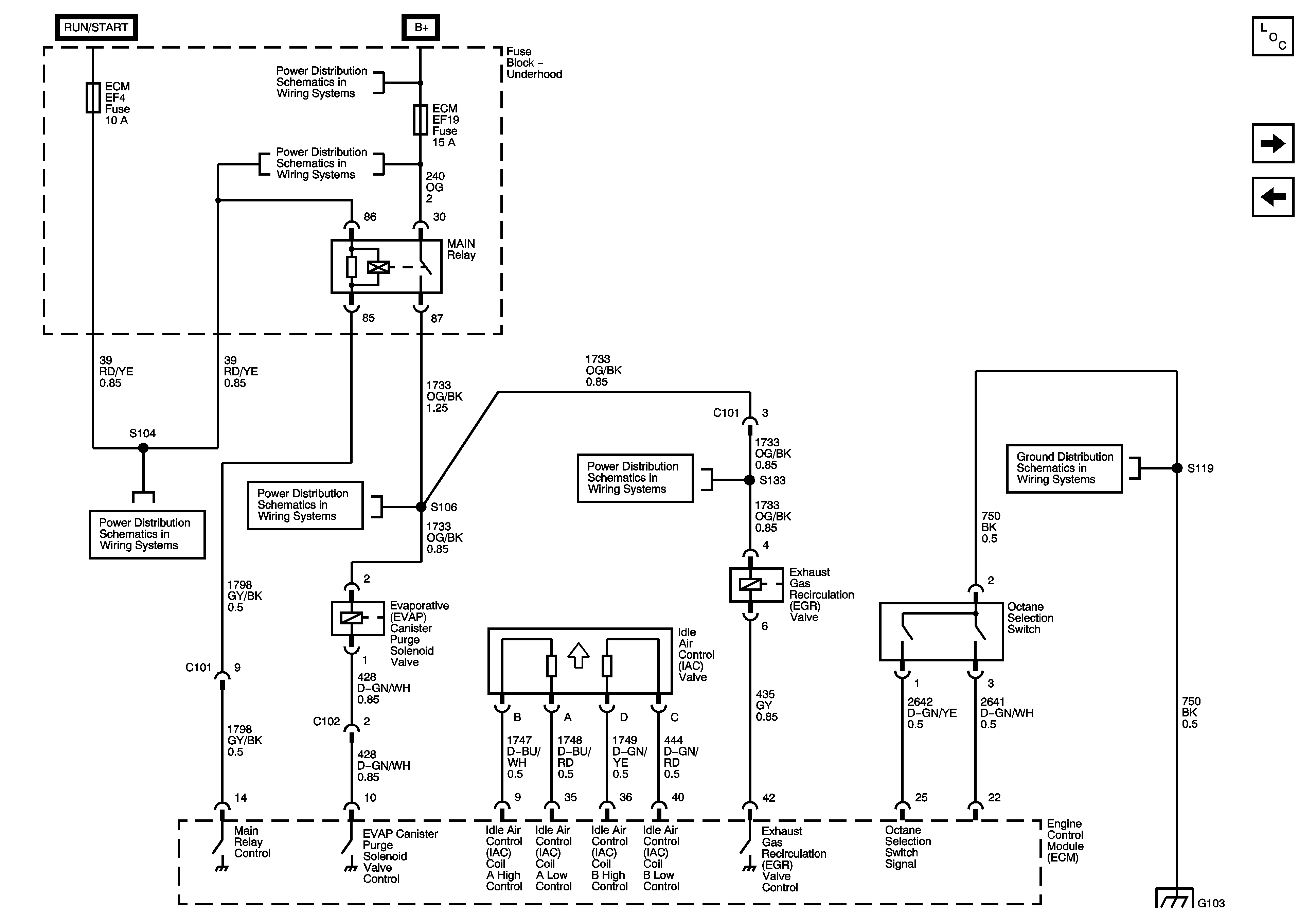
🢒 Fuel Controls - Evaporative Emissions (EVAP) and Device Controls
Fuel Controls - Evaporative Emissions (EVAP) and Device Controls
Fuel Controls - Evaporative Emissions (EVAP) and Device Controls
Master Electrical Component List
Controlled/Monitored Subsystem References
Fuel Controls - Fuel Pump Controls and Fuel Injectors
Underhood Fuse Block - Battery Feeds
Underhood Fuse Block (0.8L) - ECM and FUEL PUMP Fuses
Underhood Fuse Block (0.8L) - ECM and FUEL PUMP Fuses
Underhood Fuse Block (0.8L) - ECM and FUEL PUMP Fuses
Underhood Fuse Block (0.8L) - ECM and FUEL PUMP Fuses
G103 (0.8L Fenix)