GM Service Manual Online
For 1990-2009 cars only
Figure 1:

Power Door Locks (w/o Keyless Entry)


Object Number: 1237711  Size: FS
Master Electrical Component List
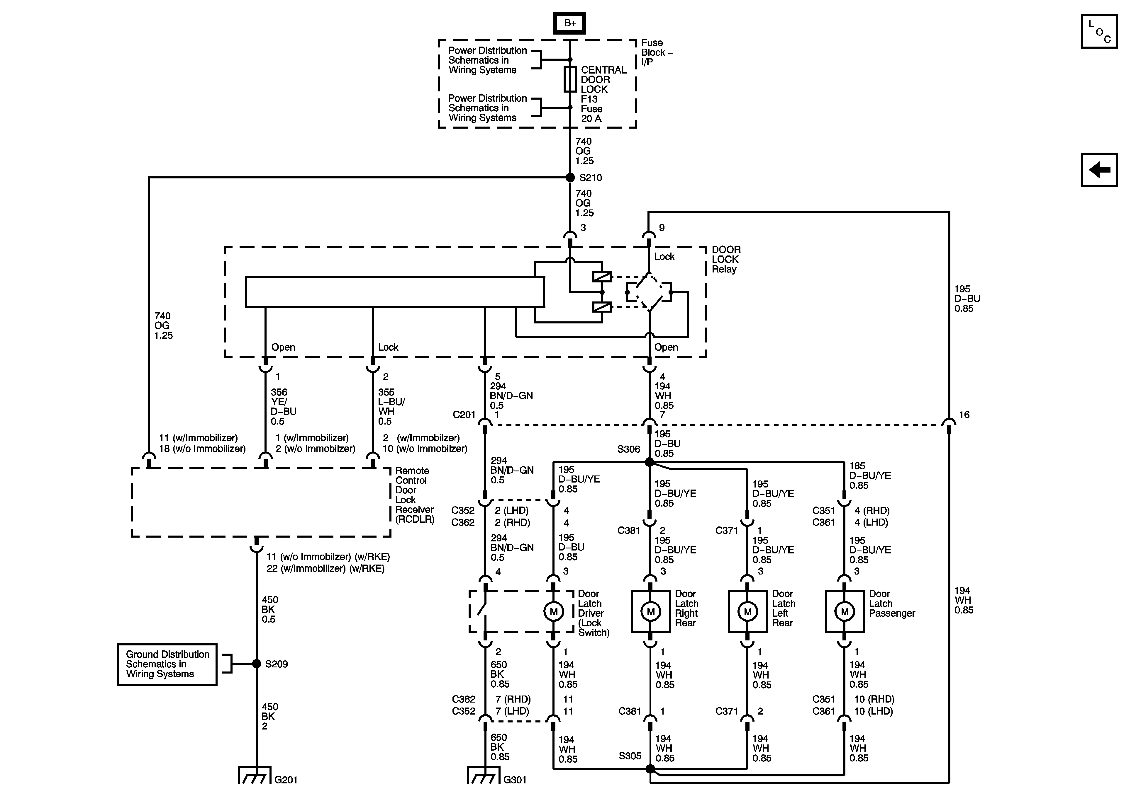
Power Door Locks (w/ Keyless Entry - 0.8L/1.0L LHD, 1.0L RHD)
Underhood Fuse Block (1.0L) - IP FUSEBOX Fuse, IGNITION SWITCH, IP FUSE Block (1.0L) - STOP LAMPS, ROOM LAMP, HAZARD LAMP, and CENTRAL DOOR LOCK Fuses
Underhood Fuse Block (1.0L) - IP FUSEBOX Fuse, IGNITION SWITCH, IP FUSE Block (1.0L) - STOP LAMPS, ROOM LAMP, HAZARD LAMP, and CENTRAL DOOR LOCK Fuses
Figure 2:

Power Door Locks (w/ Keyless Entry - 0.8L/1.0L LHD, 1.0L RHD)


Object Number: 1237386  Size: FS
Master Electrical Component List
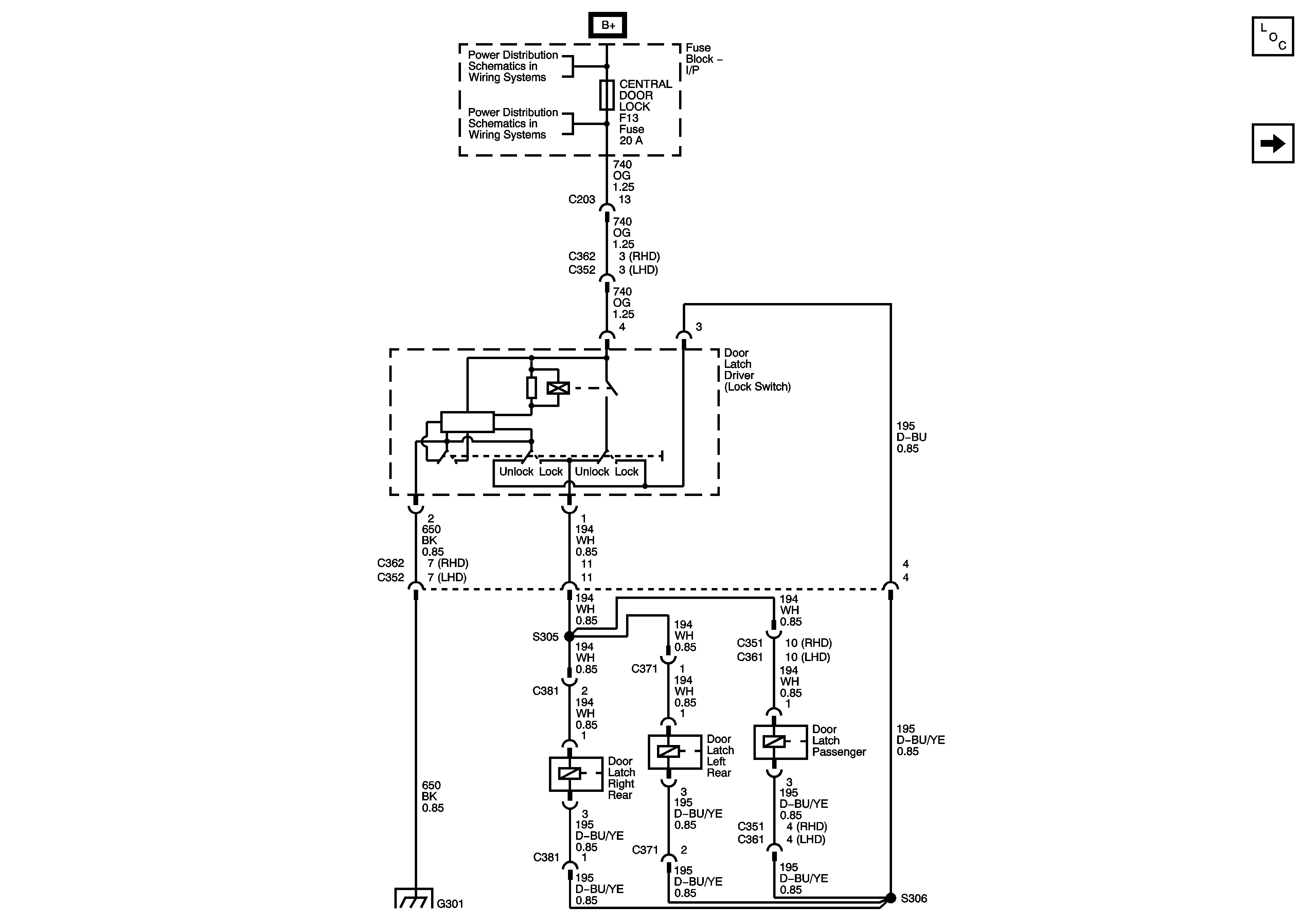
Power Door Locks (w/ Keyless Entry - 0.8L RHD)
Power Door Locks (w/o Keyless Entry)
Underhood Fuse Block (1.0L) - IP FUSEBOX Fuse, IGNITION SWITCH, IP FUSE Block (1.0L) - STOP LAMPS, ROOM LAMP, HAZARD LAMP, and CENTRAL DOOR LOCK Fuses
Underhood Fuse Block (1.0L) - IP FUSEBOX Fuse, IGNITION SWITCH, IP FUSE Block (1.0L) - STOP LAMPS, ROOM LAMP, HAZARD LAMP, and CENTRAL DOOR LOCK Fuses
G301 and G302
Figure 3:

Power Door Locks (w/ Keyless Entry - 0.8L RHD)


Object Number: 1237312  Size: FS
Master Electrical Component List
Power Door Locks (w/ Keyless Entry - 0.8L/1.0L LHD, 1.0L RHD)
Underhood Fuse Block (1.0L) - IP FUSEBOX Fuse, IGNITION SWITCH, IP FUSE Block (1.0L) - STOP LAMPS, ROOM LAMP, HAZARD LAMP, and CENTRAL DOOR LOCK Fuses
Underhood Fuse Block (1.0L) - IP FUSEBOX Fuse, IGNITION SWITCH, IP FUSE Block (1.0L) - STOP LAMPS, ROOM LAMP, HAZARD LAMP, and CENTRAL DOOR LOCK Fuses
G201 (1.0L)